EasyManua.ls Logo

Peavey PV 14BT

Peavey PV 14BT
22 pages
To Next Page IconTo Next Page
To Next Page IconTo Next Page
To Previous Page IconTo Previous Page
To Previous Page IconTo Previous Page
Loading...
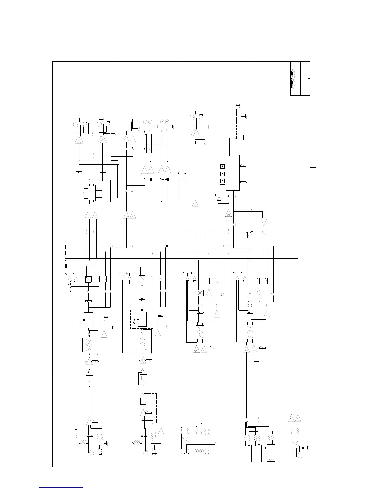
Block Diagram-PV
®
14
LO
80Hz
4kHz
MID-MORPH
12kHz
HI
400Hz
LO
80Hz
4kHz
MID-MORPH
12kHz
HI
400Hz
PAN
HI PASS
BALANCE
BALANCE
EQ
LO MID HI
Peavey Electronics Corp.
4
3
2
1
D
4
3
2
1
CBA
A B C D
Sheet Title:
Title:
Sheet
Date:
of
D
CONFIDENTIAL
Meridian, MS 39305
5022 Hartley Peavey Drive
+48V
PAN
EQ
LO MID HI
HI PASS
Mute
MUTE
Solo
EFX Return
Level
Record
Record
AUX
SIGNAL
EFX
CLIP
AUTO-TUNE
ON/OFF
CH 1-4 ONLY
EQ
Bypass
EQ
LEVEL
Direct Output
Ch 1-4 Only
COMP
Threshold
Solo
MIC
MUTE
Solo
OUT
OUT
OUT
LEFT
RIGHT
AUX
AUX
CLIP
EFX
EQ
LEVEL
SIGNAL
Guitar
LINE
RIGHT
ON/OFF
SELECTOR
EFX
DEFEAT
SIGNAL
EFX
EFX
LOW
INPUT
BLUETOOTH
MEDIA
SELECTOR
HIGH
CLIP
STATUS
AUTO-TUNE
KOSMOS - C
XLR
LINE
ON/OFF
EFFECTS
CH 1-4 ONLY
Gain
MIC PRE
EQ
Bypass
EQ
LEFT
RIGHT
LEFT
3.5mm In
LEVEL
Direct Output
Mute
MIC PRE
Gain
EQ
Guitar
In
Ch 1-4 Only
COMP
Threshold
XLR
CHANNEL 1 - 7
CLIP
EFX
EQ
LEVEL
Solo
SIGNAL
Input
Selector
AUX
Mono
LEFT
AUX
Solo
KOSMOS ENABLE
AUX
Left 1-8
Right 1-8
Left
Right
Right
Master
Left
Solo
RIGHT
Headphone
Master
CLIP
Control Rm A
Solo
Level
Control Rm
Level
Level
Headphone
A/B
Select
Record Out
B/
Record Out
Control Rm B/
USB B
USB A
EFX
EFX In
EFX Out
To Mains
To AUX
EFX Return
MUTE
MIC
FOOTSWITCH
SOLO
MEDIA PLAYER
Mute
Mute
T = EFX Mute
R = AutoTune Bypass (AT Models)
CHANNEL 9/10
CHANNEL11/12
CHANNEL 13/14
CHANNEL 8
Input
Media Player
Streaming
Input
To USB B Streaming Output
2
3
1
1
3
2
2
3
1
PHANTOM
PHANTOM
PV14_BLOCK
4-9-2015_11:352 2
2
3
1
1
3
2

Related product manuals