EasyManua.ls Logo

Peavey UNITY 2002 - Page 8

Peavey UNITY 2002
12 pages
Print Icon
To Next Page IconTo Next Page
To Next Page IconTo Next Page
To Previous Page IconTo Previous Page
To Previous Page IconTo Previous Page
Loading...
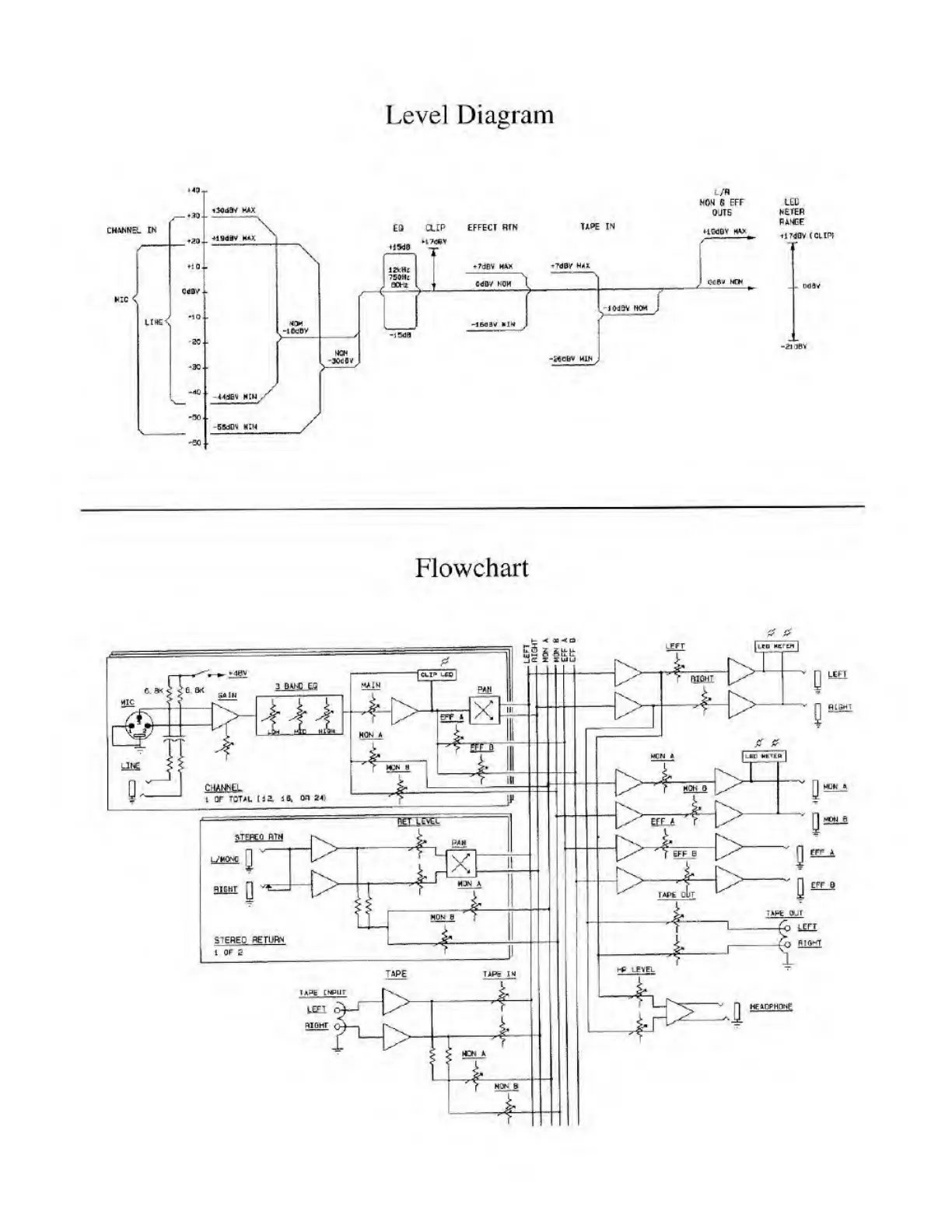
Flowchart

Related product manuals