EasyManua.ls Logo

PEERLESS Gas Boiler - Page 11

PEERLESS Gas Boiler
47 pages
Print Icon
To Next Page IconTo Next Page
To Next Page IconTo Next Page
To Previous Page IconTo Previous Page
To Previous Page IconTo Previous Page
Loading...
9
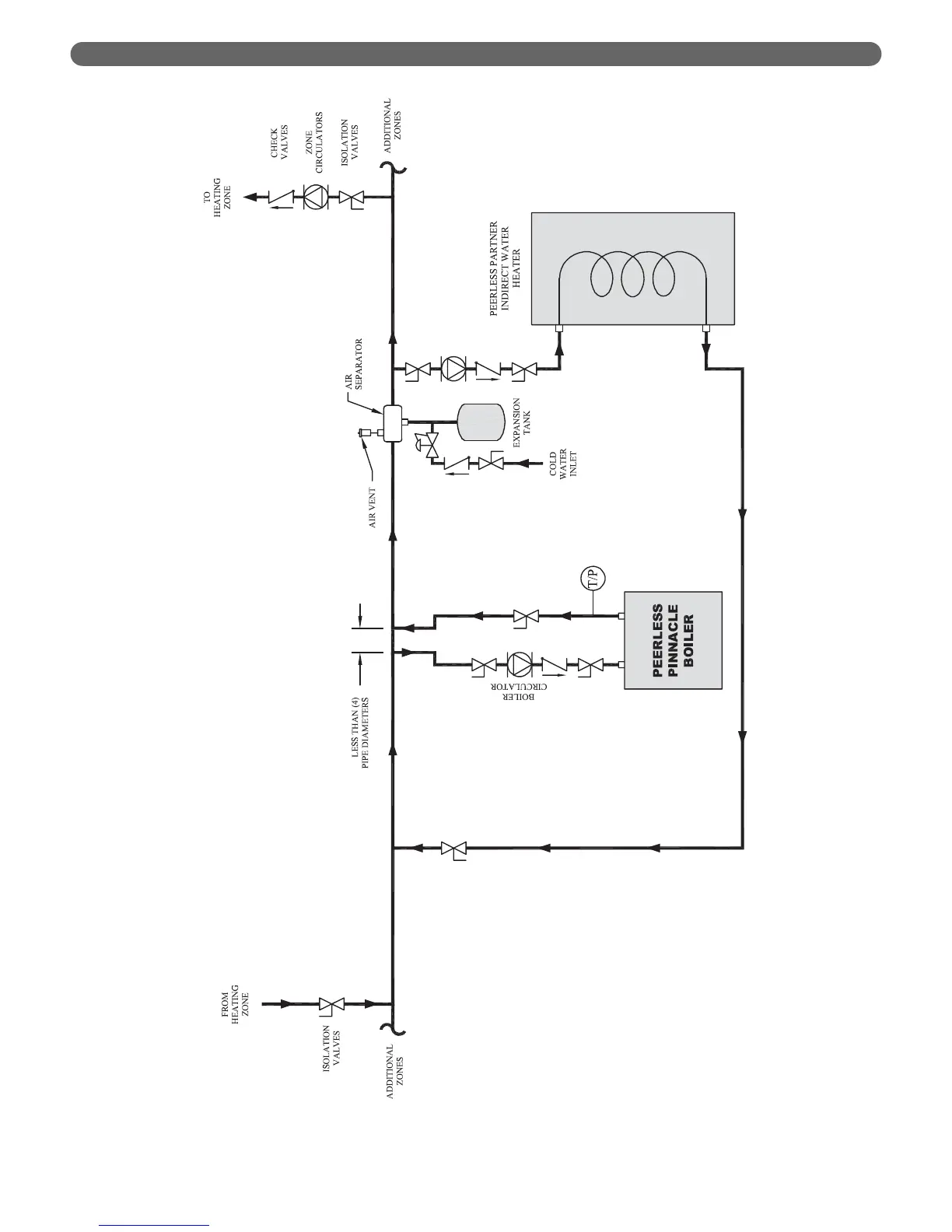
Figure 3.3: One Boiler, Primary/Secondary with Two Zones (Zone Circulator)
WATER PIPING AND CONTROLS

Related product manuals