EasyManua.ls Logo

PEERLESS PureFire PF-140 - Page 26

Default Icon
92 pages
Print Icon
To Next Page IconTo Next Page
To Next Page IconTo Next Page
To Previous Page IconTo Previous Page
To Previous Page IconTo Previous Page
Loading...
24
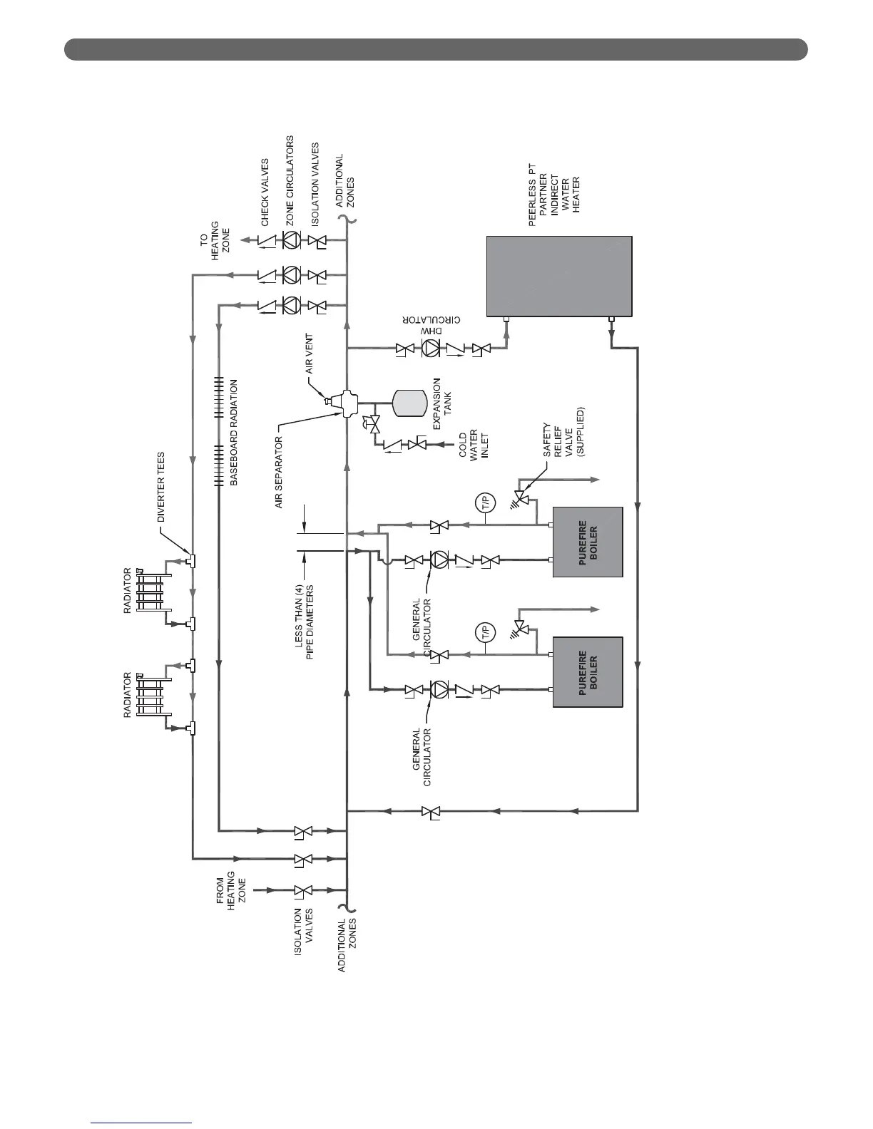
WATER PIPING AND CONTROLS
Figure 4.7: Two Boilers, Primary/Secondary with Four Zones (Zone Circulator)

Table of Contents

Related product manuals