EasyManua.ls Logo

PEERLESS PureFire PF-50 - Page 25

PEERLESS PureFire PF-50
92 pages
Print Icon
To Next Page IconTo Next Page
To Next Page IconTo Next Page
To Previous Page IconTo Previous Page
To Previous Page IconTo Previous Page
Loading...
23
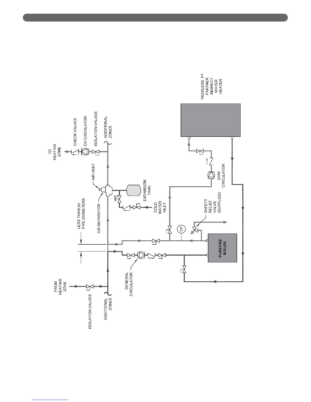
WATER PIPING AND CONTROLS
Figure 4.6: Alternate Piping – One Boiler, Primary/Secondary with a Peerless
®
Partner
®
(Zone Circulators).
Note: The DHW Circulator must be sized to provide minimum flow through the boiler

Table of Contents

Related product manuals