EasyManua.ls Logo

PEERLESS PureFire PF-50 - Page 37

PEERLESS PureFire PF-50
92 pages
Print Icon
To Next Page IconTo Next Page
To Next Page IconTo Next Page
To Previous Page IconTo Previous Page
To Previous Page IconTo Previous Page
Loading...
35
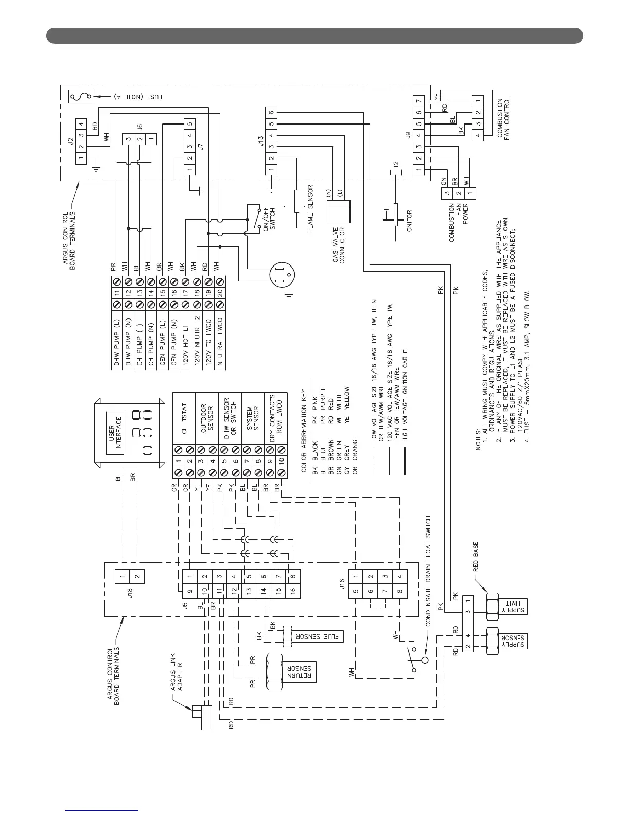
ELECTRICAL CONNECTIONS
Figure 7.5: Internal Wiring Schematic for PF-50, PF-80, PF-110 & PF-140 boilers.

Table of Contents

Related product manuals