EasyManua.ls Logo

PEERLESS PureFire PF-80 - Page 38

PEERLESS PureFire PF-80
92 pages
Print Icon
To Next Page IconTo Next Page
To Next Page IconTo Next Page
To Previous Page IconTo Previous Page
To Previous Page IconTo Previous Page
Loading...
36
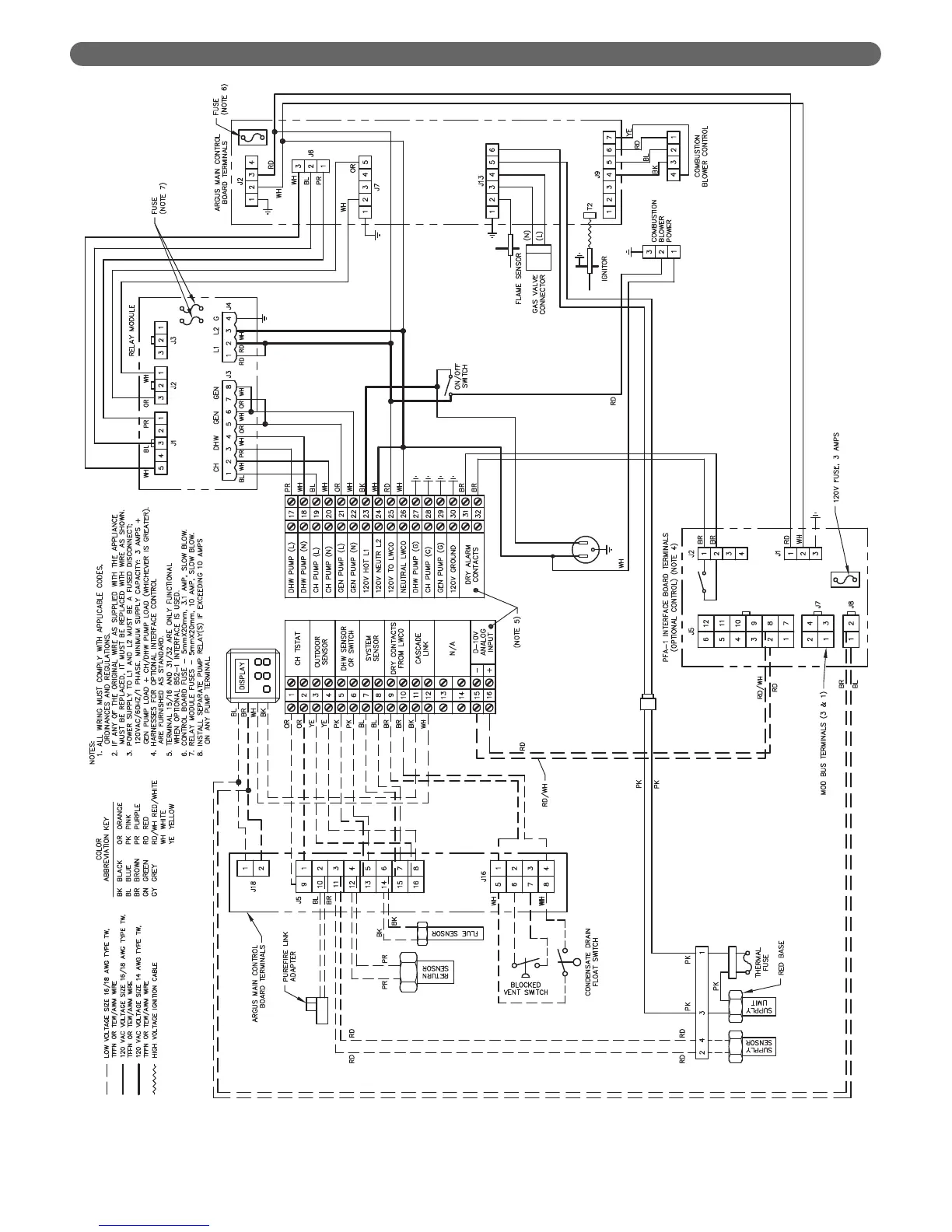
Figure 7.6: Internal Wiring Schematic for PF-210 & PF-399 boilers.
ELECTRICAL CONNECTIONS

Table of Contents

Related product manuals