EasyManua.ls Logo

PEERLESS PureFire PF-80 - Page 52

PEERLESS PureFire PF-80
92 pages
Print Icon
To Next Page IconTo Next Page
To Next Page IconTo Next Page
To Previous Page IconTo Previous Page
To Previous Page IconTo Previous Page
Loading...
50
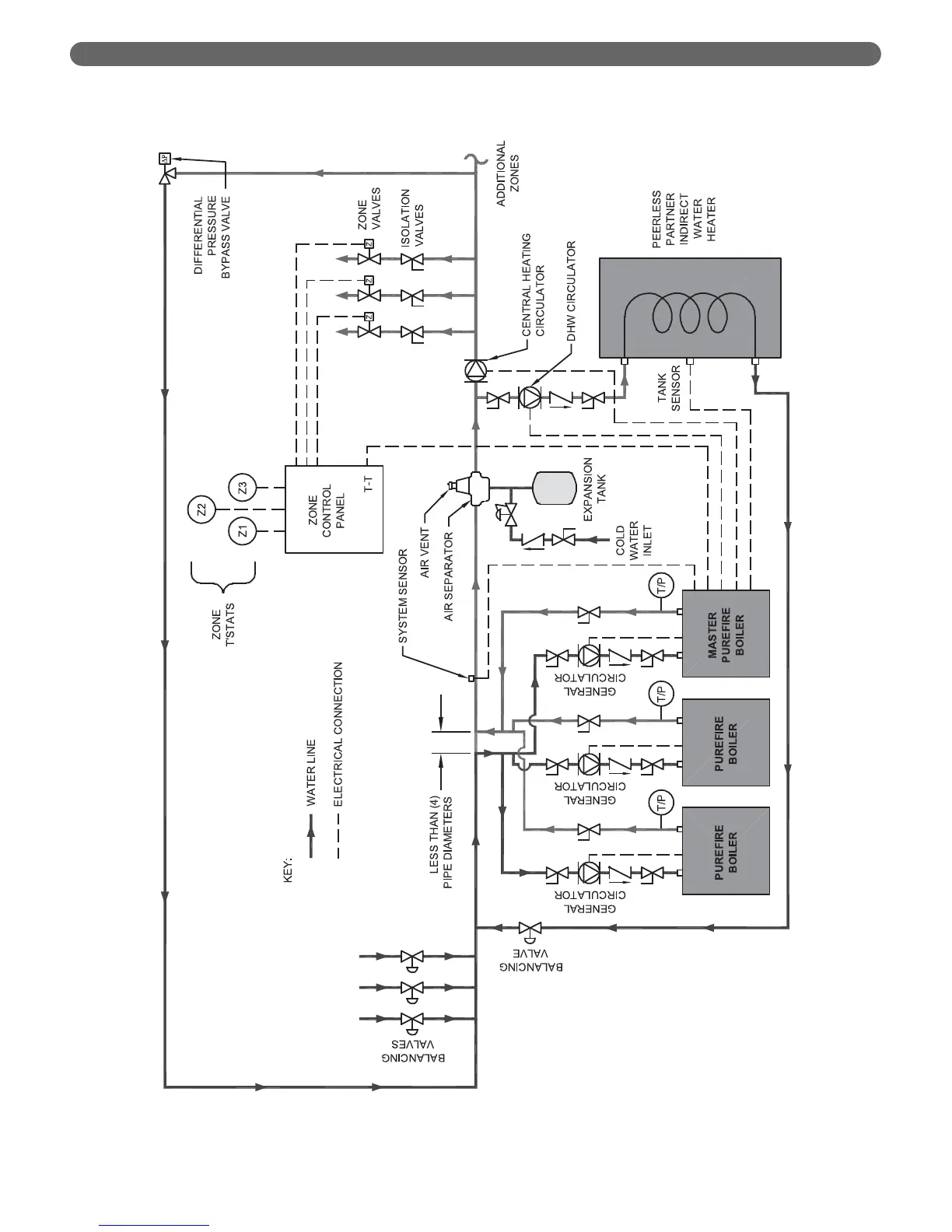
BOILER CONTROL: INTERNAL WIRING & OPERATION
Figure 8.4: Multiple Boiler (Cascade) Piping / Electrical Connections for Systems with Zone Valves

Table of Contents

Related product manuals