EasyManua.ls Logo

Pelican TC4 - Page 5

Pelican TC4
20 pages
Print Icon
To Next Page IconTo Next Page
To Next Page IconTo Next Page
To Previous Page IconTo Previous Page
To Previous Page IconTo Previous Page
Loading...
5
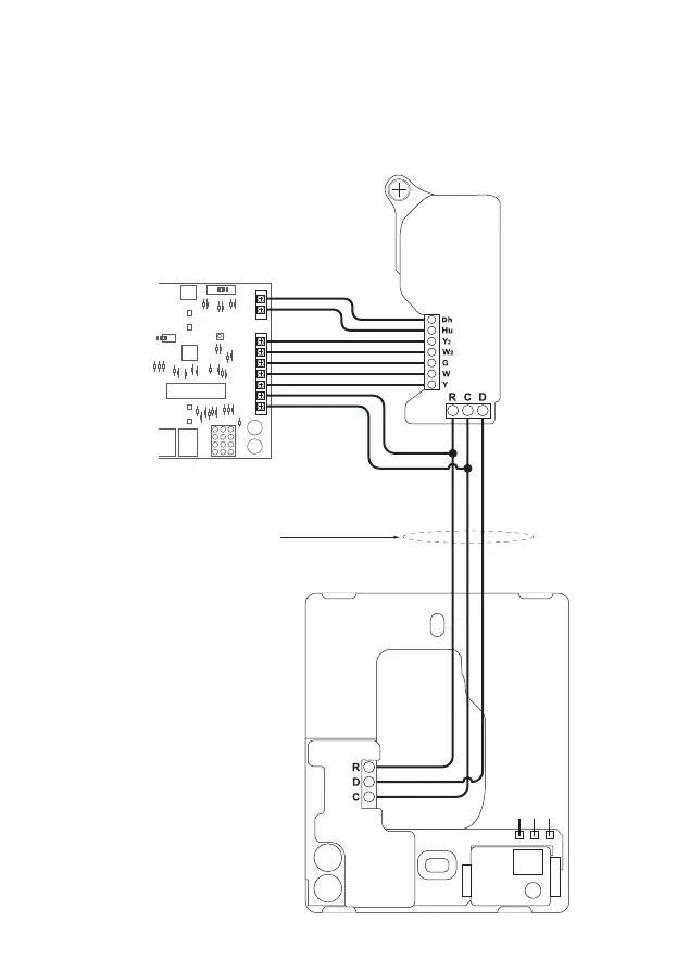
Step 3: Connect Wiring Module to thermostat.


the matching (R), (C), and (D) terminals at the thermostat’s back plate.
HVAC Control Board
Wiring Module mounted at control board.
Thermostat back plate mounted in room.
Y2
W2
G
W
Y
R
C
Dh
Hu
Maximum 500'
unshielded 18 gauge thermostat
wire.

Related product manuals