EasyManua.ls Logo

pellenc Vinion - Page 22

pellenc Vinion
42 pages
Print Icon
To Next Page IconTo Next Page
To Next Page IconTo Next Page
To Previous Page IconTo Previous Page
To Previous Page IconTo Previous Page
Loading...
PRUNING SHEARS AND 150 BATTERY VINION & PRUNION
26_116772-H
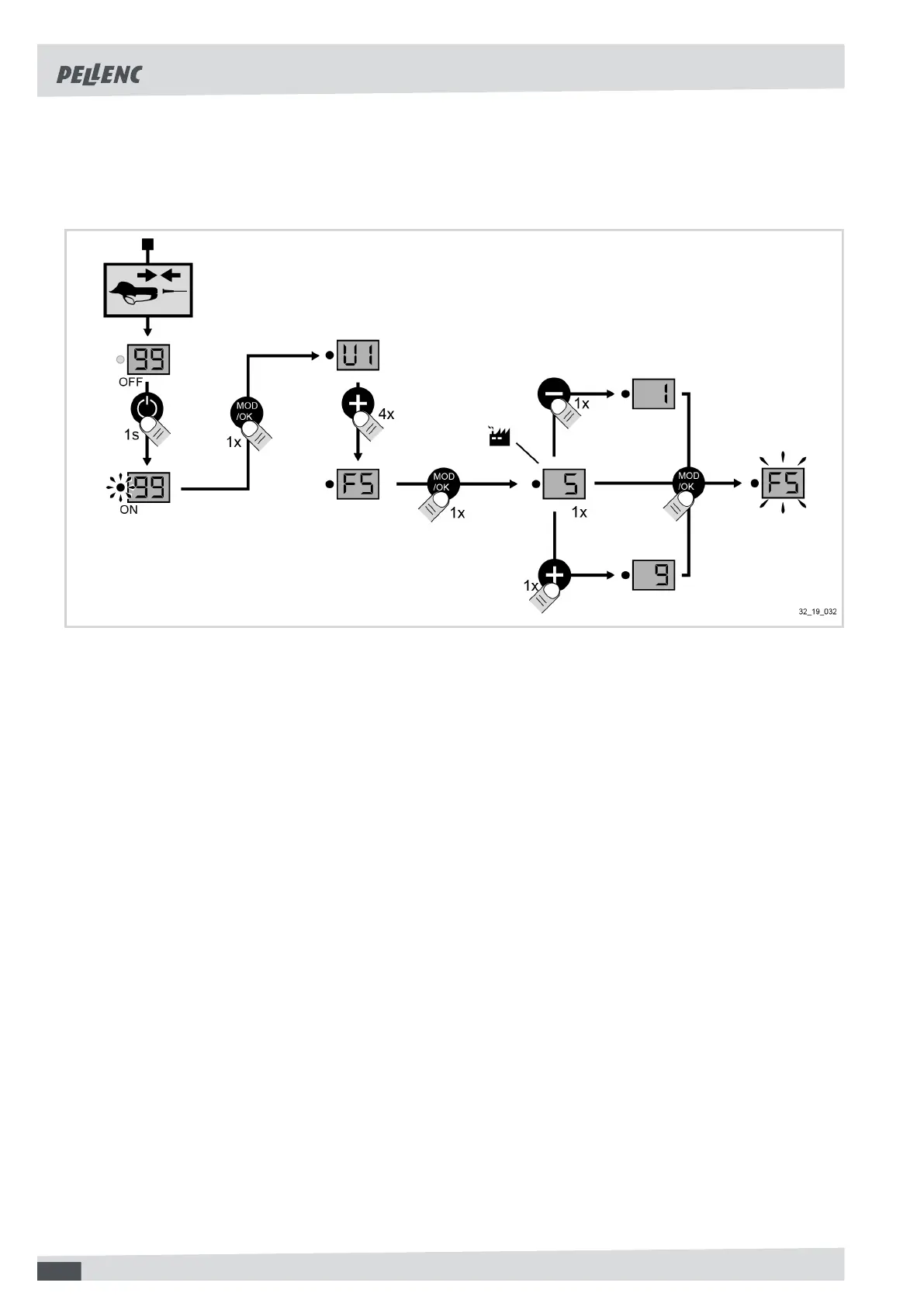
Adjustment range:
Maximum value = 9
Minimum value = 1
Factory setting = 5
F6 mode: half-opening setting
1. Turn the battery on, with the tool connected,
2. Press the "mode" button,
3. Select function F6, by pressing + or -,
4. Press the "mode" button to validate,
5. Press + or - to adjust the half-opening of the blade,
6. Press the "mode" button to validate.
Adjustment range:
Maximum value = 9
Minimum value = 1
Factory setting = 4
22

Table of Contents

Related product manuals