EasyManua.ls Logo

Pentair RAINBOW 320 - Page 2

Pentair RAINBOW 320
6 pages
Print Icon
To Next Page IconTo Next Page
To Next Page IconTo Next Page
To Previous Page IconTo Previous Page
To Previous Page IconTo Previous Page
Loading...
R24048-1200
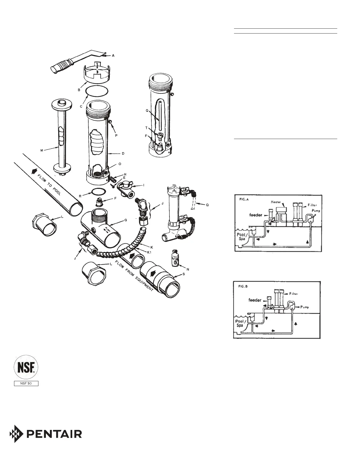
#320 CHLORINE / BROMINE FEEDER
PARTS BREAK DOWN DRAWING
Item Qty. Part No. Description
A
Optional
R172052 Cap wrench
B 1 R172008W 3" Threaded cap
C 1 R172009 3" O-Ring
D 1 R172331 #320 Body only (new)
E 1 R01052 Lock screw
F 1 R172248 Check valve
G 1 R172317 Divertor tee
H 1 R172256 ½" x Short MPT nipple
I 1 R172086 ½" Chlorine control valve
J 2 R172272 ½" NPT x tube fitting w/nut
K 1 R172091
5
/8" OD Chlorinator tube
K1 1 R171097 Tube support spring
*L 2 R172210 2" x 1½" s x s bushing
M
Optional
R172037 Spa chamber
N 1 R172036 Silicone lubricant
**O 1
210396
Screen
P 1 R172134 ½" MPT PVC plug
Q 1 R172253
5
/8" OD 18" tube
(optional top feed)
R 1 R172319 Bottom O-ring
S
Optional
R172288 1½" Corrosion resistant
check valve
T 1 R172048B Standpipe adapter
*Not used with 2" PVC, for 1½" PVC only.
**Be sure screen has not come loose in shipment—if
loose: Simply snap over 4 posts in bottom of chlorinator
to replace.
NOTE: To service check valve F, Remove lockscrew E,
and unscrew (counter-clockwise) D chlorinator body from
G divertor tee.
Bromine Standpipe Installation
To increase erosion of small bromine tablets,
install Bromine Standpipe as follows:
1. Remove screen from bottom of chamber
exposing check valve (F)
2. Insert adapter (T) into check valve opening.
3. Cut supplied
5
/8" black tube (Q) to 6" length
and push tube into adapter opening.
IMPORTANT OPTION.
SEE CORROSION CAUTION SHEET.
CAUTION
Do not install feeder into copper plumbing. Pipe
damage could occur. Never install feeder before
heater. Heater damage could occur.
Optional Spa Chamber:
For use on spas and hot tubs only.
Use 1" diameter tabs. Insert into
feeder slotted end down.
Available from your dealer.
YOU MAY SUBSTITUTE BROMINE TABLETS
OR STICKS FOR TRICHLOR IN THIS
FEEDER. DO NOT MIX.
CALCIUM HYPOCHLORITE IS NOT TO BE
USED IN ANY FORM.
Typical Installation #320 with heater.
Typical Installation #320 without heater
Technical Support: (800) 831-7133
(*] Using Bromine tablets with this device is not NSF certified
NSF listed for public or residential use in Swimming Pools, Spas or Hot Tubs using 1Trichlor tablets
and when used with a flow indicating device such as Rainbow Model #R172276”.
Output rating for Bromine is not NSF certified.

Related product manuals