EasyManua.ls Logo

Pentair RAINBOW 320 - Page 5

Pentair RAINBOW 320
6 pages
Print Icon
To Next Page IconTo Next Page
To Next Page IconTo Next Page
To Previous Page IconTo Previous Page
To Previous Page IconTo Previous Page
Loading...
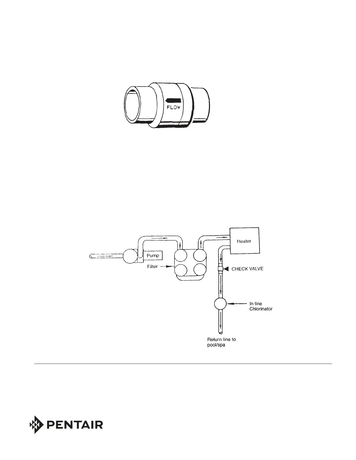
# R 172288 1 ½ " & 2 " S L IP
S P R IN G C H E C K V A L V E
Special corrosion resistant 1½" & 2" slip spring check valve can be used
to check back flow of fluids, air, etc.
Full free flow design
Special Spring and Seal for corrosive applications.
Enclosed spring insuring free operation.
Very effective when used in conjunction with chlorinator to check back flow
of chemicals to pool/spa equipment, preventing corrosion problems
and damage.
Can be mounted in any position.
Suction from pool/spa
Typical check valve installation
NOTE: If heaters are used, a Fireman’s
Switch or other safety device must be
installed to prevent possible damage and
improper operation of Check Valve and
other equipment subject to heat damage.
R24049-0201
Technical Support: (800) 831-7133

Related product manuals