EasyManua.ls Logo

Perkins 1204F-E44TTA - PEU to DEF Injector

Perkins 1204F-E44TTA
41 pages
Print Icon
To Next Page IconTo Next Page
To Next Page IconTo Next Page
To Previous Page IconTo Previous Page
To Previous Page IconTo Previous Page
Loading...
1204F - DEF System Supplement
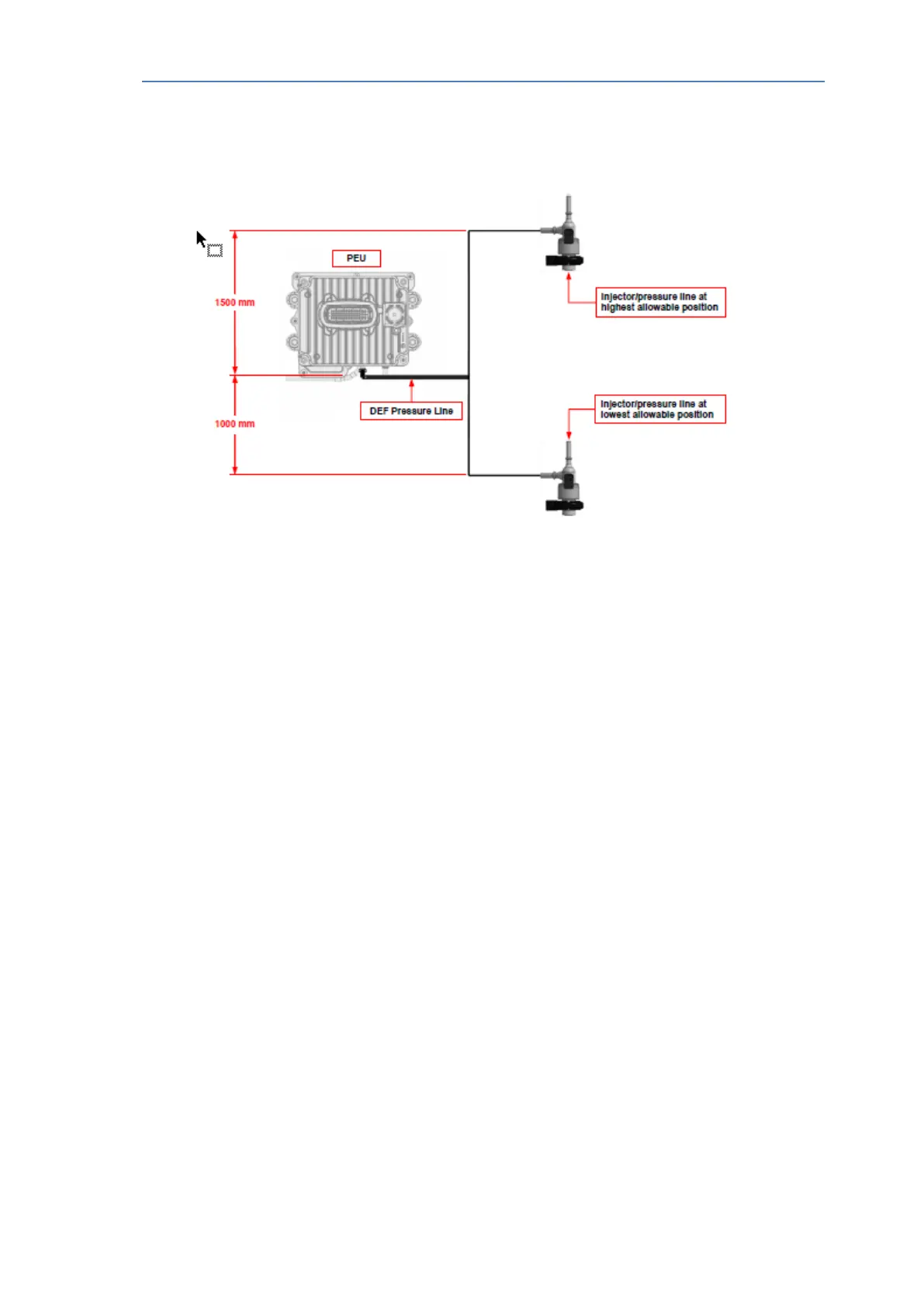
2.8.2 PEU to DEF injector
There are limitations on the relative position of the PEU outlet and the DEF injector inlet
connection; these are detailed in fig 2.4 below.
Fig 2.4 – PEU Relative Position to DEF Injector
The longest DEF pressure line allowed is 4000 mm.
The lowest point on the DEF pressure line, which attaches to the injector, should be no
more than 1000 mm lower than the bottom of the PEU.
The highest point on the DEF pressure line, which attaches to the injector, should be no
more than 1500 mm higher than the bottom of the PEU
A P-Trap should be used to prevent DEF pooling at the injector.
This requires the lines lowest point to be at least 100mm lower than the injector
connection.
A&I manual Publication TPD 1832 Production issue 3. Page 12 of 41

Table of Contents

Other manuals for Perkins 1204F-E44TTA

Related product manuals