EasyManua.ls Logo

Perkins 403D-07 - Engine Description; Engine Specifications

Perkins 403D-07
100 pages
Print Icon
To Next Page IconTo Next Page
To Next Page IconTo Next Page
To Previous Page IconTo Previous Page
To Previous Page IconTo Previous Page
Loading...
Engines with Factory Installed
Radiators
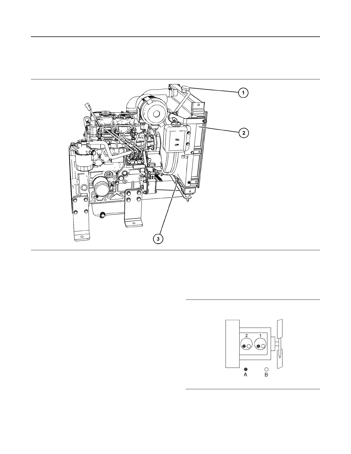
Illustration 15 g06530978
Typical view of the 403D-11 IOPU engine.
(1) Coolant filler cap (2) Radiator (3) Radiator drain plug
i06782463
Engine Description
The 400 series engines are built in several different
variants. Naturally aspirated, turbocharged, and
turbocharge aftercooled. The engine range covers
two cylinder, three cylinder and four cylinder engines.
The 400 series engines can be operated as variable
speed or can operate as constant speed engines.
Engine Specifications
Note: The front end of the engine is opposite the
flywheel end of the engine. The left and the right side
of the engine is determined from the flywheel end.
The No. 1 cylinder is the front cylinder.
402D-05 Engine
Illustration 16 g01108476
(A) Exhaust valves
(B) Inlet valves
SEBU8311-09
19
Product Information Section
Engine Description

Related product manuals