EasyManua.ls Logo

Perlesmith PSXLF02 - Page 13

Perlesmith PSXLF02
16 pages
Print Icon
To Next Page IconTo Next Page
To Next Page IconTo Next Page
To Previous Page IconTo Previous Page
To Previous Page IconTo Previous Page
Loading...
lml TV Bolts [Only one bolt size
fits
your TV]
! _ NOTE: The
bolts_
are_ shown_
in_
actual
size._
7
M6
x 15mm
[C1] x 4
~
MB
x 15mm
[01]
X 4
MB
x 35mm
[03)
X 4
M6
MS
M6 x 35mm
[C2] x 4
MB
x 25mm
[02)
X 4
MB
x 50mm
[04) X 4
Ci
~
f
-?
=
2:
~~~
---
"c
p
~=r
l
~
~ =
==
-
-~
Arm Assembly / Wall Plate
lmllx1
03
Wall Plate Template
ml
X 1
11
~
11
Level
mJ
X 1
I
I
I
I
I
I
I
I
I
I
I
I
I
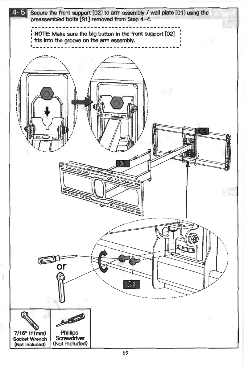
Secure the
front
support [02]
to
arm assembly / wall plate [01]
using
the
preassembled bolts [S1] removed from Step
4-4
.
,-----------------------------------------~
:
NOTE:
Make sure the big button
in
the front support [02] :
: fits into the groove
on
the arm assembly. '
,--
--
...
, '
I '
I '
'
\
'
\
'
~
,
--"-"-=---
---
,,,.,
-
--
........
I \
I \
I \
I \
I
---
-
--~
\
\,',,,_
',,
_______
_
______________
_
7/16"
(11mm)
Phillips
Screwdriver
(Not Included)
Socket Wrench
(Not Included)
12
',
'
'
'
' \
\
I
I
I
I
I
I
I
I
I

Related product manuals