EasyManua.ls Logo

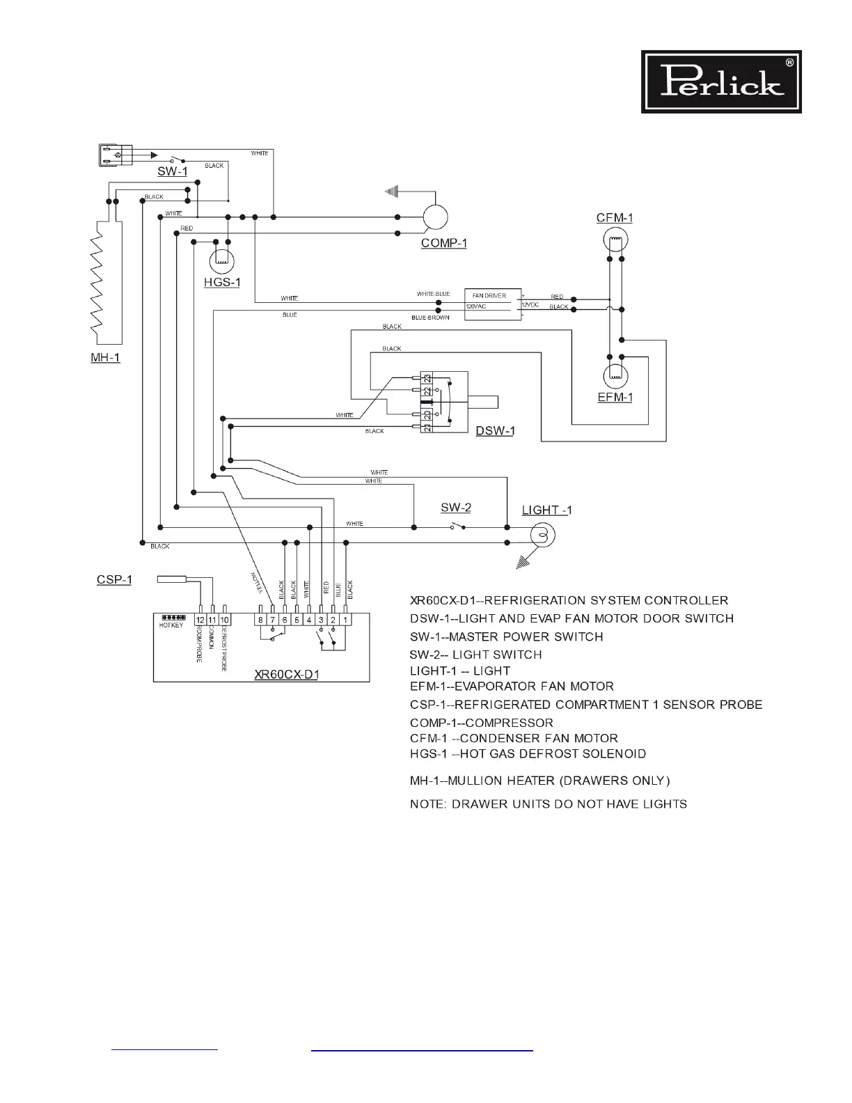
Perlick HH24 - Figure 8-6. HA Freezers Wiring Diagram

Perlick HH24
125 pages
Print Icon
To Next Page IconTo Next Page
To Next Page IconTo Next Page
To Previous Page IconTo Previous Page
To Previous Page IconTo Previous Page
Loading...
Return to Table of Contents
Figure 8-6. HA Freezers Wiring Diagram
Residential Refrigeration
and Front Venting Commercial Refrigeration
Service Manual
Electrical System Repair Instructions Page 8-7

Table of Contents

Other manuals for Perlick HH24

Related product manuals