EasyManua.ls Logo

philippi BLS - Page 4

philippi BLS
18 pages
Print Icon
To Next Page IconTo Next Page
To Next Page IconTo Next Page
To Previous Page IconTo Previous Page
To Previous Page IconTo Previous Page
Loading...
Battery-Monitor BLS
REV 1A APR 2019 - Software Version 1A page 4
Therefore, the Shunt SHE 300 should be permanently connected to the battery. If the monitor is
switched off, the shunt SHE goes into sleep mode and the current consumption of the shunt drops
to 2 mA. This does not represent a special load for the battery. If the battery system remains for
more than 3 months without charge, the shunt should also be disconnected from the battery.
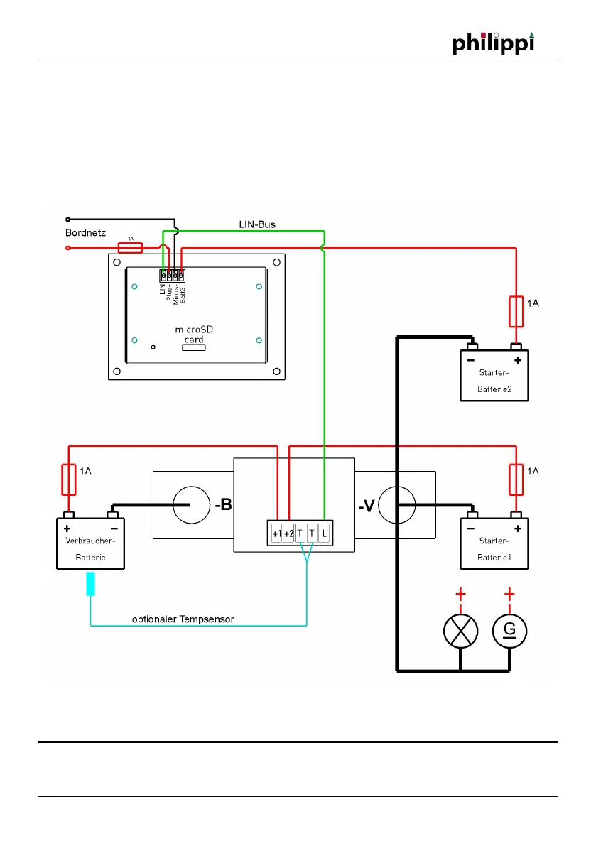
The following figure gives an overview of the connection of the monitor and the shunt SHE 300. The
LIN bus connecting cable between the monitor and the shunt takes place via a 1-core cable. This can
also consist of any or existing line. The cable cross-section should be min. 1mm² and max. 1.5 mm².
3.2. Shunt
Mount the Shunt SHE 300 in a protected, dry place as close as possible to the battery. The shunt
must be connected to the NEGATIVE path of the battery.

Related product manuals