EasyManua.ls Logo

Philips 32HF7445/93 - Page 34

Philips 32HF7445/93
77 pages
Print Icon
To Next Page IconTo Next Page
To Next Page IconTo Next Page
To Previous Page IconTo Previous Page
To Previous Page IconTo Previous Page
Loading...
江南家电维修论坛会员专用!
http://bbs.520101.com
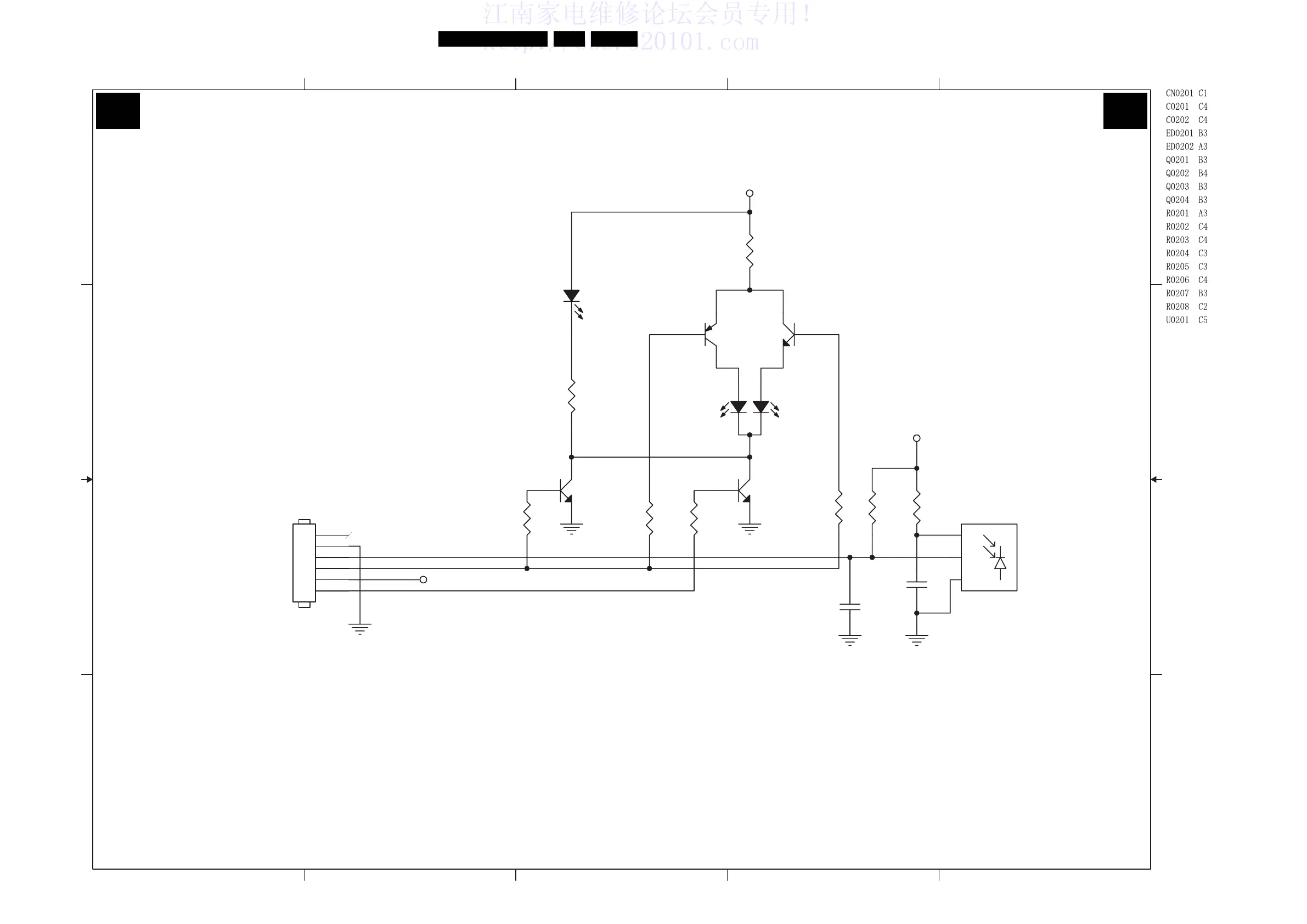
34TPT1.1HA LA 7.
Circuit Diagrams and PWB Layouts
IR & LED Panel
1
1
2
2
3
3
4
4
5
5
A A
B B
C C
D D
+5V_STBY
+5V_STBY
+5V_STBY
Q0202
BC847C
3
2
1
R0205
4K7
C0202
100N 25V(NI)
U0201
TSOP34136SB1
3
1
2
VS
OUT
GND
CN0201
CONN
1
2
3
4
5
6
Q0203
BC858CG
3
1
2
C0201
1U 16V
R0207
180R 1/10W
R0202
220R
R0206
4K7
LED0201
KPB-3025SYKPBAC
1
3
2
4
Q0201
BC847C
3
2
1
Q0204
BC847C(NC)
3
2
1
R0201
330R
R0208
4K7(NC)
R0203
4K7
LED0202
Transceiver
12
R0204
10K
J J
H_17010_047.eps
190907
IR & LED PANEL

Related product manuals