EasyManua.ls Logo

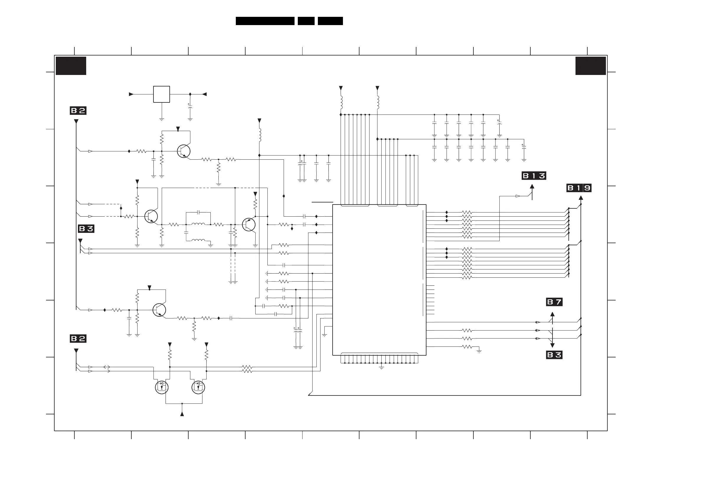
Philips 32PF5320/28 - Ssb: Adc (B18)

Philips 32PF5320/28
94 pages
Print Icon
To Next Page IconTo Next Page
To Next Page IconTo Next Page
To Previous Page IconTo Previous Page
To Previous Page IconTo Previous Page
Loading...
Circuit Diagrams and PWB Layouts
45LC4.3U AA 7.
SSB: ADC
COM
OUTIN
0
3
4
5
6
7
GND
REF_BYPASS
MIDSCV
FILT
SDA
SCL
VSYNC
SOGIN
CLAMP
COAST
A0
GAIN
BAIN
HSYNC
RAIN
VD VDD PVD
RED
GREEN
0
1
2
3
4
5
6
7
BLUE
2
2
1
1
7
6
5
4
3
SOGOUT
VSOUT
HSOUT
DATACK
0
ADC
TO COLUMBUS
FROM SYNC INTERFACE
TO HERCULES
FROM HERCULES
RES
TO SCALER
SYNC INTF
0R
0R
RES
RES
RES
RES
RES
RES
RES
RES
RES
RES
RES
RES
3V3
5V4
0V9
1V5
5V4
0V9
1V5
0R
0R
9883(MSTAR)
RES
RES
0R
RES
RES
RES
7L05 A2
7L06 F2
7L07 F3
7L08 C3
IL01 C5
IL02 C5
IL03 C5
IL04 B1
IL05 C1
IL06 E1
IL07 C4
IL08 C4
IL09 E3
IL10 C7
IL11 C7
IL12 C7
IL13 D7
IL14 D7
IL15 D7
IL16 A3
IL17 B4
IL18 A5
IL19 B6
3L27-2 D7
3L27-3 D7
3L27-4 D7
3L28-1 D7
3L28-2 D7
3L28-3 D7
3L28-4 D7
3L30 E7
3L31 E7
3L32 E7
3L33 B3
3L34 C4
3L35 E3
3L36 E2
3L37 E3
3L38 C3
3L39 C4
4L00 D3
4L01 D3
4L02 C1
4L03 C1
4L04 C3
4L05 C4
5L00 B4
5L01 A5
5L02 A6
5L03 C3
5L04 C3
7L01 B3
7L02 C2
7L03 E2
7L04 C5
2L39 C3
3L00 B2
3L01 B2
3L03 B2
3L04 B3
3L05 B3
3L06 C1
3L07 C2
3L08 C3
3L09 C2
3L10 C2
3L11 C2
3L12 E1
3L13 D2
3L15 E2
3L16 E2
3L17 E3
3L18 E4
3L19 F3
3L20 F3
3L21 C4
3L22 D4
3L23 D4
3L24 D4
3L25-1 C7
3L25-2 C7
3L25-3 C7
3L25-4 C7
3L26-1 C7
3L26-2 C7
3L26-3 C7
3L27-1 D7
2L03 A7
2L04 A7
2L05 A8
2L06 A8
2L07 B7
2L08 B7
2L09 B7
2L10 B8
2L11 B8
2L13 C4
2L15 D4
2L17 E3
2L18 E4
2L19 E4
2L20 D4
2L21 D4
2L22 B5
2L23 B5
2L24 B5
2L26 C4
2L27 A8
2L28 B9
2L29 B4
2L30 A3
2L31 E4
2L32 E5
2L33 B8
2L34 B8
2L35 B2
2L36 E1
2L37 C3
2L38 C3
5L04
10u
9
A
B
C
D
E
F
A
B
C
D
E
F
2L02 A7
123456789
12345678
4L05
+5VSWIA
3L39
3L38
7L08
3L08
3L11
150R
7L02
BC847BW
+5VSWIA
IL19
IL17
IL18
IL16
2L38
4L04
5L03 10u
82p
2L39
68p
2L37
+3V3SWB
+3V3SWB
3L37
3K3
+3V3SWB
3K3
3L36
BSN20
7L07
3
1
23
1
2
7L06
BSN20
2L36
2L35
100n
2L33 2L34
100n
IL14
IL15
IL13
IL12
IL10
IL11
IL08
IL09
IL07
2L31
100u
16V
16V
100u
2L32
+3V3SWB
+5VSWIA
16V10u
2L30
7L05
LD1117DT33
1
32
4L03
3L35
220R
3L34
3L33
220R
IL06
IL04
IL05
IL02
IL03
IL01
4L02
7L03
BC847BW
+5VSWIA
+5VSWIA
4L01
4L00
2L29
10u16V
2L28
16V10u
2L27
10u 16V
+3V3SWB
+3V3SWB +3V3SWB
3L16
330R
3L10
3L04
BC847BW
7L01
3L15
3L09
3L03
22
23
69
78
79
64
31
49
65
39
42
45
46
51
52
59
62
11
77
76
75
74
73
72
71
70
58
56
57
3
2
66
30
37
26
27
34
35
54
24
25
28
32
36
9
8
7
6
5
4
53
60
61
63
68
10
80
20
21
29
67
33
48
1
40
41
44
47
50
43
19
18
17
16
15
14
13
12
38
Φ
7L04
AD9985KSTZ
FLAT PANEL DISPLAY
ANALOG INTERFACE FOR
55
2K23L32
2K23L22
5L02
3L21 2K2
2L08
100n 100n
2L092L07
100n
2L112L10
10u 100n
100n
2L03
100n
2L04
2L06
10u 100n
5L01
2L02
5L00
100n
2L22
10u
2L05
2L23
100n
2L24
100n
2L15
3L23
2L19 8n2
82n 2K72L18 3L18
150R3L20
150R
3L19
3L28-4 22R
3L28-2 22R
3L28-3 22R
3L28-1 22R
3L27-4
22R
3L27-3 22R
3L27-2 22R
22R
3L27-1
3L26-2
3L26-3 22R
22R
3L26-1 22R
3L25-4 22R
3L25-3 22R
3L25-2 22R
3L25-1
22R
3L24
2K2
1K0
3L12
150R
3L17
3L13
47n
2L17
3L06
3L07
2L26
220n
1K0
3L00
150R
3L05
3L01
2L13 47n
2L21 100n
22R3L31
3L30 22R
100n
2L20
CVBS_COMB
INTF_Y_OUT
COL_Di(1)
COL_Di(2)
COL_Di(3)
COL_Di(4)
COL_Di(5)
COL_Di(6)
COL_Di(7)
SCL
SDA
Hsync_SDTV
Vsync_SDTV
COL_Di(1:7)
COL_YA(1:8)
COL_YA(1)
COL_YA(2)
COL_YA(3)
COL_YA(4)
COL_YA(5)
COL_YA(6)
COL_YA(7)
COL_YA(8)
COL_HREF
COL_HREF
COL_VACOL_VA
COL_Di(8)
INTF_V_OUT
INTF_U_OUT
CLAMP_ADC
COL_CLKASA
COL_CLKASA
B18 B18
3139 123 6093.1
F_15270_028.eps
170505

Other manuals for Philips 32PF5320/28

Related product manuals