EasyManua.ls Logo

Philips 32PFL3205/12 - Power Board: Inverter

Philips 32PFL3205/12
64 pages
Print Icon
To Next Page IconTo Next Page
To Next Page IconTo Next Page
To Previous Page IconTo Previous Page
To Previous Page IconTo Previous Page
Loading...
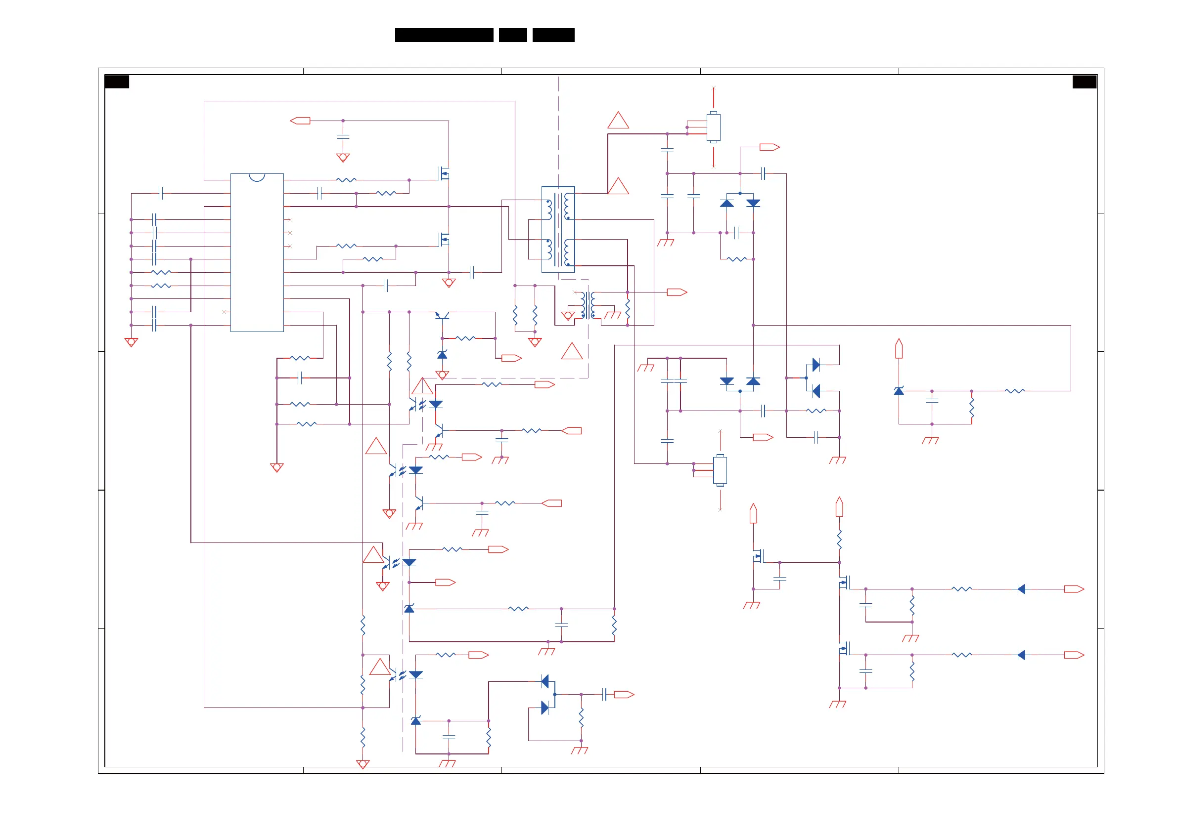
Circuit Diagrams and PWB Layouts
EN 33TPM4.1E LA 10.
2010-Jan-21
Power Board: Inverter, 32"
1
1
2
2
3
3
4
4
5
5
A
A
B
B
C
C
D D
E
E
Vshort
IFB
Vdd
NF
12V
12V
C
D
D
A
A
12V
12V
ENA
DIM
Vdd-S
B+
C
C
B
B
12V
COLD
INVERTER
HOT COLD
!
!
!
!
!
HOT
!
!
CN802 C4 CN803 A3 C801 A2 C802 B2
C803 A2 C804 B2 C805 A4 C806 A3
C807 A3 C808 C3 C809 C3 C810 C4
C811 A1 C812 A1 C813 B1 C814 B1
C815 B1 C816 B1 C817 E3 C819 C1
C821 D3 C823 B1 C824 E2 C825 C4
C826 A3 C827 B4 C828 C3 C829 D4
C830 E4 C831 D4 C832 C5 C833 C2
C834 D2 D801 A4 D802 C4 D803 C4
D804 D5 D805 E5 D806 E3 IC801 A1
IC803 C2 IC804 C2 IC805 D2 IC806 E2
Q801 A2 Q802 B2 Q803 D4 Q804 D4
Q805 E4 Q806 B2 Q807 D2 Q808 E2
Q809 C4 Q810 C2 Q811 C2 R801 A2
R802 B2 R803 B4 R804 B2 R805 E3
R806 B1 R807 C1 R808 B2 R809 C1
R810 B1 R811 B2 R812 C2 R813 C2
R814 D2 R
815 E2 R816 E2 R817 E2
R818 E2 R819 C5 R820 D3 R821 C4
R822 B3 R823 B3 R824 D2 R825 B3
R826 D3 R827 B1 R828 D5 R829 E5
R830 D4 R831 E4 R832 D4 R834 A2
R835 B2 R836 C5 R837 C3 R838 C2
Q805
RK7002
Q805
RK7002
R803
68K 1/8W 1%
R803
68K 1/8W 1%
R820
390KOHM +-1%
R820
390KOHM +-1%
R817
2K7 1/8W 1%
R817
2K7 1/8W 1%
C812
220N 50V
C812
220N 50V
C803
10nF
C803
10nF
C809
15pF/6KV
C809
15pF/6KV
Q809
KIA431A-AT/P
Q809
KIA431A-AT/P
C832
10N 50V
C832
10N 50V
Q806
BC848CLG
Q806
BC848CLG
IC804
EL817MA
IC804
EL817MA
12
43
C806
1N2 50V
C806
1N2 50V
IC806
EL817MA
IC806
EL817MA
12
43
D806
BAV99
D806
BAV99
3
1
2
R815
3K6 1/8W 1%
R815
3K6 1/8W 1%
Q801
FQPF8N60C
Q801
FQPF8N60C
R801
22R 1/8W 5%
R801
22R 1/8W 5%
R832
10K 1/6W 5%
R832
10K 1/6W 5%
C826
100P 50V_NC
C826
100P 50V_NC
R807
100K 1/8W 1%
R807
100K 1/8W 1%
C829
100N 50V
C829
100N 50V
R838
10K 1/8W 1%
R838
10K 1/8W 1%
C834
10N 50V
C834
10N 50V
Q802
FQPF8N60C
Q802
FQPF8N60C
C817
56P 50V
C817
56P 50V
R816
47K 1/8W 1%
R816
47K 1/8W 1%
R804
470R 1/8W 1%
R804
470R 1/8W 1%
C828
220P 50V_NC
C828
220P 50V_NC
C821
100N 50V
C821
100N 50V
R827
0 OHM +-5% 1/8W
R827
0 OHM +-5% 1/8W
C807
15pF/6KV
C807
15pF/6KV
R822
10K 1/8W 1%
R822
10K 1/8W 1%
R818
150K 1/8W +/-1%
R818
150K 1/8W +/-1%
R810
0 OHM +-5% 1/8W
R810
0 OHM +-5% 1/8W
Q811
PMBS3904
Q811
PMBS3904
1
32
C831
100N 50V
C831
100N 50V
D805
1N4148
D805
1N4148
T801
TRF-UU9.8
T801
TRF-UU9.8
16
2
4 3
5
C808
1N2 50V
C808
1N2 50V
D801
BAV99
D801
BAV99
3
1
2
C824
10N 50V
C824
10N 50V
C805
470P 50V
C805
470P 50V
R826
10K 1/8W 1%_NC
R826
10K 1/8W 1%_NC
R814
2K7 1/8W 1%
R814
2K7 1/8W 1%
C811
15N 50V
C811
15N 50V
IC805
EL817MA
IC805
EL817MA
12
43
IC801
UBA2071
IC801
UBA2071
IFB
1
CIFB
2
VFB
3
CVFB
4
CSWP
5
CT
6
CF
7
IREF
8
CPWM
9
N,FAULT
12
PWMd
13
PWMa
14
EN
15
VDD
16
PGND
17
NC
19
NC
20
GL
18
SGND
10
COMM
11
NC
21
SH
22
GH
24
FS
23
Q807
KIA431A-AT/P
Q807
KIA431A-AT/P
C819
100N 50V
C819
100N 50V
CN803
CONN
CN803
CONN
1
2
3
4 5
R819
390KOHM +-5% 1/4W_NC
R819
390KOHM +-5% 1/4W_NC
Q804
RK7002
Q804
RK7002
R824
10K 1/6W 5%
R824
10K 1/6W 5%
Q803
RK7002
Q803
RK7002
ZD801
MTZJT-7213B
ZD801
MTZJT-7213B
1 2
R806
33K 1/8W 1%
R806
33K 1/8W 1%
D803
BAV99
D803
BAV99
3
1
2
D802
BAV99
D802
BAV99
3
1
2
C814
220N 50V
C814
220N 50V
R829
5K6 +-1% 1/8W
R829
5K6 +-1% 1/8W
R802
22R 1/8W 5%
R802
22R 1/8W 5%
R835
10K 1/8W 1%
R835
10K 1/8W 1%
R823
27R +-1% 1/8W
R823
27R +-1% 1/8W
R821
68K 1/8W 1%
R821
68K 1/8W 1%
R811
100K 1/8W 1%
R811
100K 1/8W 1%
R808
100K 1/8W 1%
R808
100K 1/8W 1%
C830
100N 50V
C830
100N 50V
D804
1N4148
D804
1N4148
IC803
EL817MA
IC803
EL817MA
12
43
Q808
KIA431A-AT/P
Q808
KIA431A-AT/P
R837
10K 1/8W 1%
R837
10K 1/8W 1%
R834
10K 1/8W 1%
R834
10K 1/8W 1%
C815
56P 50V
C815
56P 50V
C802
330NF 450V
C802
330NF 450V
R828
5K6 +-1% 1/8W
R828
5K6 +-1% 1/8W
R805
330K 1/8W 1%
R805
330K 1/8W 1%
C827
22N 50V
C827
22N 50V
R813
2K7 1/8W 1%
R813
2K7 1/8W 1%
CN802
CONN
CN802
CONN
1
2
3
4 5
C823
470P 50V
C823
470P 50V
C816
56P 50V
C816
56P 50V
R809
39KOHM +-5% 1/8W
R809
39KOHM +-5% 1/8W
C833
10N 50V
C833
10N 50V
T803
TRF-UU28
T803
TRF-UU28
6
5
7
4
1
83
2
R831
56K 1/8W +/-1%
R831
56K 1/8W +/-1%
Q810
PMBS3904
Q810
PMBS3904
1
32
R812
2K7 1/8W 1%
R812
2K7 1/8W 1%
R830
56K 1/8W +/-1%
R830
56K 1/8W +/-1%
C804
2U2 25V
C804
2U2 25V
C801
100N 50V
C801
100N 50V
R825
24R 1/8W 1%
R825
24R 1/8W 1%
C813
2N7 50V
C813
2N7 50V
C825
2N7 50V
C825
2N7 50V
R836
33K 1/8W 1%
R836
33K 1/8W 1%
C810
470P 50V
C810
470P 50V
18850_525_100107.eps
100107
A02
Inverter
A02

Related product manuals