EasyManua.ls Logo

Philips 32PFL3605/12 - Page 3

Philips 32PFL3605/12
64 pages
Print Icon
To Next Page IconTo Next Page
To Next Page IconTo Next Page
To Previous Page IconTo Previous Page
To Previous Page IconTo Previous Page
Loading...
Technical Specifications, Connections
EN 3TPM4.1E LA 2.
2011-Jan-21
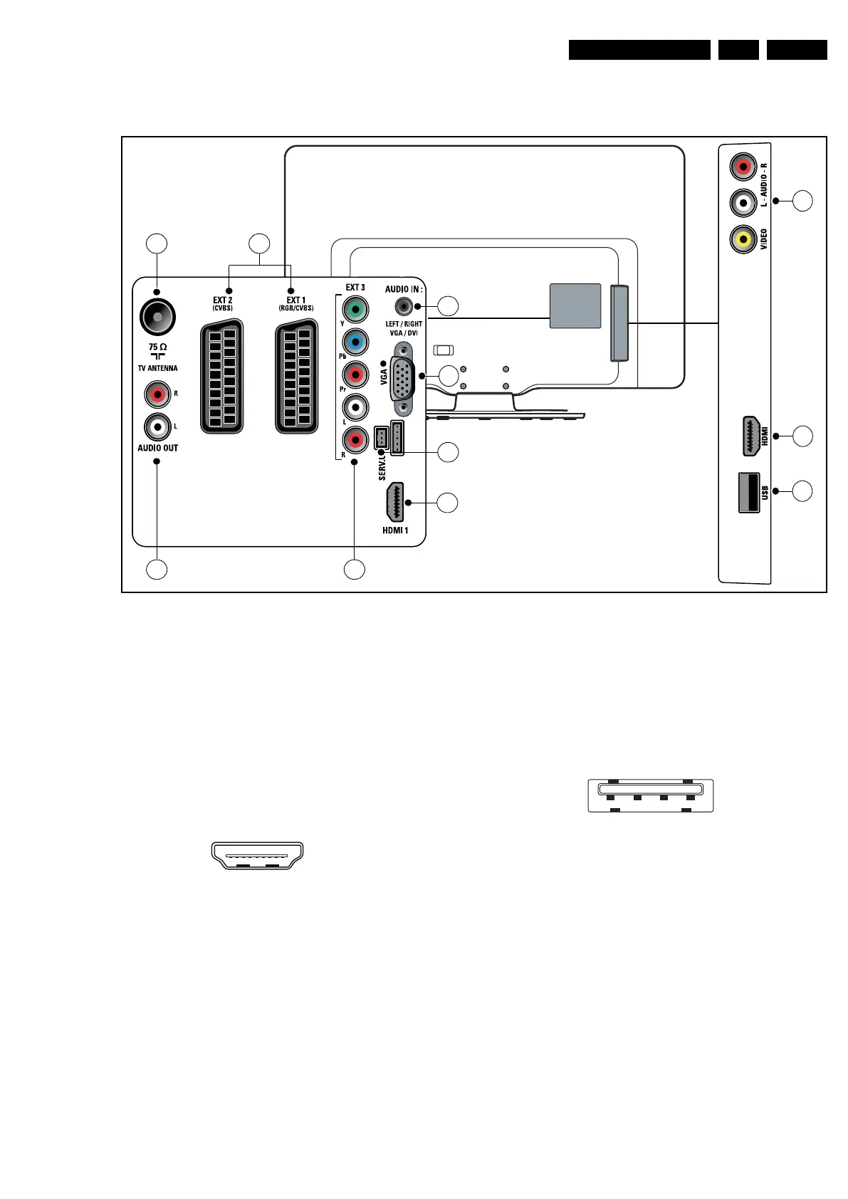
2.3 Connections
Figure 2-1 Connection overview
Note: The following connector colour abbreviations are used
(acc. to DIN/IEC 757): Bk= Black, Bu= Blue, Gn= Green,
Gy= Grey, Rd= Red, Wh= White, Ye= Yellow.
2.3.1 Side Connections
1 - Cinch: Video CVBS - In, Audio - In
Ye - Video CVBS 1 V
PP
/ 75 jq
Rd - Audio R 0.5 V
RMS
/ 10 k jq
Wh - Audio L 0.5 V
RMS
/ 10 k jq
2 - HDMI: Digital Video, Digital Audio - In
Figure 2-2 HDMI (type A) connector
1 - D2+ Data channel j
2 - Shield Gnd H
3 - D2- Data channel j
4 - D1+ Data channel j
5 - Shield Gnd H
6 - D1- Data channel j
7 - D0+ Data channel j
8 - Shield Gnd H
9 - D0- Data channel j
10 - CLK+ Data channel j
11 - Shield Gnd H
12 - CLK- Data channel j
13 - n.c.
14 - n.c.
15 - DDC_SCL DDC clock j
16 - DDC_SDA DDC data jk
17 - Ground Gnd H
18 - +5V j
19 - HPD Hot Plug Detect j
20 - Ground Gnd H
3 - USB2.0
Figure 2-3 USB (type A)
1-+5V k
2 - Data (-) jk
3 - Data (+) jk
4 - Ground Gnd H
2.3.2 Rear Connections
4 - TV ANTENNA - In
Signal input from an antenna, cable or satellite.
5 - Audio - Out: Left / Right
Wh - Audio - L 0.5 V
RMS
/ 10 k kq
Rd - Audio - R 0.5 V
RMS
/ 10 k kq
18870_001_100107.eps
100308
1
2
3
9
8
10
11
4
6
7
5
10000_017_090121.eps
090428
19
1
18 2
1 2 3 4
10000_022_090121.eps
090121

Other manuals for Philips 32PFL3605/12

Related product manuals