EasyManua.ls Logo

Philips 32PFS5709/12 - A 715 G6743 Psu

Philips 32PFS5709/12
247 pages
To Next Page IconTo Next Page
To Next Page IconTo Next Page
To Previous Page IconTo Previous Page
To Previous Page IconTo Previous Page
Loading...
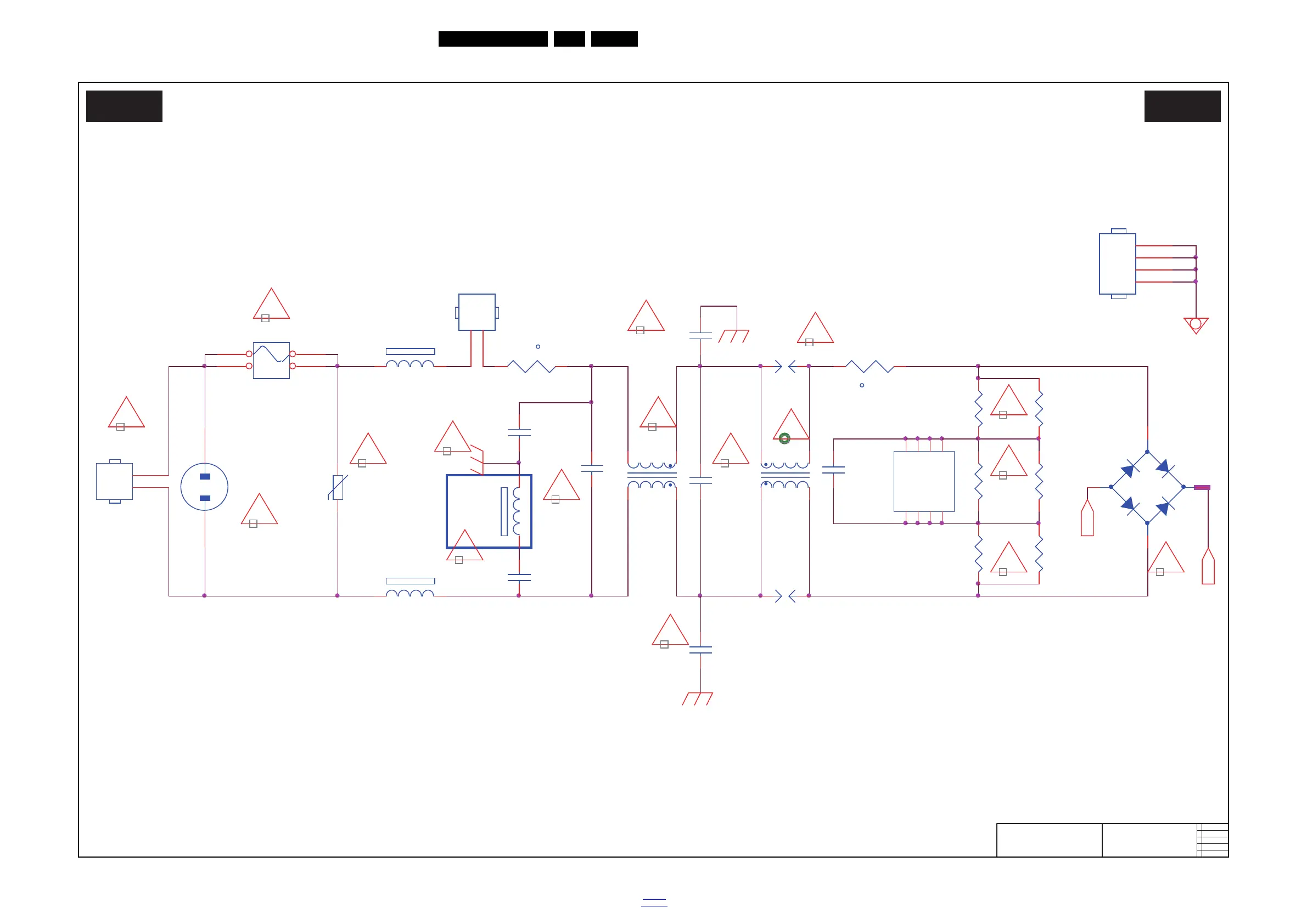
Circuit Diagrams and PWB Layouts
EN 141TPM14.2E LA 10.
2014-Sep-26
back to
div.table
10.11 A 715G6743 PSU
10-11-1 AC input
19617_500.eps
AC input
A01 A01
2014 07 15
715G6743
AC input
FB9901
BEAD
1 2
IC9901
CAP004DG-TL
NC
1
D1
2
D1
3
NC
4
NC
5
D2
6
D2
7
NC
8
FB9902
BEAD
12
SG9901
NC/DSPL-501N-A21F
F9901
FUSE
1 2
3 4
t
NR9902
2.5R
12
FB9903
127R_NC
12
!
!
!
R9903
NC
R9904
NC
C9901
47PF
R9905
1M 1% 1/4W
R9906
1M 1% 1/4W
R9901
1M 1% 1/4W
R9902
1M 1% 1/4W
CN9902
SOCKET
12
C9905
470NF 275V
C9906
470NF 275V
L9902
12MH
1
2
4
3
HD9901
NC
1
2
3
4
CN9903
NC/CONN
L
1
N
2
C9903
100PF 250V_NC
SG9902
NC/DSPL-501N-A21F
L9901
12MH
1
2
4
3
CN9901
NC/CONN
1
2
Vsin
C9904
100PF 250V_NC
R-
!
!!
!
!
!
!
!
!
!
!
!
!
!
T5.0AH/250V
C9910
220PF 250V
-
+
BD9901 TS10K80-02
2
1
3
4
C9911
220PF 250V
RV9901
680V
t
NR9901
2.5R
1 2

Related product manuals