EasyManua.ls Logo

Philips 32PFS5709/12 - A 715 G6385 Psu

Philips 32PFS5709/12
247 pages
Print Icon
To Next Page IconTo Next Page
To Next Page IconTo Next Page
To Previous Page IconTo Previous Page
To Previous Page IconTo Previous Page
Loading...
Circuit Diagrams and PWB Layouts
EN 97TPM14.2E LA 10.
2014-Sep-26
back to
div.table
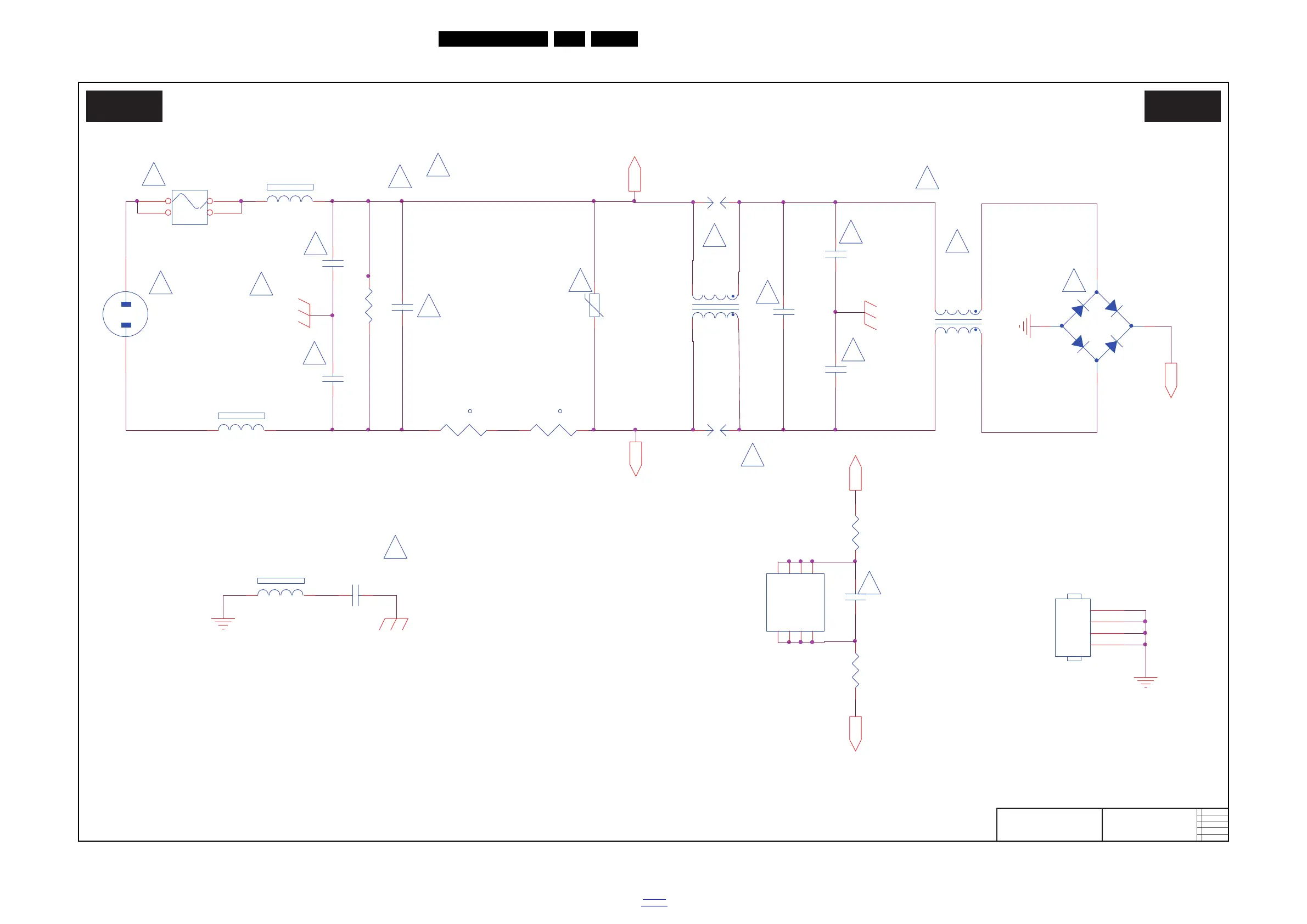
10.3 A 715G6385 PSU
10-3-1 AC input
19611_500.eps
AC input
A01 A01
2013 10 31
715G6385AC input
R9902 NC
C9903
100PF 250V
C9904
100PF 250V
!
1 2
FB9902
BEAD
1 2
FB9901
BEAD
SG9901
NC
SG9902
NC
RV9901
680V
1
2
CN9901
SOCKET
R9901
NC
R9903
NC
!
!
!
1
2
3
4
HS9901
HEAT SINK
C9902
470NF 275V
!
!
1 2
FB9903
BEAD
!
!
1
2
4
3
L9902
12mH
C9901
470NF 275V
!
!
1 2
3 4
F9901
FUSE T5AH/250V
NC
1
D1
2
D1
3
NC
4
NC
5
D2
6
D2
7
NC
8
IC9901
NC
!
1 2
t
NR9901
2.5R
!
!
C9907
470pF 250V
C9908
NC
!
C9905
470PF 250V
1
2
4
3
L9901
12mH
!
!
C9906
470PF 250V
!
1 2
t
NR9902
2.5R
!
!
B
Vsin
A
A
B
7/29
2
1
3
4
-
+
BD9901
10A 800V KBJ

Related product manuals