EasyManua.ls Logo

Philips 32PFS5709/12 - IC Data Sheets

Philips 32PFS5709/12
247 pages
Print Icon
To Next Page IconTo Next Page
To Next Page IconTo Next Page
To Previous Page IconTo Previous Page
To Previous Page IconTo Previous Page
Loading...
IC Data Sheets
EN 73TPM14.2E LA 8.
2014-Sep-26
back to
div. table
8. IC Data Sheets
This chapter shows the internal block diagrams and pin
configurations of ICs that are drawn as “black boxes” in the
electrical diagrams (with the exception of “memory” and “logic”
ICs).
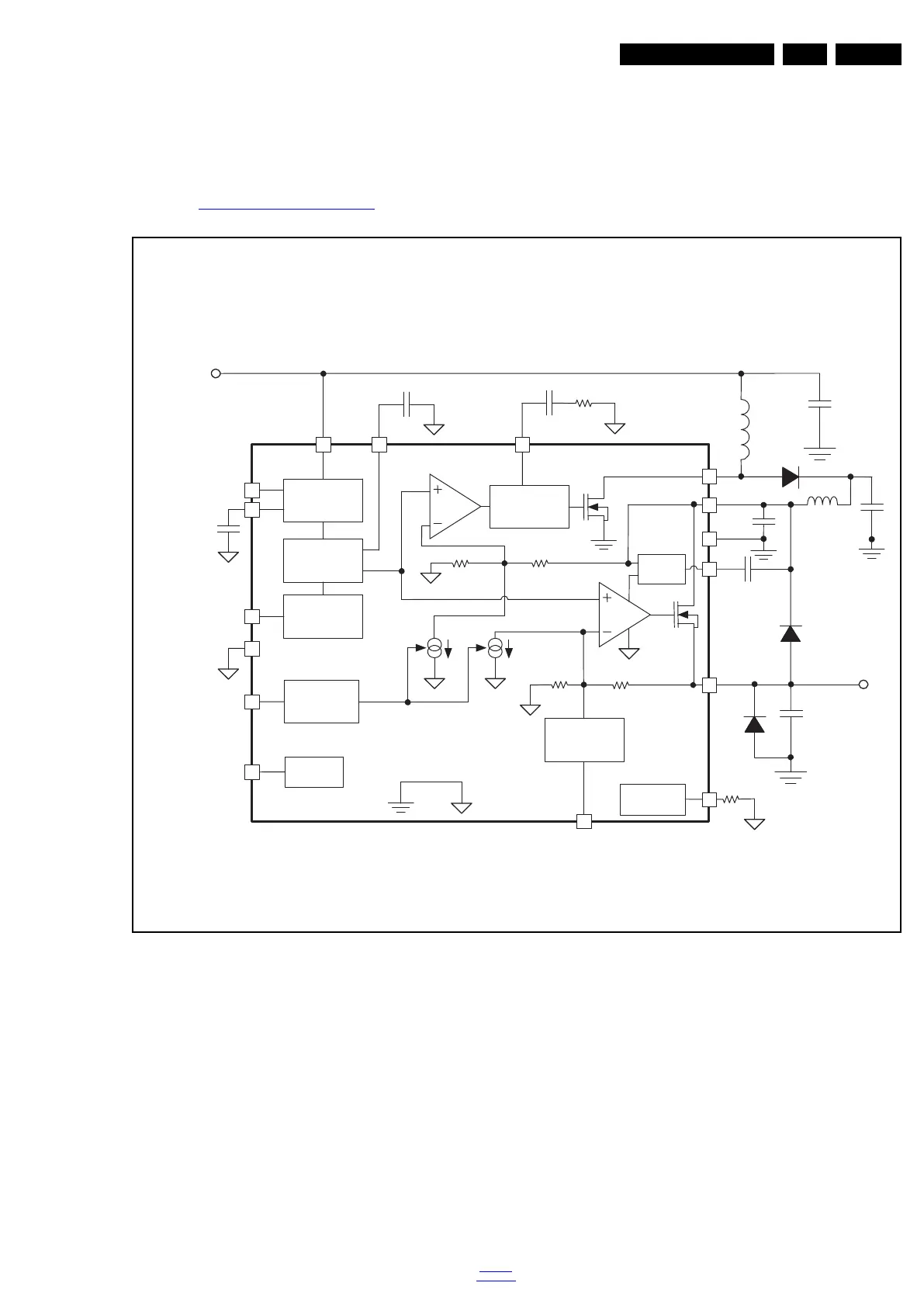
8.1 Diagram 10-14-2 System Power 2, B02,MP8126DF-LF-Z (IC U751)
Figure 8-1 Internal block diagram
19610_300.eps
Block diagram
MP8126 – LNB
Vref
Boost
Driver
22kHz
Shaper
13V / 18V
Switch
8~14V Vin
BYPASS
13V/18V
POK
VBOOST
COMP
BST
+1V Offset
Internal
Regulator
Charge
Pump
TCAP
EXTM
VDD
SGND
PGND
SW
POK
LINEDROP
13V/18V
VOUT
ILIMIT
EN
Current
Limit

Related product manuals