EasyManua.ls Logo

Philips 32PFS5709/12 - Page 79

Philips 32PFS5709/12
247 pages
Print Icon
To Next Page IconTo Next Page
To Next Page IconTo Next Page
To Previous Page IconTo Previous Page
To Previous Page IconTo Previous Page
Loading...
IC Data Sheets
EN 79TPM14.2E LA 8.
2014-Sep-26
back to
div. table
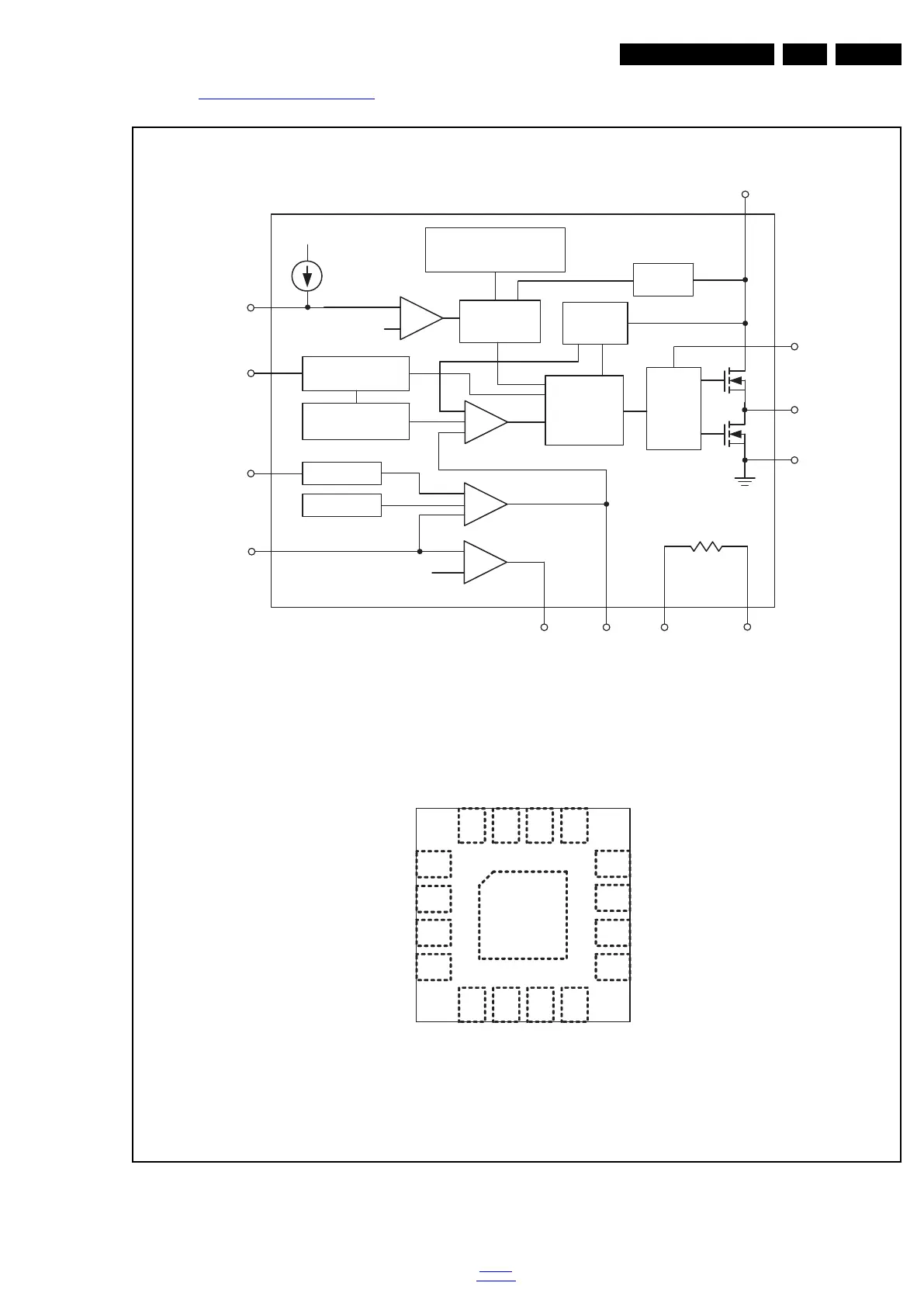
8.5 Diagram 10-15-1 System Power 1 B01, RT8079ZQW (IC U701)
Figure 8-7 Internal block diagram and pin configuration
19530_309_130724.eps
130724
Block diagram
Pinning information
GND
GND
VIN
VIN
SW
SW
SS/TR
SW
AGND
COMP
FB
RT/SYNC
VIN
EN
BOOT
PGOOD
12
11
10
9
13141516
1
2
3
4
8765
GND
17
RT8079ZQW
EN
VIN
SW
FB
Slope
Compensation
Shutdown
Control
Over Temperature
Protection
Current
Sense
Driver
Control
Logic
PWM
Comparator
GND
BOOT
UVLO
Error
Amplifier
Oscillator
Soft-Start
V
REF
EN Threshold
PGOOD Threshold
GND
SS/TR
AGND
COMP
RT/SYNC
PGOOD
PGOOD Comparator
Internal pull up
current
Enable Comparator

Related product manuals