EasyManua.ls Logo

Philips 32PHS4032/12 - Page 103

Philips 32PHS4032/12
118 pages
Print Icon
To Next Page IconTo Next Page
To Next Page IconTo Next Page
To Previous Page IconTo Previous Page
To Previous Page IconTo Previous Page
Loading...
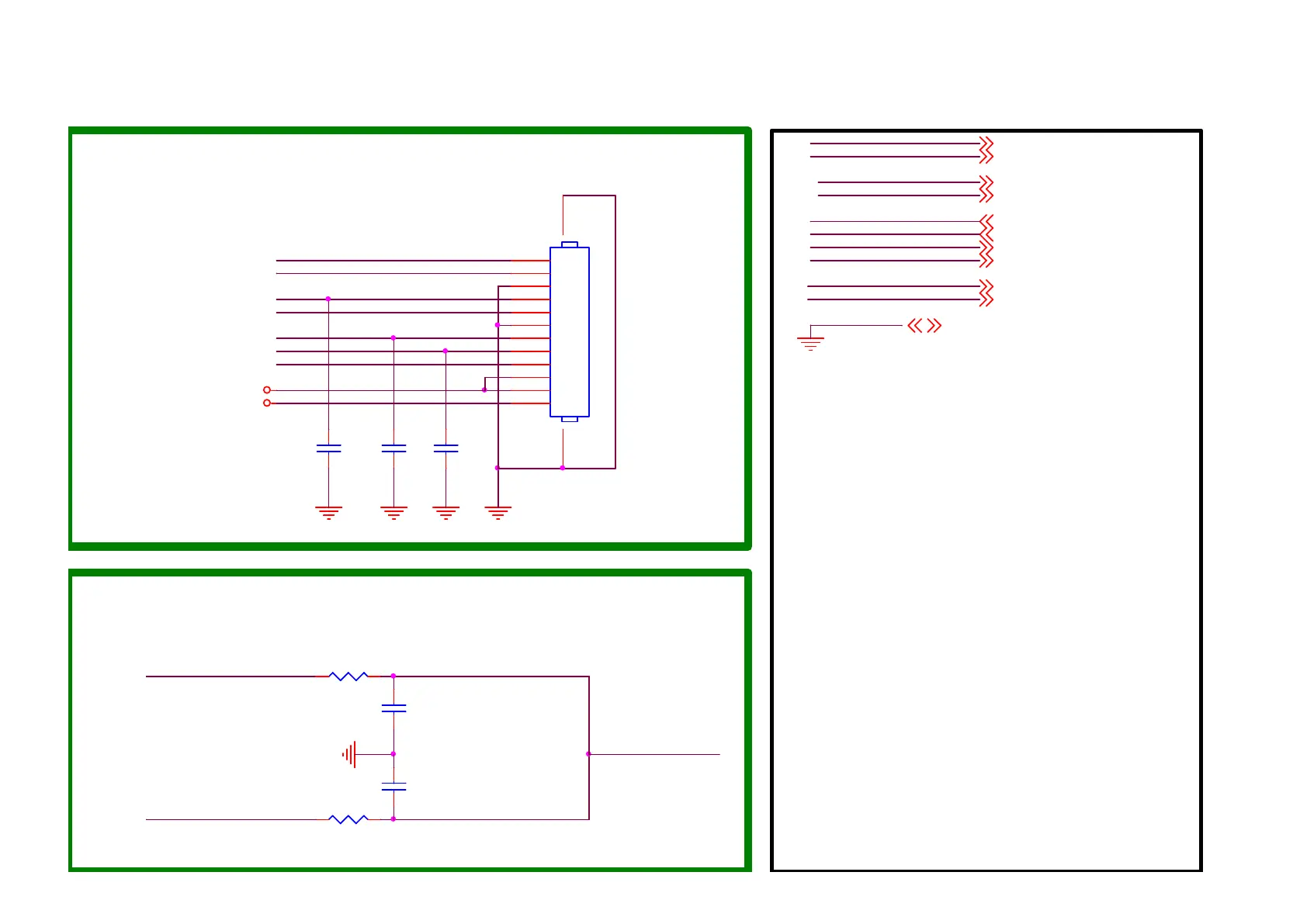
8-9-14 Ambilight
IR_RC
IR_SSB
R641 NC/0R
+5V_SW 4,9,11,14,16,17,19
DV33SB 4,6,10,12
+5V_SW
DV33SB
Bathroom SPK audio out for BUH
AUOUT_R0
AUOUT_L0
R635 NC/0R
C613
NC/1N 50V
BATH_L_R
DV33SB
+5V_SW
C667
NC/1N 50V
MIPS_RXB
MIPS_TXB
CN116
NC/CONN
1
2
3
4
5
6
7
8
9
10
11
12
1314
BATH_AMP_EN
PWR_ON_2
IR_SSB
IR_RC
IR_SSB 10
IR_RC 10
GND
GND 4,5,6,7,8,9,10,11,12,13,14,15,16,17,19
MIPS_RXB 5,11,16
MIPS_TXB
MIPS_RXB
AUOUT_R0 7
AUOUT_L0 7
MIPS_TXB 5,11,16
BATH_AMP_EN 10
BATH_AMP_EN
AUOUT_L0
AUOUT_R0
PWR_ON_2 4
PWR_ON_2
For BUH daughter board
C668
NC/1N 50V
BATH_L_R
C666
NC/1N 50V
C633
NC/1N 50V