EasyManua.ls Logo

Philips 32PHS4032/12 - Page 57

Philips 32PHS4032/12
118 pages
Print Icon
To Next Page IconTo Next Page
To Next Page IconTo Next Page
To Previous Page IconTo Previous Page
To Previous Page IconTo Previous Page
Loading...
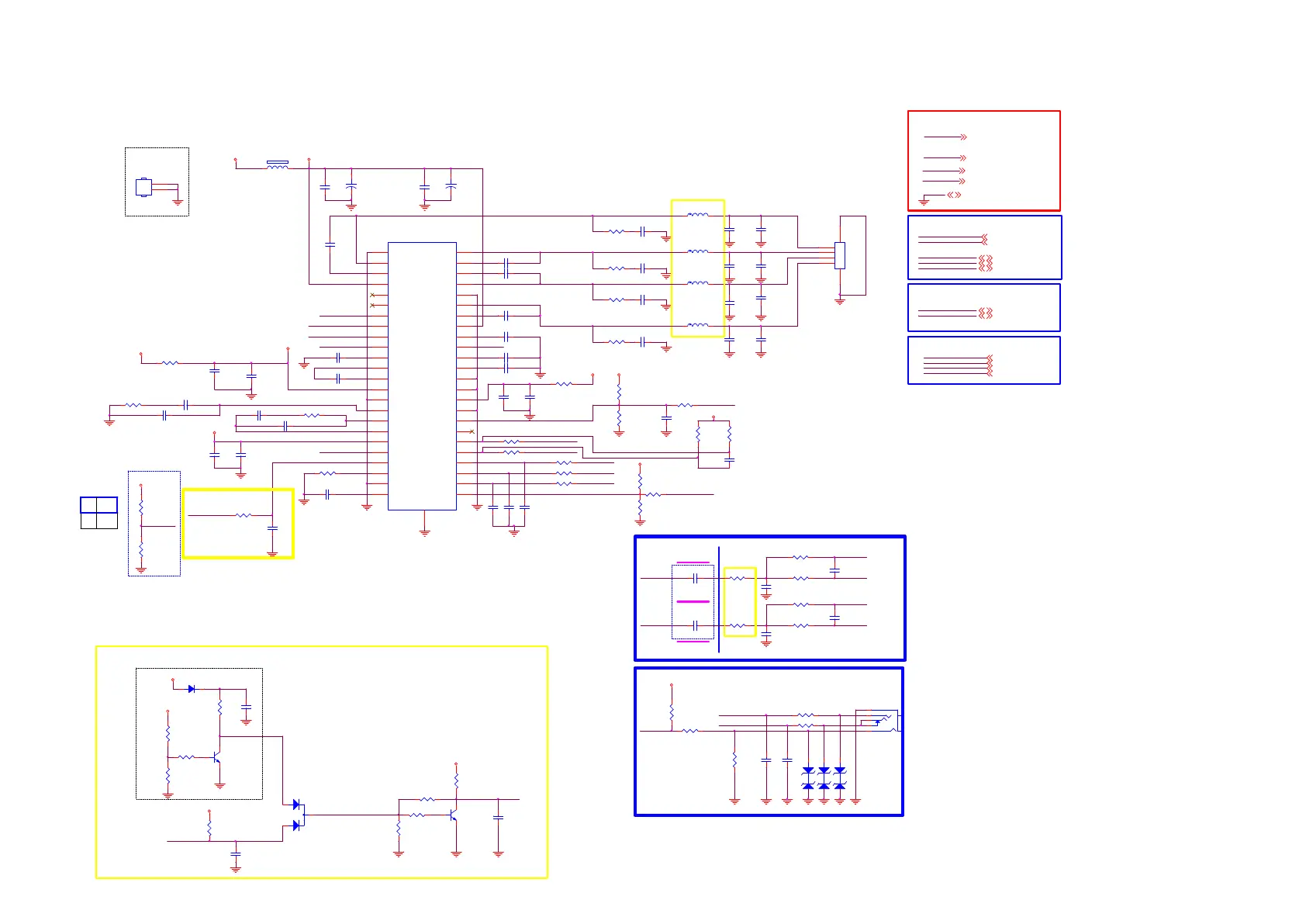
8-6-11 SPK AMP/HP OUT
HPOUTR
C628
4U7 10V
HPOUTL
ZD 601
AZ5123-01H
12
C636
NC/ 2.2UF
R647
10K 1/16W 5%
R601
18R 1/10W 1%
R620
33 OH M 1/16W
I2SOUTC_BCLK
R629
10K 1/16W 5%
R603
18R 1/10W 1%
C615
1UF 16V
R604
18R 1/10W 1%
R631
10K 1/16W 5%
356G0616048603, AUDIO TAS5753MDDCAR 20W HTSSOP-48 for
4-band DRC
HPOUTR
C619
1UF 16V
R627
10K 1/16W 5%
HS601
HEAT SIN K
1
2
R628
27K 1/16W 5%
R630
27K 1/16W 5%
HPL_IN
C644
22PF 50V
I2SOUTC_BCLK
R625
33 OHM 1/16W
R675
0R05 1/ 16W
HPR_I N
HPOUTL
R657
5.1K 1%
HPOUTR
HPOUTL
R658
4.7K 1/16W
HP_SD
R665
470R 1/16W 5%
C653
10UF 6.3V 20%
D601
BAS316WS
D602
BAV70
3
1
2
R666
1K 1/16W 1%
C652
100NF 16V
DV33
ZD 602
AZ5123-01H
12
+5V_STB
CN602
PHON E JACK
1
2
4
5
3
R2
R2
R1
R1
+5V_SW 4,9,11,17
+5V_STB
+5V_SW
4/27 Modify by
Novatek
AUD IO_12V 4, 11,13,17, 18
+5V_STB 4,6,11
AUD IO_12V
AMP_SDA 11
GND 4,5,6,7,8,9,10,11,12,13,15,16,17,18
AMP_SCL 11
I2SOUTC_WS 7
I2SOUTC_DATA 7
AMP_RESET 11
R668
4.7K 1/16W
I2SOUTC_BCLK 7
DV33 4,5,10,11,12,13,17
AMP_RESET
DV33
AMP_SCL
AMP_SDA
I2SOUTC_BCLK
I2SOUTC_DATA
I2SOUTC_W S
GND
POP NOISECLOSE POWER
AC OFF
C645
4U7 10V
H:HP MUTE L:HP ON
DC OFF
DV33
A_MUTE
R669
NC/10K 1/16W 5%
R670
NC/0R05 1/16W
HP_EN 10
HP_EN
C651
22UF 10V
ROUT-
FB601
120R 6A
12
AUD IO_12V
L601 10uH
C623
100NF 16V
C617 1UF 25V
C621 2.2nF 50V
R614
33 OHM 1/16W
AMP_SCL
AMP_SDA
R612
33 OHM 1/16W
C646
22PF 50V
Q90T0092 1: 7mm
CN601
CONN
1
2
3
4
5 6
AMP_POWER
+5V_SW
C604
4.7U F
C647
47pF 50V
0402
C648
47pF 50V
HPL_IN
R671
10K 1/16W 5%
Q602
MMBT3904
R672
2.2K 1/16W
GPIO
HPR_I N
L602 10uH
AMP_3V3
L603 10uH
L604 10uH
AMP_3V3
C624
1UF 10V
R617
18.2K OHM 1% 1/16W
C601
4.7UF
AMP_RESET
R607
470R 1/16W 1%
HP_DET
AUDIO /IF
HP_DET 11
AMP_3V3
R+
P90T0066101: 5mm
R602
18R 1/10W 1%
C605
330pF 50V
C631 4.7NF 50V
C629 47nF 16V
MIPS/UART/I2C/ICE
C610
330pF 50V
L+
ZD603
AZ5123-01H
12
C614
330pF 50V
C618
330pF 50V
Gain= -R2/R1=
-27/10=-2.7
C649 4.7NF 50V
C632 47nF 16V
R606
NC/ 10K
R608 470R 1/16W 1%
Grounding
AMP_PDN
ADR
C650
22PF 50V
C654
22PF 50V
AMP_3V3
AMP_3V3
AUOU T_L1
PreAmp output
DV33
AUOU T_R1
Close to
NT72461
C655
100NF 16V
0X56
R626
10K 1/16W 5%
0X54
C656
330pF 50V
C657
330pF 50V
C620 1UF 10V
Lo
Close to Audio AMP
I2SOUTC_DATA
I2SOUTC_WS
R616
33 OH M 1/16W
R618
33 OH M 1/16W
C626 1UF 10V
Grounding
C658 4.7UF 10% 10V
RESET_AMP
+
C602
100uF 25V
U601
TAS5753MDDCAR
GND
1
OUTA
2
BSTA
3
PVDD
4
PWM1
5
PWM2
6
HPIL
7
HPOL
8
HPOR
9
HPIR
10
HPVSS
11
CN
12
AVDD_REG2
37
SSTIMER
38
HP_SD
39
GVDD_REG
40
PVDD
41
BSTD
42
OUTD
43
GND
44
OUTC
45
BSTC
46
BSTB
47
OUTB
48
GND
36
GND
35
TEST
33
DVD D
34
RESET
32
NC
31
SCL
30
SDA
29
SDI N1
28
SCLK
27
LRCLK
26
PDN
25
CP
13
HPVDD
14
GND
15
FLTM
16
FTLP
17
AVDD_R EG1
18
AVDD
19
ADR
20
MCLK
21
ROSC
22
GND
23
DVDD _REG
24
E-Pad
49
R621
10K 1/16W 5%
R619
NC
ADR
AMP_3V3
I2C Address
L-
C622 100NF 16V
C627
100NF 16V
LOUT+
L+
C611
1UF 16V
11/23 22uH to 10uH, 073G253S 81 M
R-
L-
C608
33nF 50V
C609 33nF 50V
C612 33nF 50V
C616 33nF 50V
R-
Heat Sink
24*9
AMP_3V3
0402
R+
Hi
R605
NC/10K 1/16W 5%
HP_SD
R673
10K 1/16W 5%
Q601
LMBT3904LT1G
R632
0R05 1/16W
AMP_PWRDN
AMP_PWRDN
C659
2.2UF 16V
C660
2.2UF 16V
R633
4.7K 1/16W
AMP_PWRDN 10
AMP_3V3
R634
4.7K 1/16W
LOUT-
ROUT+
R674
0R05 1/16W
R676
0R05 1/16W
AUOUT_L1
AUOUT_R1
AUOUT_R1 7
AUOUT_L1 7
FB602 0R05 1/16W
R622
0R05 1/16W
C607
1UF 16V
FB603
0R05 1/ 16W
HP_MUTE
C606
NC/ 22UF 10V
+
C603
100uF 25V
R609
10K 1/ 16W 5%
C625
1NF
C664
47nF 16V
U602
C665
47nF 16V
367G311C101FLT367G311C101FLT
HP_DET
C661
1NF
R677
NC/ 0R05 1/16W
C662
1NF
HP_EN
C663
1NF

Other manuals for Philips 32PHS4032/12

Related product manuals