EasyManua.ls Logo

Philips 32PHS4032/12 - Page 99

Philips 32PHS4032/12
118 pages
Print Icon
To Next Page IconTo Next Page
To Next Page IconTo Next Page
To Previous Page IconTo Previous Page
To Previous Page IconTo Previous Page
Loading...
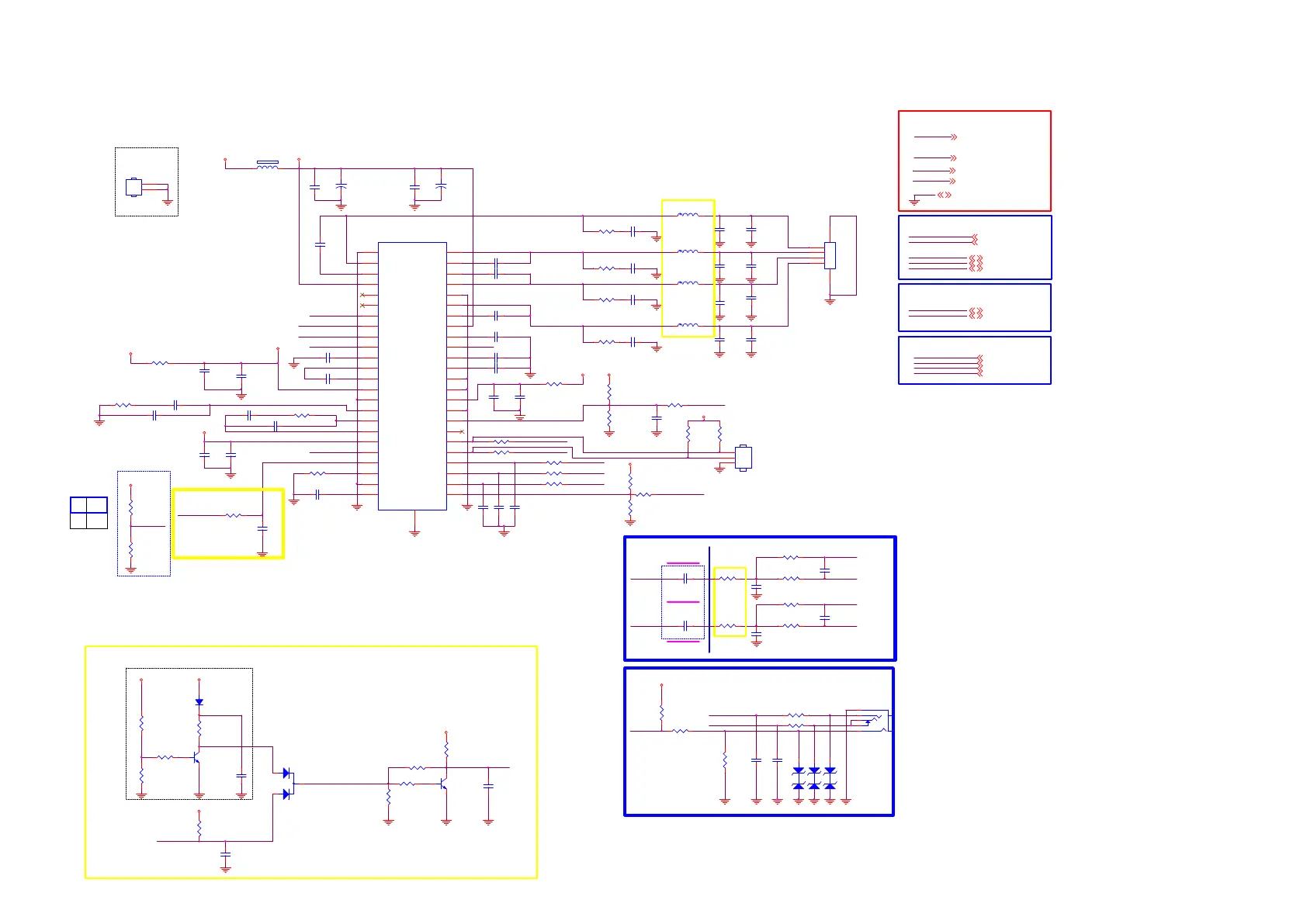
8-9-10 SPK AMP/HP OUT
HPOU TR
C628
4U7 10V
HPOU TL
ZD 601
AZ5123-01H
12
C636
NC/2.2UF
R647
10K 1/16W 5%
R601
18R 1/10W 1%
R620
33 OHM 1/16W
I2SOUTC_BCLK
R629
10K 1/ 16W 5%
R603
18R 1/10W 1%
C615
1UF 16V
R604
18R 1/10W 1%
R631
10K 1/ 16W 5%
356G0616048603, AUDIO TAS5753MDDCAR 20W HTSSOP-48 for
4-band DRC
HPOUTR
C619
1UF 16V
R627
10K 1/ 16W 5%
HS601
HEAT SIN K
1
2
R628
27K 1/16W 5%
R630
27K 1/16W 5%
HPL_IN
C644
22PF 50V
I2SOUTC_BCLK
R625
33 OHM 1/16W
R675
0R05 1/16W
HPR _IN
HPOUTL
R657
5.1K 1%
HPOUTR
HPOUTL
R658
4.7K 1/16W
HP_SD
R665
470R 1/16W 5%
C653
10UF 6.3V 20%
D601
BAS316WS
D602
BAV70
3
1
2
R666
1K 1/16W 1%
C652
100NF 16V
DV33
ZD602
AZ5123-01H
12
+5V_STB
CN602
PHONE JACK
1
2
4
5
3
R2
R2
R1
R1
+5V_SW 4,9,11,16,17,18,19
+5V_STB
+5V_SW
4/27 Modify by
Novatek
AUDIO_12V 4
+5V_STB 4,6, 11
AUD IO_12V
AMP_SDA 11
GND 4,5,6,7,8,9,10,11,12,13,15,16,17,18,19
AMP_SCL 11
I2SOUTC_WS 7
I2SOUTC_DATA 7
AMP_RESET 11
R668
4.7K 1/16W
I2SOUTC_BCLK 7
DV33 4,5,10,11,12,13,17, 19
AMP_RESET
DV33
AMP_SCL
AMP_SDA
I2SOUTC_BCLK
I2SOUTC_DATA
I2SOUTC_W S
GND
POP NOISECLOSE POWER
AC OFF
C645
4U7 10V
H:HP MUTE L:HP ON
DC OFF
DV33
A_MUTE
R669
NC/10K 1/16W 5%
R670
NC/0R05 1/16W
HP_EN 10
HP_EN
C651
22UF 10V
ROUT-
FB601
120R 6A
12
AUD IO_12V
L601 10uH
C623
100NF 16V
C617 1UF 25V
C621 2.2nF 50V
R614
33 OHM 1/16W
AMP_SCL
AMP_SDA
R612
33 OHM 1/16W
C646
22PF 50V
Q90T0092 1: 7mm
CN601
CONN
1
2
3
4
5 6
AMP_POWER
+5V_SW
C604
4.7UF
C647
47pF 50V
0402
C648
47pF 50V
HPL_IN
R671
10K 1/16W 5%
Q602
MMBT3904
R672
2.2K 1/16W
GPIO
HPR_IN
L602 10uH
AMP_3V3
L603 10uH
L604 10uH
AMP_3V3
C624
1UF 10V
R617
18.2K OHM 1% 1/16W
C601
4.7UF
AMP_RESET
R607
470R 1/16W 1%
HP_DET
AUDIO /IF
HP_DET 11
AMP_3V3
R+
P90T0066101: 5mm
R602
18R 1/10W 1%
C605
330pF 50V
C631 4.7NF 50V
C629 47nF 16V
MIPS/UART/I2C/ICE
C610
330pF 50V
L+
ZD 603
AZ5123-01H
12
C614
330pF 50V
C618
330pF 50V
Gain= -R2/R1=
-27/10=-2.7
C649 4.7NF 50V
C632 47nF 16V
R606
NC/10K
R608 470R 1/16W 1%
Grounding
AMP_PDN
ADR
C650
22PF 50V
C654
22PF 50V
AMP_3V3
AMP_3V3
AUOUT_L1
PreAmp output
DV33
AUOUT_R1
Close to
NT72461
C655
100NF 16V
0X56
R626
10K 1/ 16W 5%
0X54
C656
330pF 50V
C657
330pF 50V
C620 1UF 10V
Lo
Close to Audio AMP
I2SOUTC_DATA
I2SOUTC_W S
R616
33 OHM 1/16W
R618
33 OHM 1/16W
C626 1UF 10V
Grounding
C658 4.7UF 10% 10V
RESET_AMP
+
C602
100uF 25V
U601
TAS5753MDDCAR
GND
1
OUTA
2
BSTA
3
PVDD
4
PWM1
5
PWM2
6
HPI L
7
HPOL
8
HPOR
9
HPI R
10
HPVSS
11
CN
12
AVDD_REG2
37
SSTIMER
38
HP_SD
39
GVDD_REG
40
PVDD
41
BSTD
42
OUTD
43
GND
44
OUTC
45
BSTC
46
BSTB
47
OUTB
48
GND
36
GND
35
TEST
33
DVDD
34
RESET
32
NC
31
SCL
30
SDA
29
SDIN1
28
SCLK
27
LRCLK
26
PDN
25
CP
13
HPVDD
14
GND
15
FLTM
16
FTLP
17
AVDD_REG1
18
AVDD
19
ADR
20
MCLK
21
ROSC
22
GND
23
DVD D_REG
24
E-Pad
49
R621
10K 1/16W 5%
R619
NC
ADR
AMP_3V3
I2C Address
L-
C622 100NF 16V
C627
100NF 16V
LOUT+
L+
C611
1UF 16V
11/23 22uH to 10uH, 073G253S 81 M
R-
L-
C608
33nF 50V
C609 33nF 50V
C612 33nF 50V
C616 33nF 50V
R-
Heat Sink
24*9
AMP_3V3
0402
R+
Hi
R605
NC/ 10K 1/16W 5%
HP_SD
R673
10K 1/16W 5%
Q601
LMBT3904LT1G
R632
0R05 1/16W
AMP_PWRDN
AMP_PWRD N
C659
2.2UF 16V
C660
2.2UF 16V
R633
4.7K 1/16W
AMP_PWRD N 10
AMP_3V3
R634
4.7K 1/16W
LOUT-
ROUT+
R674
0R05 1/16W
R676
0R05 1/16W
AUOU T_L1
AUOU T_R1
AUOU T_R1 7
AUOU T_L1 7
FB602 0R05 1/16W
R622
0R05 1/16W
C607
1UF 16V
FB603
0R05 1/16W
HP_MUTE
+
C603
100uF 25V
CN703
NC/CONN
1
2
3
R609
10K 1/16W 5%
C625
1NF
C664
47nF 16V
U602
C665
47nF 16V
367G311C101FLT367G311C101FLT
HP_DET
C661
1NF
R677
NC/0R05 1/16W
C662
1NF
HP_EN
C663
1NF