EasyManua.ls Logo

Philips 32PHT4112/12 - Page 89

Philips 32PHT4112/12
118 pages
Print Icon
To Next Page IconTo Next Page
To Next Page IconTo Next Page
To Previous Page IconTo Previous Page
To Previous Page IconTo Previous Page
Loading...
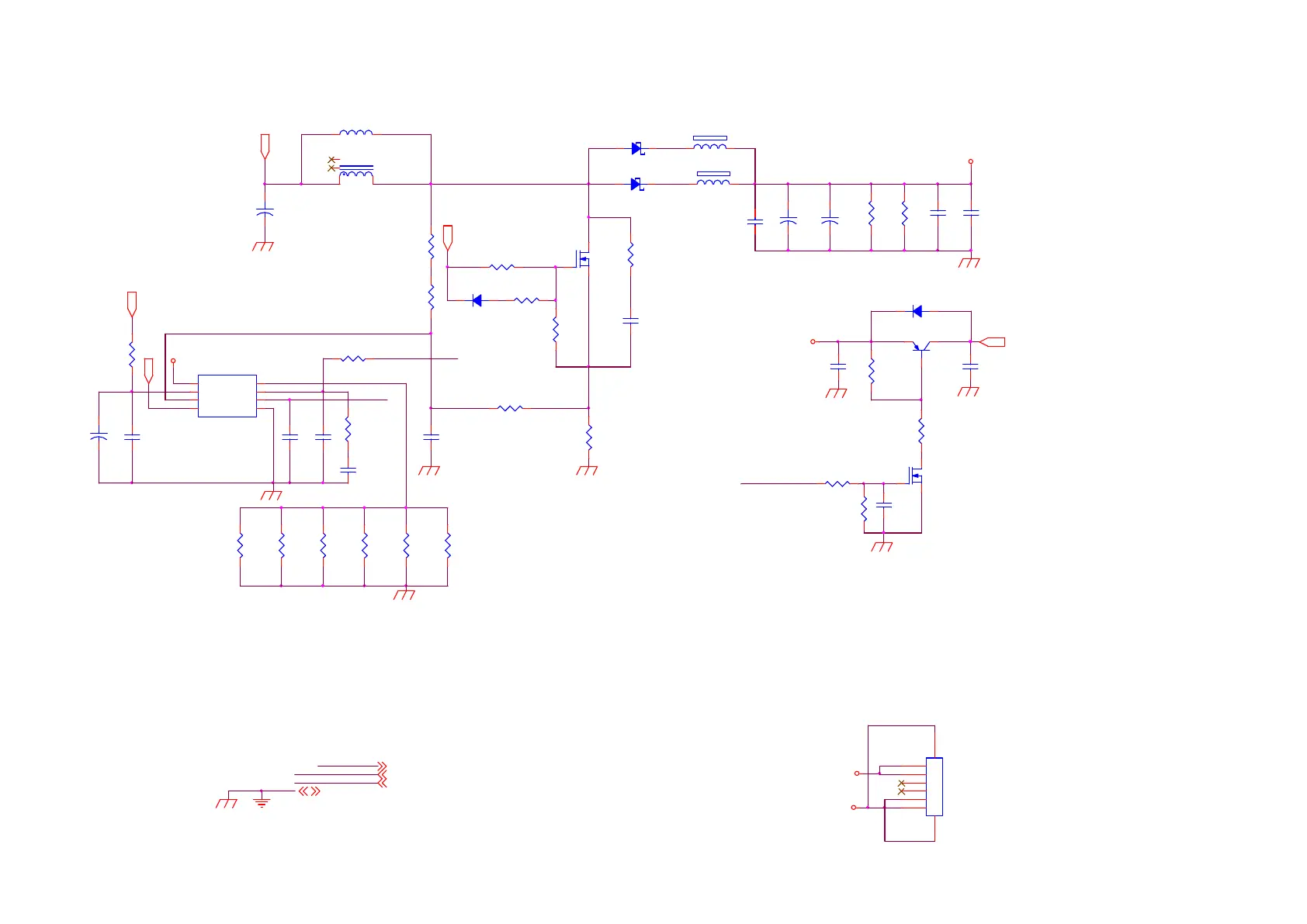
8-8-15 LED Driver
FB8602
BEAD
1 2
INVERTER_ON_OFF
BRIGHT_ADJ
INVERTER_ON_OFF
PWR_12V
BRIGHT_ADJ
C8610
1NF 50V
D8601
SR506
1 2
C8605
100N 50V
+
C8614
10UF50V
Q8601
CY S9240 32A
R8602
0 OHM
Q8602
DTA144WN3/S
R8603
100K
R8612
33K 1/8W 1%
R8608
10K OHM +-5% 1/8W
R8619
10 OHM
D8603
1N4148W
D8602
SR506
1 2
L8601
33uH
8
1
4
6
Q8603
2N7002K
U8601
PF7708BS
LED
1
VCC
2
CS/OVP
3
OUT
4
GND
5
DIM
6
GM
7
FB
8
R8620
15K 1/8W 1%
C8611
10PF 50V
R8604
100K
C8607
1uF
R8615
1.2R 1%
C8616
100N 50V
C8617
100N 50V
+
C8604
220uF 50V
R8609
10R 1/8W 5%
FB8601
BEAD
1 2
L8602
33uH
+
C8601
220uF 50V
C8613
100pF 50V
R8617
1.5R
R8614
1.2R 1%
R8621
0 OHM +-5% 1/8W
R8618
1.5R
R8607
5.1R 1/8W 5%
R8611
33K 1/8W 1%
C8606
1uF
R8606
33K 1/8W 1%
C8609
220PF
R8616
1.5R
C8608
220N 50V
R8613
1.2R 1%
+
C8603
220uF 50V
R8623
330K 1/8W 5%
R8605
10ohm +/-1% 1/8W
R8622
1K OHM +-5% 1/8W
D8604
1N4148W
R8610
4.3K OHM 1%
C8615
100N 50V
C8612
47N 50V
R8601
0R075
OUT
+22V
OUT
VCC
VCC
VLED+
VLED-
INVERTER_ON_OFF 4
BRIGHT_ADJ
INVERTER_ON_OFF
BRIGHT_ADJ 4
GND
GND 4,5,6,7,8,9,10,11,12,13,14,15,16,17,18
PWR_12V 4,11,13,14,17,18
PWR_12V
CN8602
CONN
1
2
3
4
5
6
7 8
VLED+
VLED-

Other manuals for Philips 32PHT4112/12

Related product manuals