EasyManua.ls Logo

Philips 42PFL5403/77 - Connecting External Devices; Understanding Connection Ports

Philips 42PFL5403/77
49 pages
Print Icon
To Next Page IconTo Next Page
To Next Page IconTo Next Page
To Previous Page IconTo Previous Page
To Previous Page IconTo Previous Page
Loading...
48
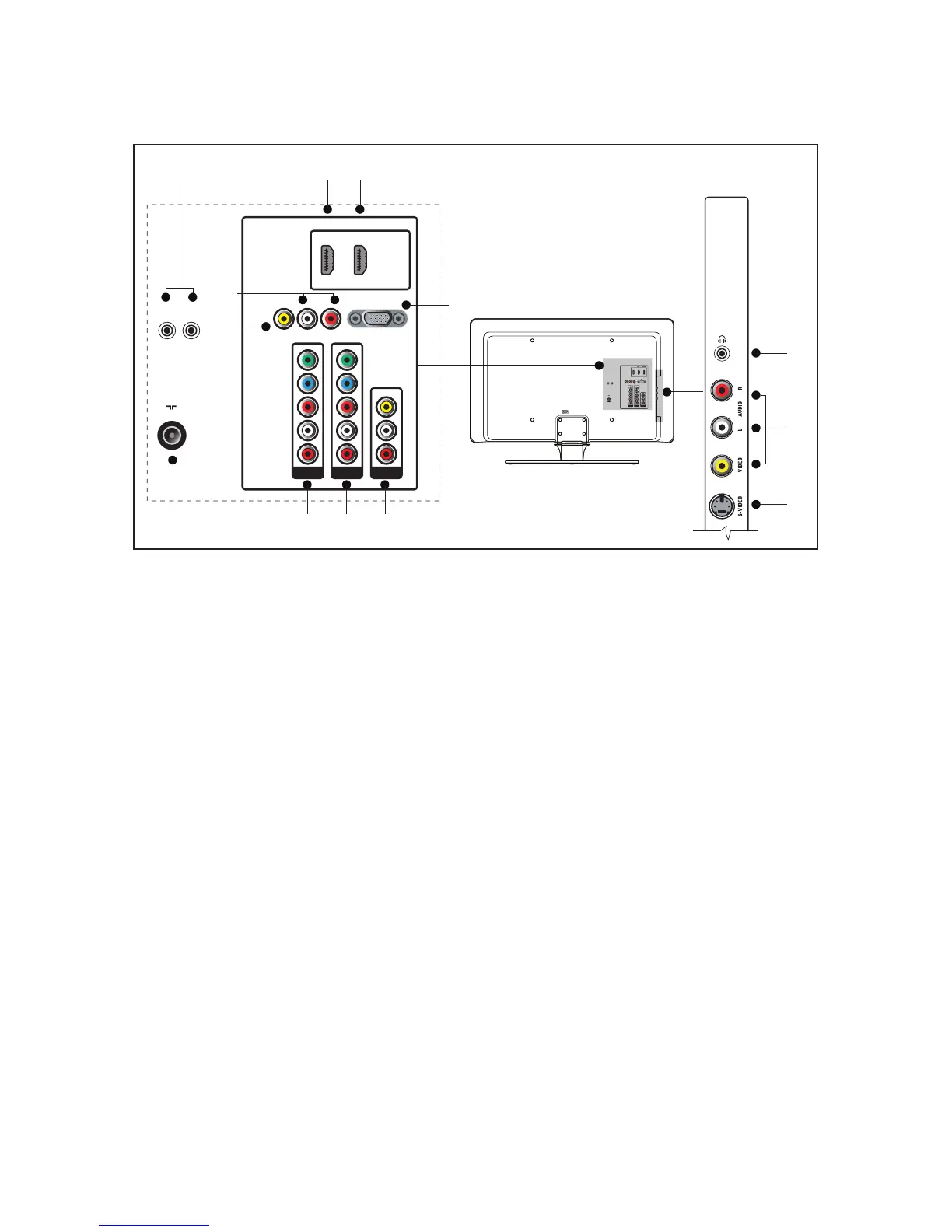
Connect devices
Connection overview
Antenna input1.
CVI-12.
Component video input. Y Pb Pr and
Audio L/R connectors for DVD, digital
receiver or game console, etc.
CVI-23.
Second component video input.
AVI IN4.
Composite video input to be used
together with Audio L/R connectors for
camcorder, game console, etc.
SPDIF Out*5.
Digital audio out.
Not available on all models.
Audio IN for VGA6. .
Service ports7. (For service personnel)
HDMI 1 In 8.
HDMI in connector for Blu-ray Disc
player, HD digital receiver or game
cconsole, etc.
HDMI
3
HDMI 2
AV1 IN
RL
AUDIO IN VGASPDIF OUT
L
R
VIDEO
HDMI 1
CVI-1
L
Pr
Pb
Y
R
CVI-2
L
Pr
Pb
Y
R
SERV . CPBS SX
TV ANT ENNA
75X
AV1 I N
R
AUDIO INSPDIF OUT
L
R
HDMI 1
CVI-1
L
Pr
Pb
Y
R
CVI-2
L
R
SERV. CPBS SX
TV ANTENNA
75X
AV
1 IN
R
A
UDIO INSPDIF OUT
L
R
HDMI 1
CV
I-
1
L
Pr
Pb
Y
R
CV
I-2
L
R
SERV.
C
P
BS SX
TV
ANTENN
A
7
5X
21 3 4
5
6
8 9
10
10
7
12
11
12
13
HDMI 2 In 9.
Second HDMI in connector.
VGA 10.
Video Graphics connector for personal
computers.
Headphones11. (Side)
Stereo Mini Jack.
Video (Side)12.
Video input connector to be used
together with Audio L/R connectors for
camcorder, game console, etc.
S-Video (Side) 13.
S-Video input connector to be used
together with Audio L/R connectors for
camcorder, game console, etc.

Table of Contents

Other manuals for Philips 42PFL5403/77

Related product manuals