EasyManua.ls Logo

Philips 43PUS6412/12 - 6. Circuit Descriptions; 6.1 Introduction

Philips 43PUS6412/12
112 pages
Print Icon
To Next Page IconTo Next Page
To Next Page IconTo Next Page
To Previous Page IconTo Previous Page
To Previous Page IconTo Previous Page
Loading...
6. Circuit Descriptions
6.1 Introduction
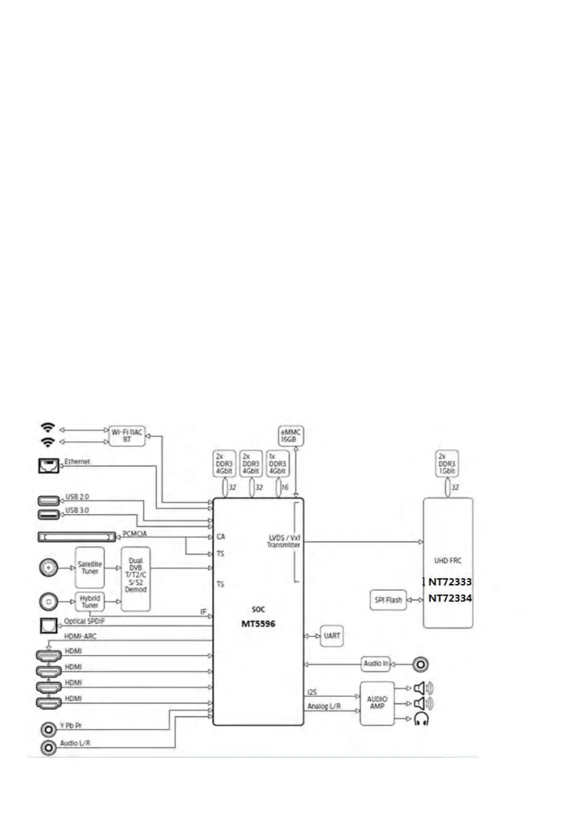
The TPM17.1E LA is a new chassis launched in EU in 2017. The whole range is covered by MT5596UGIJ+ NT72333/NT72334 platform. The major deltas
versus its predecessor support DVB-C, DVB-T, DVB-T2, DVB-S, DVB-S2 with also USB3.0,WIFI/multi-media, Video out
The TPM17.1E LA LA chassis comes with the following stylings:
series xxPUS64x2/xx
series xxPUS7x02/xx
OLED 55POS9002/12
6.1.1 Implementation
Key components of this chassis are:
SCALER MT5596UGIJ HSFBGA-899
SCALER NT72333TBG/BA TFBGA_484
SCALER NT72334TBG/BA HSBGA-670
DEMODULATOR SI2169-D60-GMR QFN-48
FLASH MX25L1606EM2I-12G 16Mb SOP-8(200m)
EMMC THGBMHG7C2LBAIL 16GB BGA-153
AUDIO TAS5760LDDCAR 20W TSSOP-48
TUNER EUROPE TDSY-G480D
TUNER EUROPE TDQS-A701F
6.1.2 Block diagram

Related product manuals