EasyManua.ls Logo

Philips 43PUT6101/12 - Page 45

Philips 43PUT6101/12
116 pages
Print Icon
To Next Page IconTo Next Page
To Next Page IconTo Next Page
To Previous Page IconTo Previous Page
To Previous Page IconTo Previous Page
Loading...
IC Data Sheets
EN 45TPL16.1E LA 8.
2016-Sep-23
back to
div.table
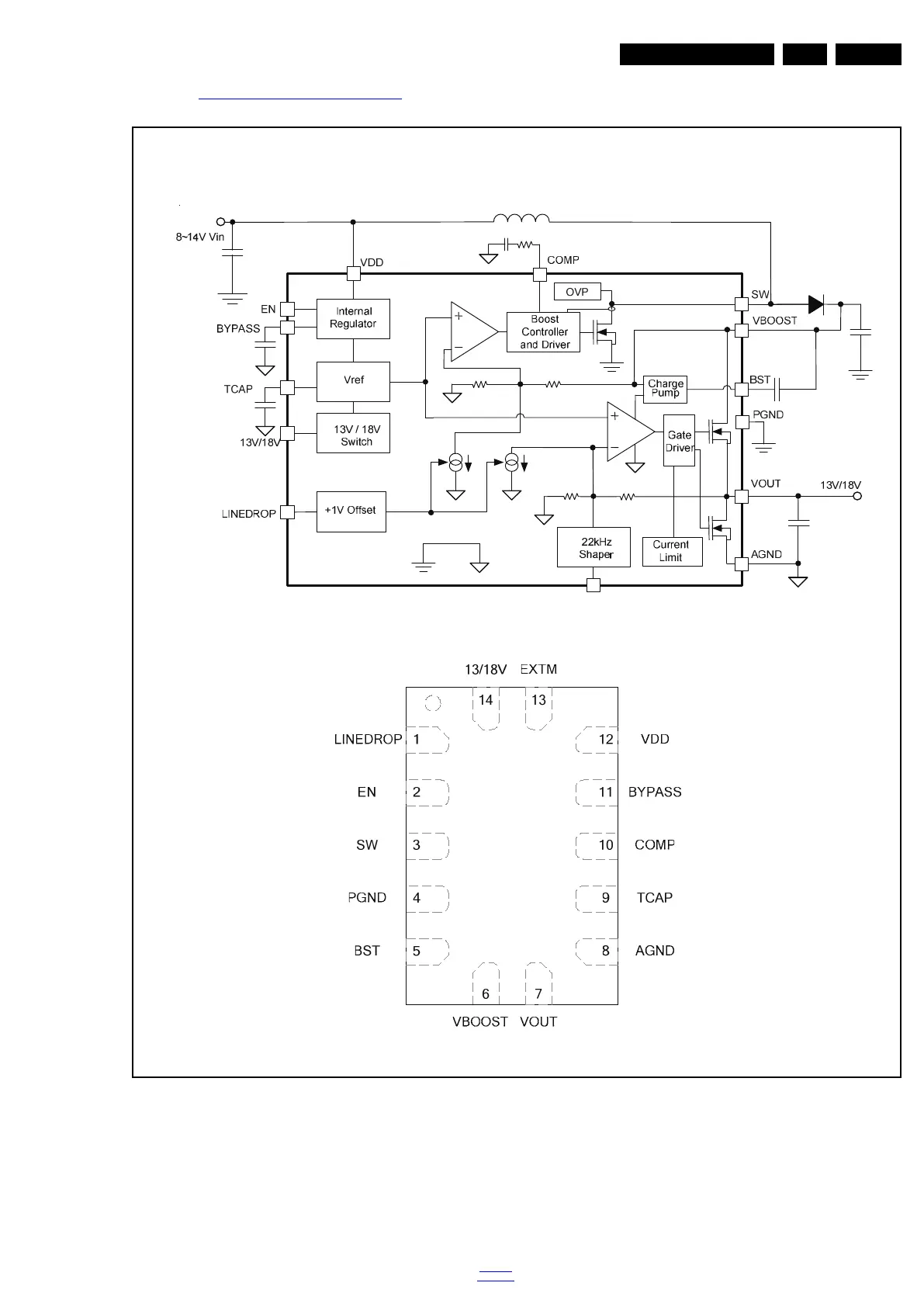
8.7 Diagram 10-5-11 Silabs DEMODInput, B11, MP8124GD (IC U202)
Figure 8-7 Internal block diagram and pin configuration
20030_305.eps
Block diagram
Pinning information
MP8124

Other manuals for Philips 43PUT6101/12

Related product manuals