EasyManua.ls Logo

Philips 43PUT6101/12 - Circuit Diagrams and PWB Layouts; PSU Circuit Diagrams

Philips 43PUT6101/12
116 pages
Print Icon
To Next Page IconTo Next Page
To Next Page IconTo Next Page
To Previous Page IconTo Previous Page
To Previous Page IconTo Previous Page
Loading...
EN 48TPL16.1E LA 10.
Circuit Diagrams and PWB Layouts
2016-Sep-23
back to
div.table
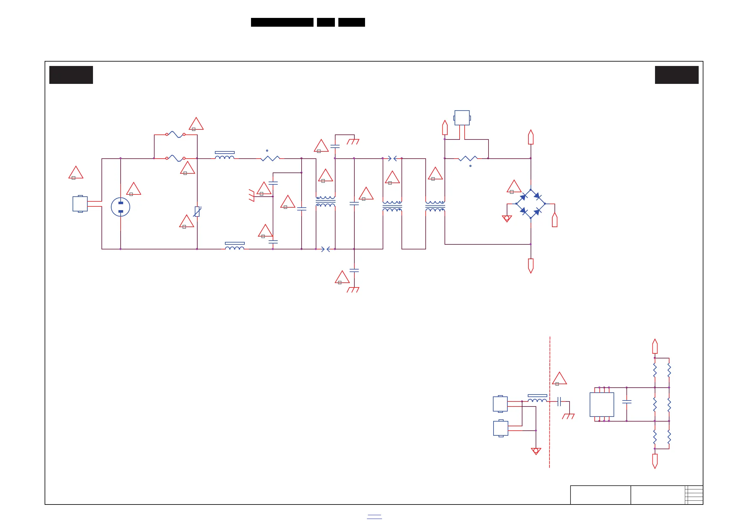
10. Circuit Diagrams and PWB Layouts
10.1 A 715G7350 PSU
10-1-1 AC input
AC input
A01 A01
2015-11-18
715G7350
AC input
CN9903
NC/CONN
L
1
N
2
t
NR9901
2R
12
R9904
NC/510K
!
CN9902
AC 2P
12
!
R9905
NC/510K
R9902
510K
F9901
NC
!
N
FB9901
BEAD
1 2
SG9902
NC/DSPL-501N-A21F
t
NR9902
2R
1 2
HS9902
HEAT SINK
1
2
U9901
CAP004DG-TL
NC
1
D1
2
D1
3
NC
4
NC
5
D2
6
D2
7
NC
8
C9908
47pF
T5AL/250V
HS9901
NC/HEAT SINK
1
2
HOT
COLD
C9911
47pF 250V
C9912
47pF 250V
FB9902
BEAD
12
L9901
12mH
1
2
4
3
L9902
12mH
1
2
4
3
BR
L
!
SG9901
NC/DSPL-501N-A21F
L9903
0.25mH
1
2
4
3
!
F9902
T5A H 250V
C9914
220PF 250V
C9913
220PF 250V
-
+
BD9901
TS10P06G-05
2
1
3
4
C9901
470NF 275V
RV9901
680V
C9902
470NF 275V
CN9901
NC/CONN
1
2
Vsin
!
!
!
!
!
!
!
!
!
!
!
R9907
510K
R9906
510K
N
R9903
510K
L
FB9904
NC/127R
1 2
C9922
NC/220PF 250V

Other manuals for Philips 43PUT6101/12

Related product manuals