EasyManua.ls Logo

Philips 50PUT6604/68 - Page 79

Philips 50PUT6604/68
85 pages
Print Icon
To Next Page IconTo Next Page
To Next Page IconTo Next Page
To Previous Page IconTo Previous Page
To Previous Page IconTo Previous Page
Loading...
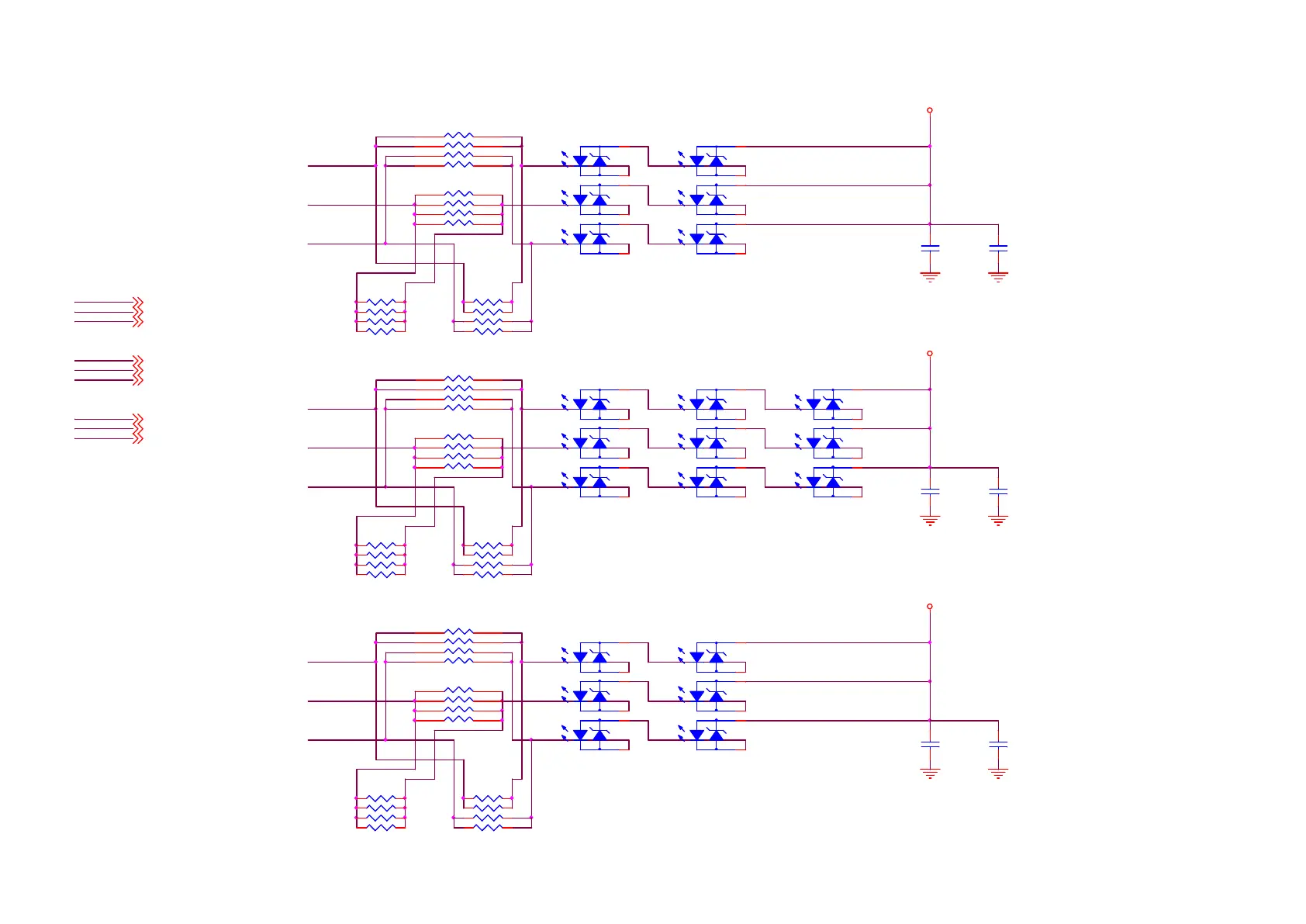
9-11-2 Ambilight 7-LED
R064 180R
R065 180R
R066 180R
R067 180R
R015 NC/560R
1
2
3
4
8
7
6
5
PWM2-R3
PWM2-B3
PWM2-G3
R013
NC/180R
1
2
3
4
8
7
6
5
R032 560R
R029 560R
R030 560R
R031 560R
C013
NC/100NF 50V
C011
NC/100NF 50V
C009
NC/100NF 50V
+12V
Red BlueGreen
D002
P5018/RSSGBB7-2K14
1
2
3
4
5
6
PWM2-G1 2
PWM2-B1 2
Red BlueGreen
D001
P5018/RSSGBB7-2K14
1
2
3
4
5
6
PWM2-R1 2
R060 180R
R061 180R
R062 180R
R063 180R
R018 NC/560R
1
2
3
4
8
7
6
5
PWM2-R1
PWM2-B1
PWM2-G1
R017
NC/180R
1
2
3
4
8
7
6
5
R021 560R
R022 560R
R023 560R
R024 560R
+12V
Red BlueGreen
D007
P5018/RSSGBB7-2K14
1
2
3
4
5
6
Red BlueGreen
D006
P5018/RSSGBB7-2K14
1
2
3
4
5
6
C012
100N16V
C010
100N16V
+12V
C008
100N16V
R014
NC/22R
1
2
3
4
8
7
6
5
R016 NC/560R
1
2
3
4
8
7
6
5
PWM2-R2
PWM2-B2
Red BlueGreen
D005
P5018/RSSGBB7-2K14
1
2
3
4
5
6
PWM2-G2
R025 560R
R026 560R
R027 560R
R028 560R
R040 22R 1/16W 5%
R041 22R 1/16W 5%
R042 22R 1/16W 5%
R043 22R 1/16W 5%
PWM2-B2 2
PWM2-G2 2
PWM2-R2 2
PWM2-G3 2
PWM2-B3 2
PWM2-R3 2
Red BlueGreen
D004
P5018/RSSGBB7-2K14
1
2
3
4
5
6
Red BlueGreen
D003
P5018/RSSGBB7-2K14
1
2
3
4
5
6

Related product manuals