EasyManua.ls Logo

Philips 50PUT7303/56 - Page 32

Philips 50PUT7303/56
88 pages
Print Icon
To Next Page IconTo Next Page
To Next Page IconTo Next Page
To Previous Page IconTo Previous Page
To Previous Page IconTo Previous Page
Loading...
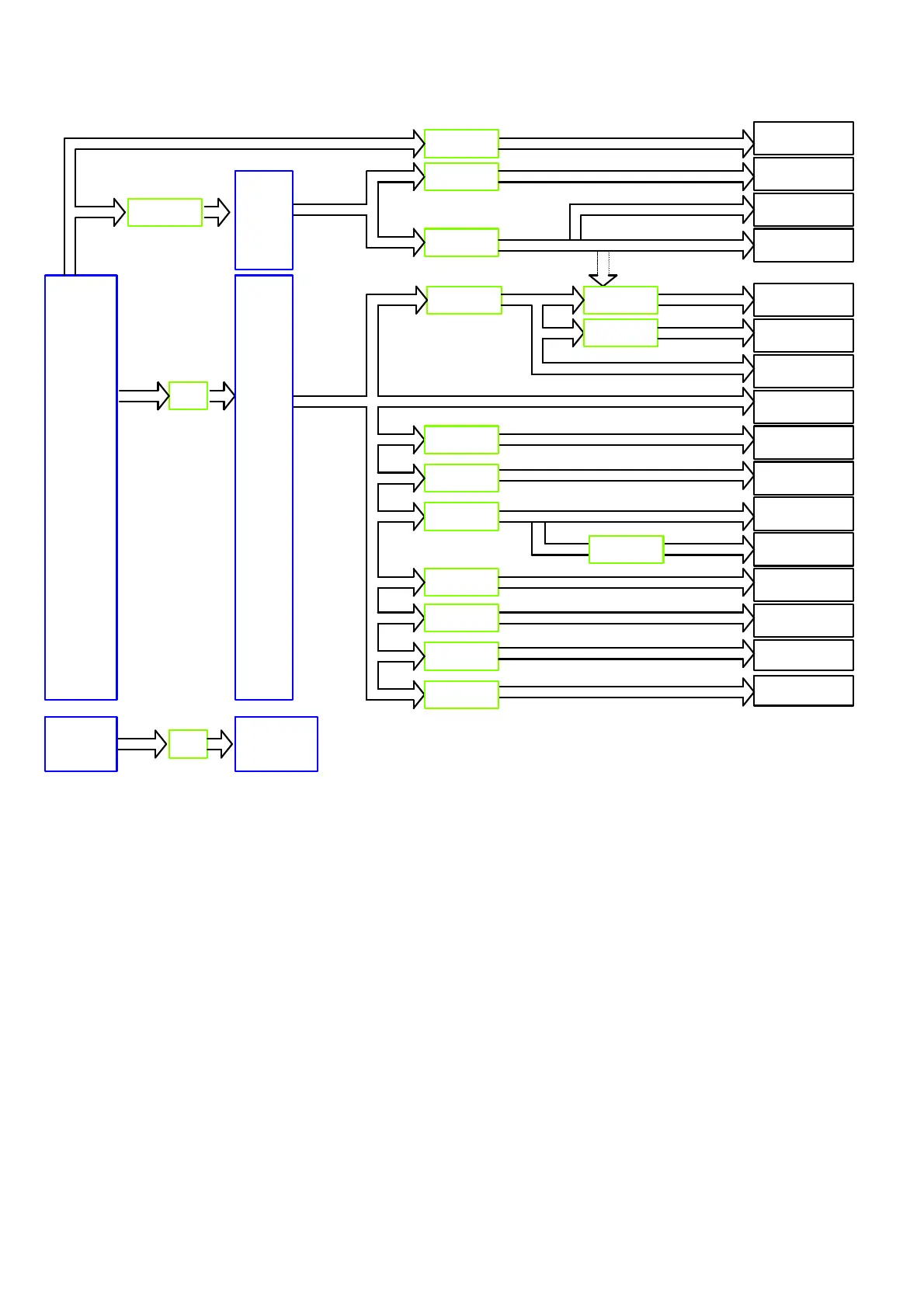
7.3 Power tree
+12V
T-CON/ Panel VCC
Q4304
SM3201
+1V5-DDR
+1V0-VCCK
+0V9-NT
U1701
SY8368
MT5596/ AVDD33-ETH-STB
U4302
RT8079ZQW
U1708
RT7299
U4103
G5318RE1D
MT5596/ AVDD1V0-STB
+3V3_TUNER
power for RC off
+12V
U4308
G9661
U705
AZ1117-33
MT5596/ AVDD33-STB
+2V5-NT
+1V0-AVDD
USB/ +5V-USB
+3V5-SB
MT5596/ eMMC 1.8V
+3V5-SB
CI/ VCC
WiFi & BT/ VCC
+1V8-EMMC-IO
U4309
RT6217
+12V
+12V-AUDIO
+3V3-STANDBY
NT72333/ PWR-3.3V
Main_12V
DV12
U4405
AOZ1360
U4304
RT9193-33GB
MT5593U+/ AVDD33-LVDS/
VCC-3V3
Tuner/ VCC for LNB
(Satellite)
U707
G9661
+12V
+5V-WIFI
DEMOD/ VDD-core
+12V
+12V
Ambilight
U4251
RT6217
+12V
TUNER_LNB
+5V_SW
AMBI-POWER
TUNER/ TU3.3V
+3V3/ +3V3-AVDD
U751
MP8124DF
+12V
AU_12V
DDR (X 5)/ VDD
U4301
RT7297
600 mA
+3V5-SB
Q4306
SM3201
MT5596/ DDRV
MT5596/ AVDD10_DDR
NT72333/ VDD2.5V
+12V
U4100
TPS563201
+5V_SW
MT5596/ VCCK
NT72333/ Core 0.9V
U4303
G9661
+5V_SW
+12V
NT72334
NT72334
NT72334

Related product manuals