EasyManua.ls Logo

Philips 55OLED754/12 - Page 73

Philips 55OLED754/12
110 pages
Print Icon
To Next Page IconTo Next Page
To Next Page IconTo Next Page
To Previous Page IconTo Previous Page
To Previous Page IconTo Previous Page
Loading...
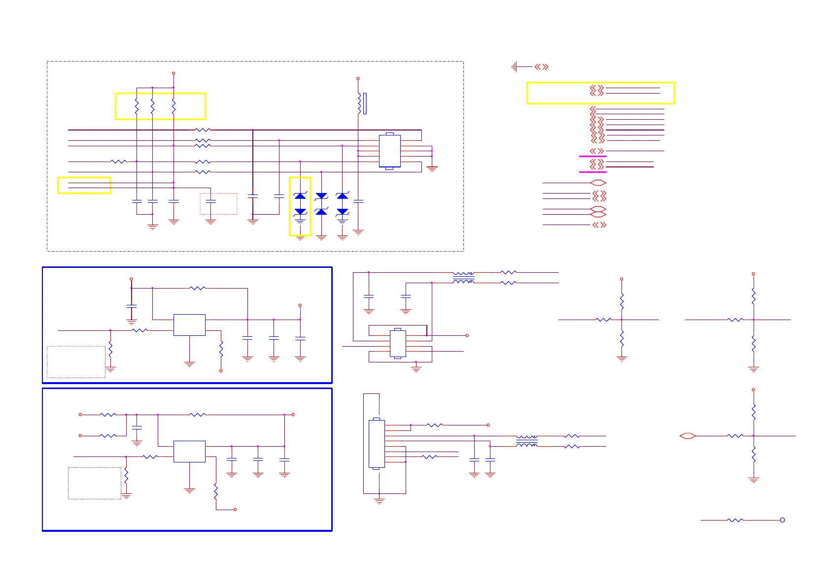
9-5-13 WIFI/KEYPAD
R5115
100R 5%
R174
100R 5%
BT_IRQnBT_IRQ
BT_RSTn
3V3SB
BT_RESET
R171 NC/0 OHM 1/8W
R172
NC/10K 1/16W 5%
R173
NC/10K 1/16W 5%
POWER_KEY
KEY_PAD0
17,22
POWER_KEY
17
R175
NC/100R 1/16W 5%
KEY_PAD0
BTI_PWR_EN
BTI_PWR_EN
17
Wi-Fi_VCC
Wi-Fi_VCC
R1198
10K 5%
R404
100R 5%
USB_DP_P1
C177
10uF 16V
R117 100R 5%
LED_PWM0
LED_PWM2
R118 100R 5%
C175
10uF 16V
POWER_KEY
WoWLAN_IRQ
WIFI_PWR_EN
RC6
Wi-Fi_VCC
G roundi ng(20m i l)
IR/KEY BOARD
LED_PWM2
6,17
LED_PWM0
6,17
EMI & ESD solution
WoWLAN_IRQ
17
WIFI_PWR_EN
17
RC6
6,22
R112 100R 5%
FB403
30R/600mA
12
C157
100NF 16V
3V3SB
8/ 20 O TS Key
C158
100NF 16V
C108
NC/100pF 50V
R170 NC/100R 1/16W 1%
C194
100pF 50V
C156
100pF 50V
C195
100NF 16V
RC6
3V3SB
CN401
CONN
2
4
6
8
10
1
3
5
7
9
WoWLAN_IRQn
TP33
GND
4,5,6,7,8,9,10,11,12,13,14,15,17,18,19,20,21,22
IR
IR
22
WoWLAN_IRQ
LED_PWM0
LED_PWM2
3V3SB
R109
10K 1%
LED_RE
LED_RE
22
C4266
100NF 16V
C115
NC/10PF 50V
WIFI_RSTn
CN417
CONN
1
2
3
4
5
6
7
8
910
LED_GE
+5V_BT
R182 0 OHM 1/8W
KEY2_IN
IR
IR_RC
R103
10R 5%
USB_DM_P3
USB_DP_P3
USB_DM_P3
18
USB_DP_P3
18
USB_DP_P3
USB_DM_P3
ZD125
AZ5123-01H.R7G
12
ZD126
NC/AZ5123-01H
12
C4037
NC/10PF 50V
C4036
NC/10PF 50V
311G W 200C08ABL
R186
100R 5%
C178
100NF 16V
BT_PWR_EN :
Enable : High
Disable : Low
C176
10uF 25V
U715
G524D3T11U
VOUT
1
GND
2
FLG
3
EN
4
IN
5
3V3SB
+5V_STB
WIFI_RESET
R5116
NC/10K 1/16W 5%
+5V_BT
+5V_BT
8/ 20 PHP SR
R5117
NC/10K 1/16W 5%
BTI_PWR_EN
R187
10K 5%
IR_SSB
6,22
Wi-Fi_PWR_EN :
Enable : High
Disable : Low
BT PW R CO NTRO L
IR_SSB
IR_RC
6,22
IR_RC
C4297
10uF 16V
R183 NC/0R05 1/8W
R184
0 OHM 1/8W
U714
G524D3T11U
VOUT
1
GND
2
FLG
3
EN
4
IN
5
WIFI_RESET
+5V_SW
WIFI_RESET17
R185
NC/0 OHM 1/8W
+5V_STB
CN415CONN
2
4
6
8
1
3
5
7
R189
10K 5%
8/ 20 O TS Key
R5100
NC/10K 1/16W 5%
BT_RSTn
R108
NC/6K8 1%
R5103
NC/10K 1/16W 5%
R163
6K8 1%
L103
90OHM
1
4
2
3
R4268
2R2 5%
Modify by EMI
Wi-Fi_VCC
C112
100pF 50V
IR_RC
IR_SSB
FO R BT CO NNECTO R
C114
NC/10PF 50V
ZD128
AZ5123-01H.R7G
12
KEY1_INKEY_PAD0
R113
100R 1%
WIFI_RSTn
WoWLAN_IRQn
R105 0R05 1/16W
LED_RE
USB_DM_P1
L4104
90OHM
1
4
2
3
R181
2R2 5%
R180
2R2 5%
BT_IRQ
BT_IRQ
17
BT_RESET
17
WIFI_PWR_EN
R1197
10K 5%
W IFI PW R CO NTRO L
C4265
10uF 16V
C4263
10uF 25V
R4273
100R 5%
USB_DP_P1
USB_DM_P1
USB_DP_P1
18
USB_DM_P1
18
R4267
2R2 5%

Related product manuals