EasyManua.ls Logo

Philips 55PFL6198K/12 - Page 25

Philips 55PFL6198K/12
232 pages
Print Icon
To Next Page IconTo Next Page
To Next Page IconTo Next Page
To Previous Page IconTo Previous Page
To Previous Page IconTo Previous Page
Loading...
Service Modes, Error Codes, and Fault Finding
EN 25QFU1.2E LA 5.
2014-Jan-10
back to
div. table
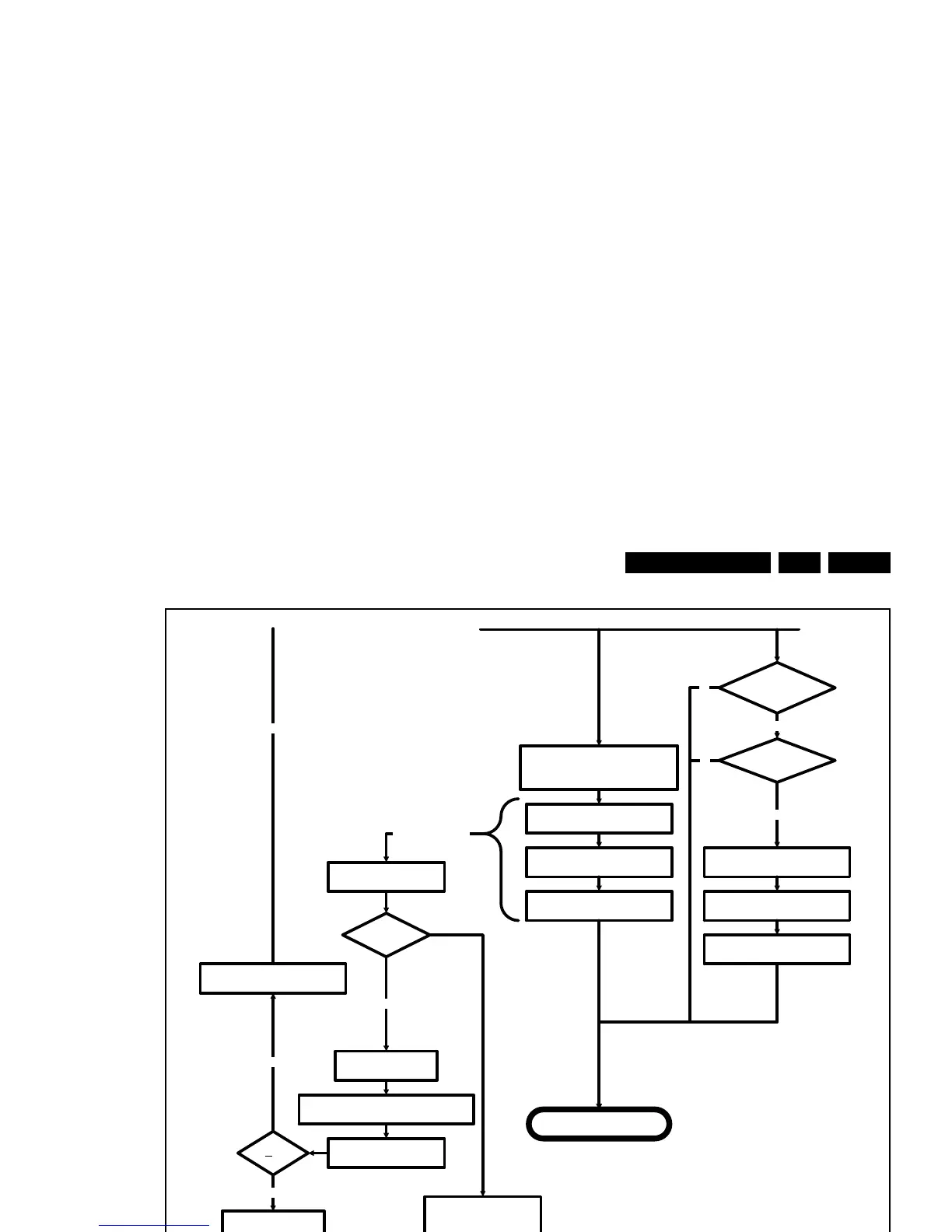
Figure 5-5 “Off” to “Semi Standby” flowchart (part 2)
19210_081_120504.eps
120504
Yes
Semi-Standby
3-th try?
No
Switch Standby I/O line LOW
Switch AVC in reset
Enter protection
Wake up reason
coldboot to Active mode?
Startup screen cfg file
present?
yes
No
No
yes
AUDIO-MUTEn is switched by MIPS code
later on in the startup process when audio
needs to be released
Switch RESET-FUSION-OUTn, RESET-
HDMI-MUXn , RESET-ETHERNETn Low
Boot is failing
Reset-lines are switched
MIPS boots
Standby µP monitors
boot process and will
init a restart if Boot
process hampers
TV application starts
Set was
started with
SDM pin?
Yes
Ignore boot failure:
Stall the startup process.
Blink Layer2 error 53.
Enter protection without
turning off the supplies
No
Wait 4 seconds before restarting
No
Blink error code
Layer 1 error 2
MIPS sends out startup screen
MIPS starts up the display.
Startup screen visible

Table of Contents

Related product manuals