EasyManua.ls Logo

Philips 55PUS6162/12

Philips 55PUS6162/12
89 pages
To Next Page IconTo Next Page
To Next Page IconTo Next Page
To Previous Page IconTo Previous Page
To Previous Page IconTo Previous Page
Loading...
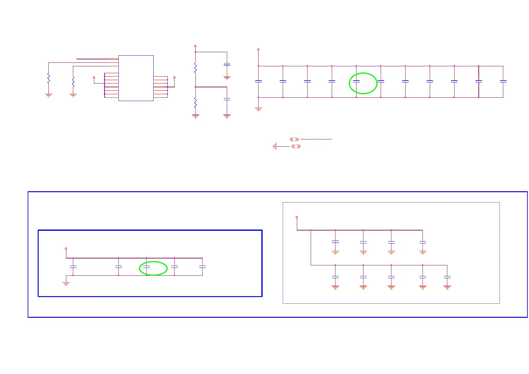
8-4-17 DDP POWER
DDRV5,7,8
Bottom Side Capacitors close to IC
DDRV
CRTN
DDRVREF_C1
DDRV
ZQ_C1
DDRV
Cap close to DDRV power source.
DRAM Power
DDRV
MT5802VGEJ
U401-13
DDRVREF_C1
K2
ZQ_C1
L4
DDRV_CKC
P9
DDRV
N9
DDRV
AG8
DDRV
Y9
DDRV
AA9
DDRV
AF9
DDRV
T10
DDRV
U10
CRTN
L9
DDRV
V10
DDRV
W10
DDRV
Y 10
DDRV
AA10
DDRV
AB10
DDRV
AC10
DDRV
AC11
R475
47R 1/16W 5%
R440
240R 1%
C4135
100N 16V
C4094
100N 16V
C4085
1uF 10V
C4124
10uF 6.3V
DDRV
R442
1K 1/16W 1%
C4115
100N 16V
C4134
100N 16V
C4130
100N 16V
DDRV
C4169
100N 16V
DDRVREF_C1
C4128
100N 16V
R441
1K 1/16W 1%
DDRV
C4127
100N 16V
C4132
100N 16V
C4133
100N 16V
C4170
100N 16V
C4171
100N 16V
C4136
100N 16V
C4072
100N 16V
C4092
100N 16V
C4172
100N 16V
C4168
1uF 10V
C4167
10uF 6.3V
C4095
10uF 6.3V
GND 4,5,6,7,8,9,10,11,12,13,14,15,16,17,18,19,21,22
C4131
100N 16V
C4098
4.7UF 6.3V
C4099
100N 16V
+
C4139
NC/47uF 16V
C4093
100N 16V
C4173
1UF 6.3V

Related product manuals