EasyManua.ls Logo

Philips 55PUS9104/12 - Page 51

Philips 55PUS9104/12
70 pages
Print Icon
To Next Page IconTo Next Page
To Next Page IconTo Next Page
To Previous Page IconTo Previous Page
To Previous Page IconTo Previous Page
Loading...
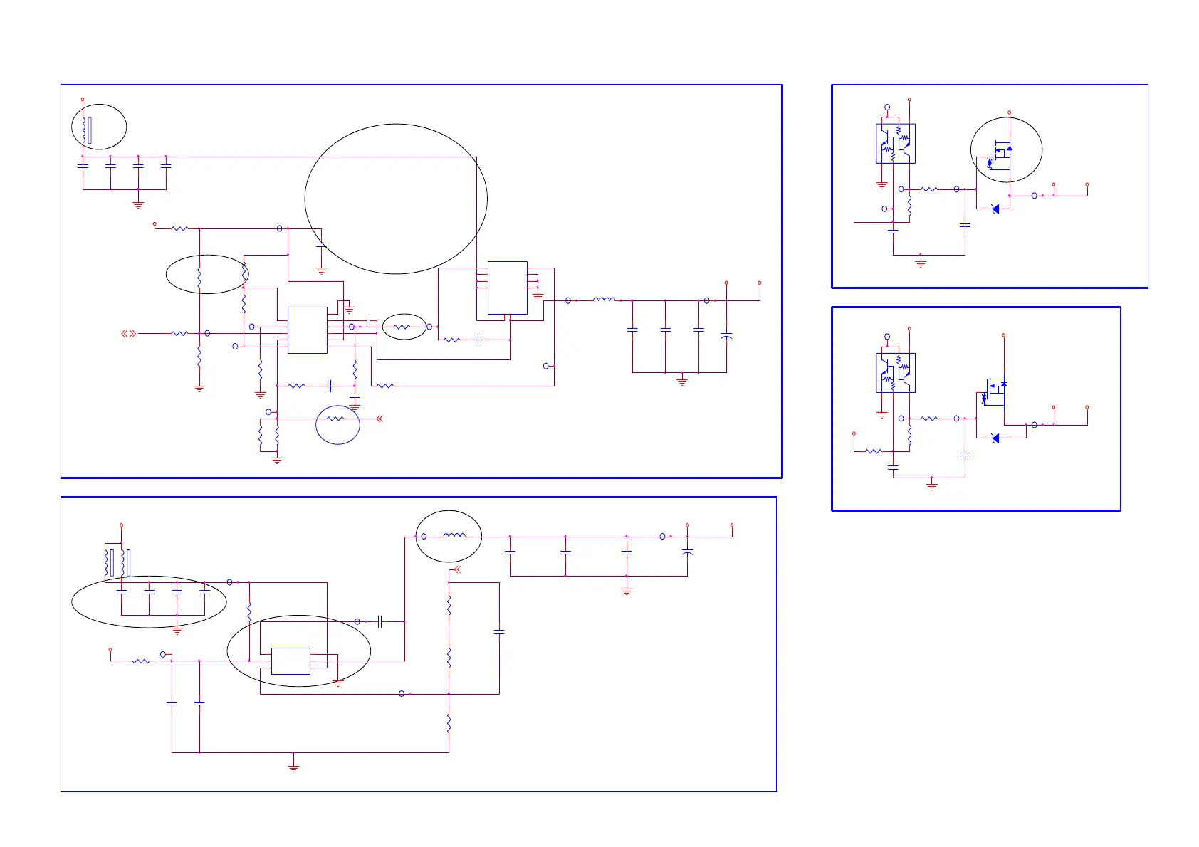
9-2-12 DCDC-Novatek-POWER
C4149
470PF 50V
+1V1-NT-OK
TP4125
R4140
10K 5% 1/16W
FRC_1.5V
R4109
NC/47K 1/16W
FB4100
120R 3A
12
C4109
100NF 16V
Updated on 2016/11/30
U4103
G5318RE1D
PGOOD
1
TRIP
2
EN
3
FB
4
RF
5
DL
6
VCC
7
LX
8
DH
9
BST
10
GND
11
R4110
1 OHM 5%
L4101
2.2uH
R4111
100 OHM 1/16W
C4110
220pF 50V
C4125
100NF 16V
+
C4114
NC/100UF 16V
C4118
22UF 20% 6.3V
U4102
AON7934
G1
1
D1
2
D1
3
D1
4
S2
5
S2
6
S2
7
G2
8
S1/D2
9
D1
10
Updated 18AC on 2017/5/2
C4129
NC/1UF16V
FB4102
NC/30R 1A
12
C4122
10UF 25V
R4112
100K 1/16W
C4119
22UF 20% 6.3V
C4101
10UF 25V
R4121
22K 1%
U4100
TPS563201DDCR
GND
1
SW
2
VIN
3
VFB
4
EN
5
VBST
6
C4123
10UF 25V
C4126
NC/100pF 50V
R4114
100K 1/16W
R4115
3K 1%
C4102
10UF 25V
C4111
22UF 6.3V
R4116
100K 1/16W
C4124
NC/10UF 16V
R4117
0R05 OHM
+
C4121
NC/100UF 16V
R4120
10K 1/16W
C4100
10UF 25V
R4122
0R05 OHM
Updated on 2016/10/4
C4112
22UF 6.3V
TP4126
C4103
10UF 25V
C4128
1nF 50V
C4113
10UF 16V
C4127
100NF 16V
FB4101
30R 1A
12
L4100
1uH
R4131
10K 1% 1/16W
R4132
3R3 1/16W 5%
C4146
22UF 6.3V
R4134
NC/220K OHM
+2V5-NT+12V
C4120
22UF 20% 6.3V
+3V3-NT
+12V
+5V-SW
+0V9-NT
Updated on 2015/5/15
BE-PWR-EN19
Updated on 2016/3/29
R4124
NC/10K 1/16W 5%
TP4105
R4133
680R 1%
TP4106
Vout=0.768*(1+22.68/10) = 2.51
TP4109
Updated on 2017/12/29
FRC_2.5V
Add on 2018/2/7
Vout=0.7*(1+3.6/10) = 0.91
Updated on 2015/10/16
TP4113
TP4114
FRC_0.9V
Updated to 3K 1% on 2017/1/4
TP4115
Q4104
AO3416
3
1
2
TP4116
FRC_3.3V
TP4100
R4135
100K 1/16W
SENSE+0V9-NT 10
Q4105
LMUN5313DW1T1G
1
2
3 4
5
6
R4118
10K 5% 1/16W
C4108
100NF 16V
Q4101
AO3416
3
1
2
C4115
100NF 16V
Q4100
LMUN5313DW1T1G
1
2
3 4
5
6
TP4127
R4103
10K 5% 1/16W
+12V
+3V3-NT
+3V3
C4163
100NF 16V
TP4117
+1V5-DDR
+3V3-NT
+1V5-NT
+12V
TP4128
TP4129
TP4130
R4137
47K 1/16W
R4138
220K OHM
C4164
47nF 16V
R4136
220K OHM
TP4132
TP4131
TP4133
ZD4101
MM3Z5V6B
ZD4102
MM3Z5V6B
TP4103
TP4104
+1V1-NT-OK
Updated to 3K6 1% on 2015/11/5
TP4118
R4123
10K 1/16W 5%
Updated on 2015/5/15
TP4120
C4148
1nF 50V
TP4101
R4139
47K 1/16W
TP4121
SENSE+2V5-NT 10
TP4122
0.768Vref
Novatek
6A DC/DC

Related product manuals