EasyManua.ls Logo

Philips 55PUT7374/98 - Page 55

Philips 55PUT7374/98
119 pages
Print Icon
To Next Page IconTo Next Page
To Next Page IconTo Next Page
To Previous Page IconTo Previous Page
To Previous Page IconTo Previous Page
Loading...
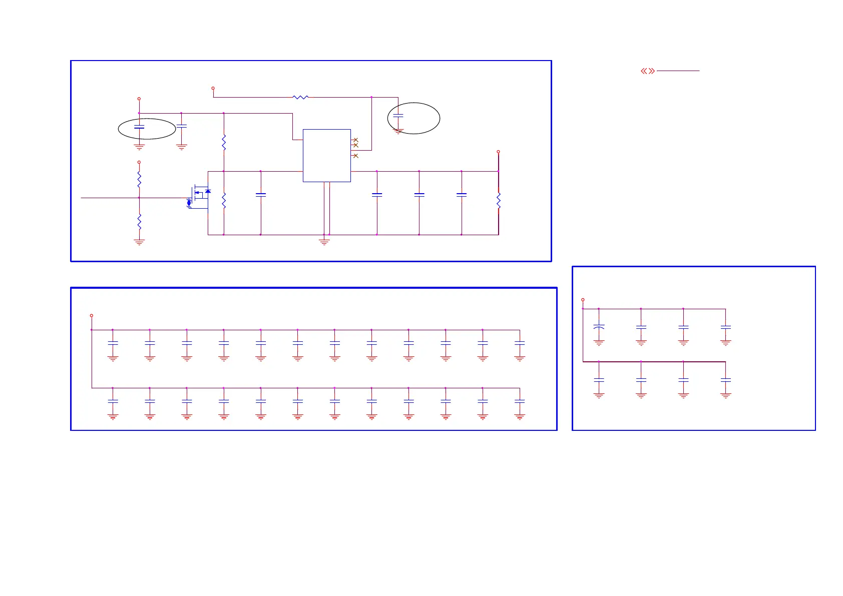
9-4-4 DDR POWER
C4170
10UF 6.3V
C4169
10UF 6.3V
C4171
100NF 16V
DDR_VTT
+
CEM6
NC/47uF 16V
+5V-STANDBY
DDRV
+5V-STANDBY
DDR_VTT_CTRL
CM110
100NF 16V
DDR_VTT
Close to DRAM VTT R
DDR_VTT_CTRL14
DDR_VTT_CTRL
LO = > ON
Hi = > OFF
CM111
100NF 16V
CM112
100NF 16V
C4166
100NF 16V
CM113
100NF 16V
CM114
100NF 16V
CM115
100NF 16V
CM116
100NF 16V
CM117
100NF 16V
CM118
100NF 16V
CM119
100NF 16V
CM120
100NF 16V
CM121
100NF 16V
CD121
NC/4.7uF 10V
CM122
100NF 16V
CM123
100NF 16V
C4168
1UF 50V
Updated on 2018/4/11
CM124
100NF 16V
CM47
NC/4.7uF 10V
C4167
10NF 50V
CM125
100NF 16V
CM126
100NF 16V
CM127
100NF 16V
CM128
100NF 16V
R4109
100K
CM129
100NF 16V
R4110
100K
CD106
NC/4.7UF 16V
CM130
100NF 16V
CM131
100NF 16V
CM132
100NF 16V
Q4101
2N7002KW
3
1
2
DDRV
R4112
NC/10K 5% 1/16W
R4111
10K 5%
Updated on 2018/4/11
C4165
10uF 10V
CM48
NC/1UF16V
CM49
NC/100NF 16V
CM51
NC/100NF 16V
CM55
NC/100NF 16V
R4108 2.2R 1/10W
CM109
100NF 16V
R4107
1K 5%
U406
RT9045GSP
VIN
1
GND
2
VREF
3
VOUT
4
NC
5
VCNTL
6
NC
7
NC
8
E-PAD
9

Related product manuals