EasyManua.ls Logo

Philips 55PUT7374/98 - Page 57

Philips 55PUT7374/98
119 pages
Print Icon
To Next Page IconTo Next Page
To Next Page IconTo Next Page
To Previous Page IconTo Previous Page
To Previous Page IconTo Previous Page
Loading...
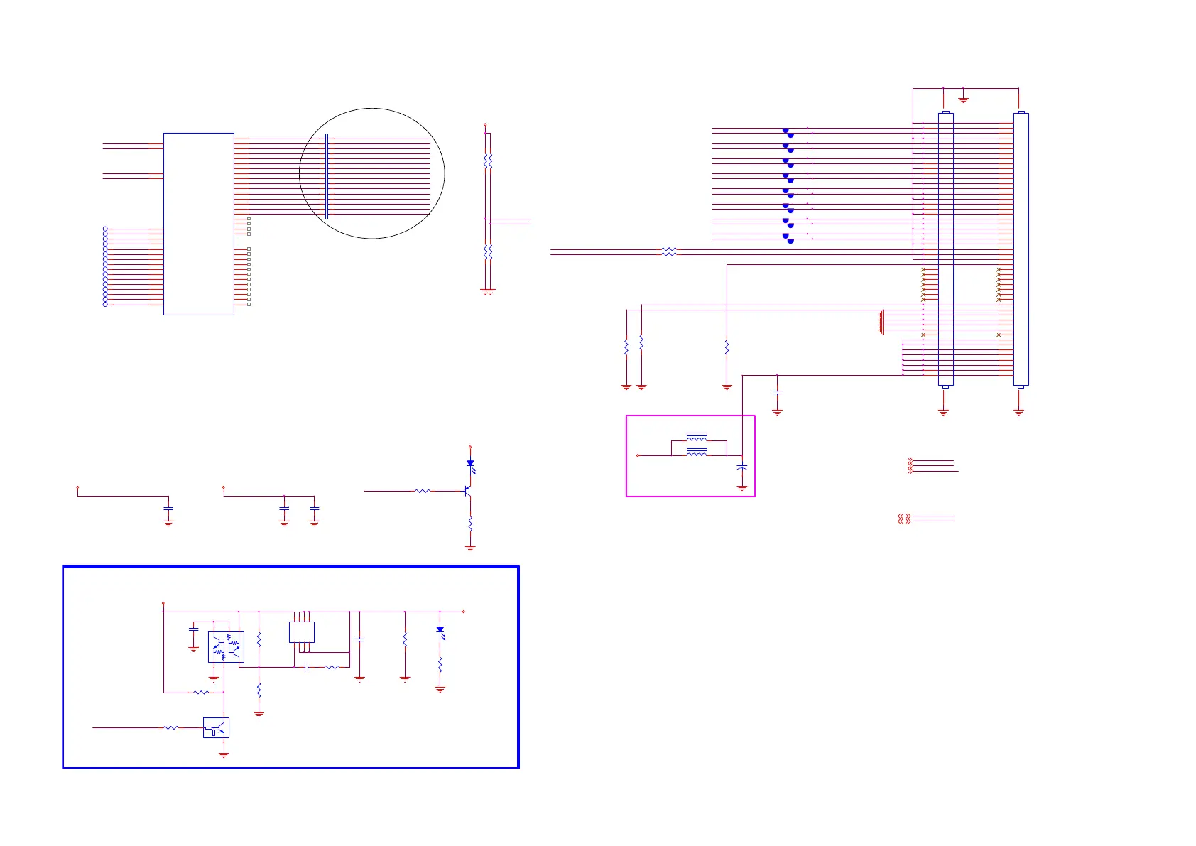
9-4-6 SOC-VB1-OUT
C3011100NF 16V
C3004100NF 16V
C3006100NF 16V
C3005100NF 16V
C3012100NF 16V
C3013100NF 16V
C3001100NF 16V
C3014100NF 16V
V-BY-1 OUTPUT to Display
AVDD105_VB1_STB
C3015100NF 16V
C3009100NF 16V
C3007100NF 16V
C3008100NF 16V
VB1_3N
VB1_5P
VB1_1P
VB1_1N
VB1_2N
VB1_2P
TP3650
TP3649
C3426
1uF 10V
VB1_7P
VB1_7N
VB1_3P
VB1_4P
VB1_4N
VB1_5N
VB1_6N
VB1_6P
VB1_8P
VB1_8N
C3016100NF 16V
C_VB1_1P SOC-VB1-TX0P
TP3765
1
C_VB1_3N SOC-VB1-TX2N
C_VB1_2P SOC-VB1-TX1P
C_VB1_2N SOC-VB1-TX1N
C_VB1_1N SOC-VB1-TX0N
TP3758
1
C_VB1_5N SOC-VB1-TX4N
C_VB1_4N SOC-VB1-TX3N
C_VB1_4P SOC-VB1-TX3P
C_VB1_3P SOC-VB1-TX2P
C_VB1_8P SOC-VB1-TX7P
C_VB1_6P SOC-VB1-TX5P
C_VB1_6N SOC-VB1-TX5N
C_VB1_5P SOC-VB1-TX4P
C_VB1_7N SOC-VB1-TX6N
C_VB1_7P SOC-VB1-TX6P
C_VB1_8N SOC-VB1-TX7N
TP3766
1
TP3773
1
TP3759
1
TP3767
1
TP3760
1
TP3768
1
TP3651
TP3761
1
TP3652
TP3769
1
C3010100NF 16V
TP3762
1
C3002100NF 16V
TP3770
1
+
C3358
220UF 16V
FB3608 120R 3A
1 2
TP3763
1
FB3609 120R 3A
1 2
TP3771
1
TP3764
1
+12V-DISP
C3344
100nF 16V
TP3772
1
TP3654
TP3641
TP3653
SOC-VB1-TX0P
SOC-VB1-TX6P
SOC-VB1-TX4P
SOC-VB1-TX3P
SOC-VB1-TX2P
SOC-VB1-TX5P
SOC-VB1-TX1P
SOC-VB1-TX1N
SOC-VB1-TX7P
clos e to C N1162
TP3656
TP3655
SCL-BE
SDA-BE
SCL-BE2,9,11
SDA-BE2,9,11
C3424
1uF 10V
+12V-DISP
+3V3-AVDD
SOC-LOCKn14
SOC-HTPDn14
+12V-DISP
SOC-HTPDn
SOC-LOCKn
SOC-LOCKn
SOC-HTPDn
LED3205
GPTS06033GC1-PB
12
R3218
5K1 5%
Q3201
LBC857BWT1G
1
23
+3V3-AVDD
VRX_HTPD_ANSOC-HTPDn
VRX_LOCK_ANSOC-LOCKn
R5186 100R 1%
R3217 47K
R5184 100R 1%
SOC-LOCKn
SOC-LOCKn
Add text
R3338NC/27K
R3340NC/27K R333710K 5%
R333910K 5%
TCON-PWR-EN
C3348
100nF 16V
R3333
10K 5%
C3346
NC/100nF 16V
R3330
47K
R3332
100K
R3334
1.5K 1/8W
MT5599IFEQ
U401-3
AVDD105_VB1_STB
V1
AVDD105_VB1_STB
V2
AVDD33_VB1
AF24
AVDD33_VB1
AG24
TCON0
AM2
TCON1
AM1
TCON2
AL2
TCON3
AL1
TCON4
AK4
TCON5
AK3
TCON6
AJ4
TCON7
AN1
TCON8
AG9
TCON9
AG8
TCON10
AJ5
TCON11
AJ6
TCON12
AJ7
TCON13
AK7
TCON14
AK6
TCON15
AM3
VB1_1P
AJ1
VB1_1N
AJ2
VB1_2P
AH3
VB1_2N
AH4
VB1_3P
AG3
VB1_3N
AG4
VB1_4P
AG1
VB1_4N
AG2
VB1_5P
AF3
VB1_5N
AF4
VB1_6P
AE3
VB1_6N
AE4
VB1_7P
AE1
VB1_7N
AE2
VB1_8P
AD3
VB1_8N
AD4
VB1_9P
AC3
VB1_9N
AC4
VB1_10P
AC1
VB1_10N
AC2
VB1_11P
AB3
VB1_11N
AB4
VB1_12P
AA3
VB1_12N
AA4
VB1_13P
AA1
VB1_13N
AA2
VB1_14P
Y3
VB1_14N
Y4
VB1_15P
W3
VB1_15N
W4
VB1_16P
W1
VB1_16N
W2
R3331
47 OHM
CN1161
NC/CONN 51P
1
2
3
4
5
6
7
8
9
10
11
12
13
14
15
16
17
18
19
20
21
22
23
24
25
26
27
28
29
30
31
32
33
34
35
36
37
38
39
40
41
42
43
44
45
46
47
48
49
50
51
5253
TCON4
TCON3
TCON2
TCON1
TCON0
TCON10
TCON9
TCON8
TCON7
TCON6
TCON5
TCON15
TCON14
TCON13
TCON12
TCON11
TP3642
Q3304
AON4421
D
1
D
2
D
3
G
4
S
5
D
6
D
7
D
8
R33360R05 OHM
R3352NC/0R05 OHM
R33560R05 OHM
R3357NC/0R05 OHM
Q3301
LMUN5313DW1T1G
1
2
3 4
5
6
LED3306
GPTS06033GC1-PB
12
R1
R2
Q3302
LMUN5211T1G
1
32
C3345
22NF 25V
R3329
100K
+12V-DISP
+12V
TCON-PWR-EN14
SOC-VB1-TX2N
SOC-VB1-TX6N
SOC-VB1-TX5N
SOC-VB1-TX4N
SOC-VB1-TX3N
SOC-VB1-TX0N
TCON-PWR-EN
Updated on 2018/3/30
HTPDn
LOCKn
CN1162
CONN 51P
1
2
3
4
5
6
7
8
9
10
11
12
13
14
15
16
17
18
19
20
21
22
23
24
25
26
27
28
29
30
31
32
33
34
35
36
37
38
39
40
41
42
43
44
45
46
47
48
49
50
51
5253
SOC-VB1-TX7N
TP3643
TP3644
C3425
100NF 16V
AVDD105_STB+3V3-AVDD-SOC
MT5599 Vx1 OUTPUT
AVDD105_VB1_STB
TP3645
AVDD33_VB1
TP3646
AVDD105_VB1_STB
AVDD33_VB1
AVDD33_VB1
C3003100NF 16V
TP3647
TP3648

Related product manuals