EasyManua.ls Logo

Philips 55PUT7374/98 - Page 73

Philips 55PUT7374/98
119 pages
Print Icon
To Next Page IconTo Next Page
To Next Page IconTo Next Page
To Previous Page IconTo Previous Page
To Previous Page IconTo Previous Page
Loading...
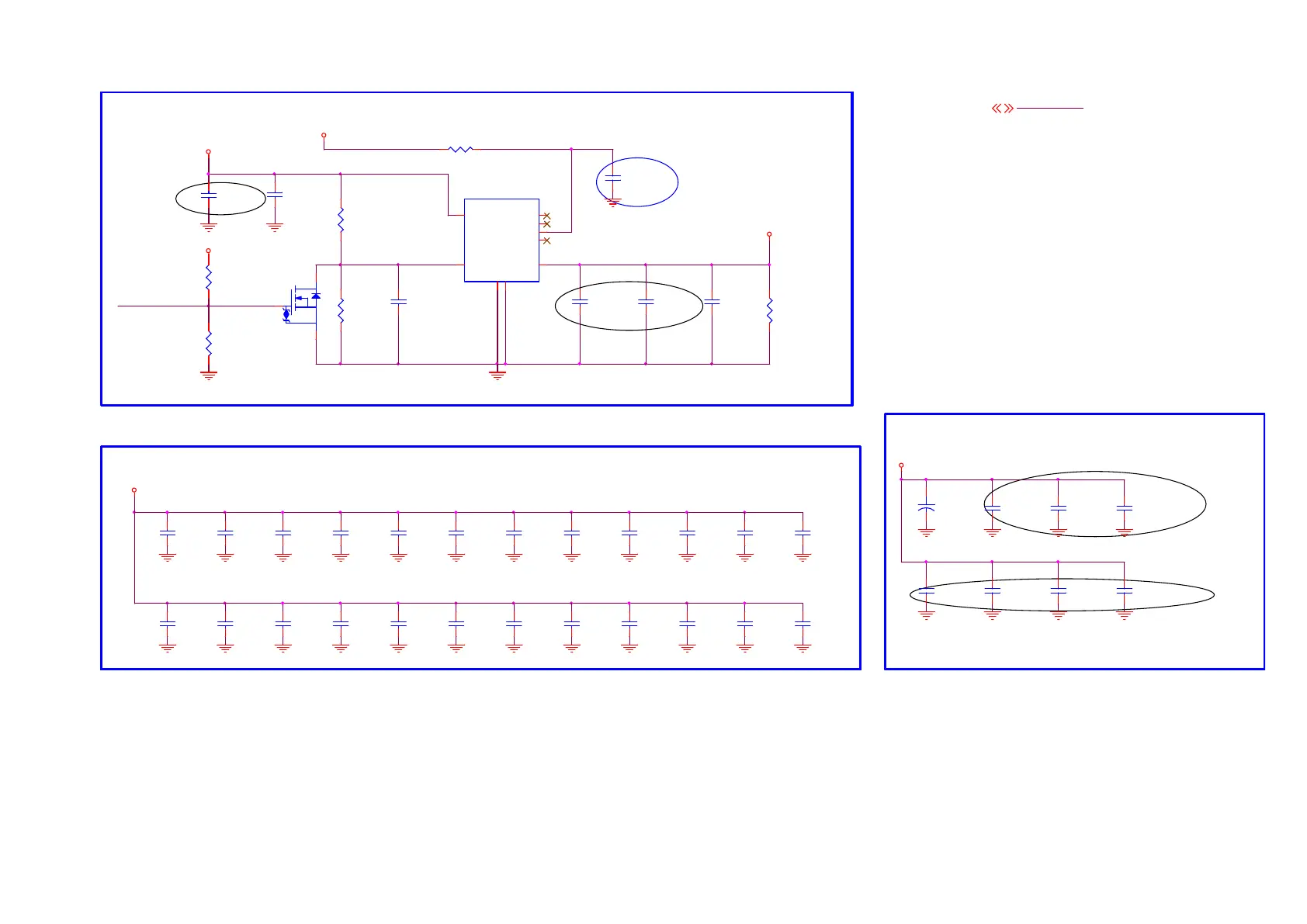
9-5-4 DDR POWER
DDR_VTT_CTRL
DDR_VTT_CTRL
Close to DRAM VTT R
Hi = > OFF
LO = > ON
Updated on 2018/12/28
Updated on 2018/4/24
Cap close to DDRV power source.
Updated on 2018/4/24
Updated on 2018/9/3
CM129
100NF 16V
CM118
100NF 16V
CM124
100NF 16V
CD106
NC/4.7UF 16V
CM127
100NF 16V
CM116
100NF 16V
Q4101
2N7002KW
3
1
2
CM122
100NF 16V
R4108 2.2R 1/10W
CM47
NC/4.7uF 10V
CM125
100NF 16V
CM114
100NF 16V
C4170
10UF 6.3V
C4168
1uF 10V
CM112
100NF 16V
CM49
NC/100NF 16V
CM110
100NF 16V
C4169
10UF 6.3V
CM109
100NF 16V
CM121
100NF 16V
CM132
100NF 16V
C4166
100NF 16V
CM51
NC/100NF 16V
CM119
100NF 16V
CM130
100NF 16V
C4167
10NF 50V
CM117
100NF 16V
CM123
100NF 16V
CD121
NC/4.7uF 10V
CM128
100NF 16V
R4112
NC/10K 5% 1/16W
CM126
100NF 16V
CM115
100NF 16V
R4107
1K 5%
CM113
100NF 16V
CM55
NC/100NF 16V
R4109
100K
R4111
10K 5%
CM111
100NF 16V
C4171
100NF 16V
R4110
100K
+
CEM6
NC/47uF 16V
CM48
NC/1UF16V
U406
RT9045GSP
VIN
1
GND
2
VREF
3
VOUT
4
NC
5
VCNTL
6
NC
7
NC
8
E-PAD
9
CM131
100NF 16V
CM120
100NF 16V
C4165
10uF 10V
DDR_VTT
DDRV
+5V-STANDBY
+5V-STANDBY
DDR_VTT
DDRV
DDR_VTT_CTRL
15

Related product manuals