EasyManua.ls Logo

Philips 55PUT7374/98 - Page 92

Philips 55PUT7374/98
119 pages
Print Icon
To Next Page IconTo Next Page
To Next Page IconTo Next Page
To Previous Page IconTo Previous Page
To Previous Page IconTo Previous Page
Loading...
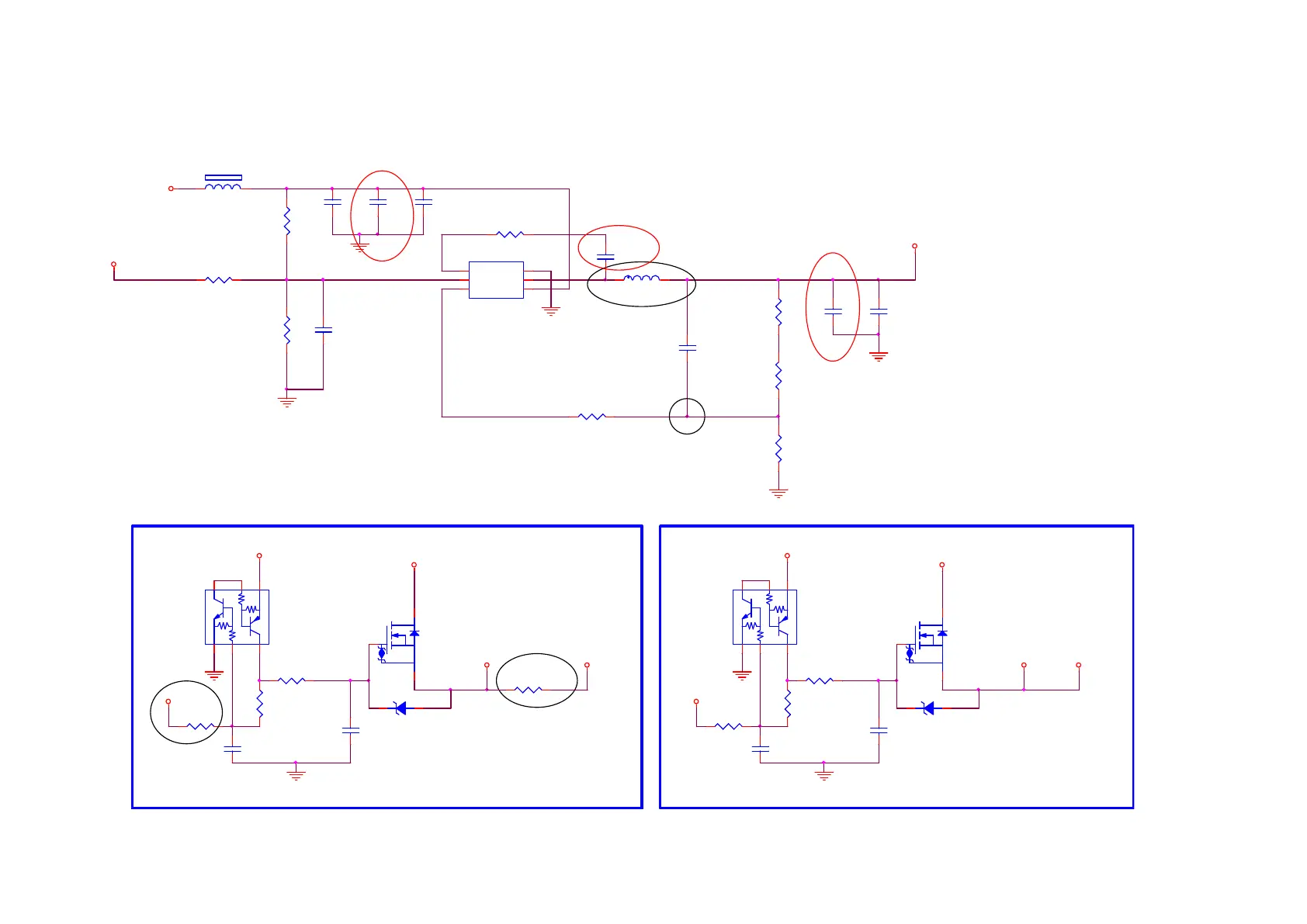
9-5-23 DCDCb_+1V5
Add on 2018/5/2
Vout=0.8*(1+33/36) = 1.533
R4550
220K OHM
R4554
33K 1%
C4555
NC/1NF
R4558
91K 1%
C4558
47nF 16V
FB4505
120R 3A
1 2
R4549
47K
C4550
22PF 50V
C4549
10uF 16V
R4552
220K OHM
R4560100R 5%
U4504
MP1471AGJ Z
GND
1
SW
2
IN
3
FB
4
EN
5
BST
6
R4556
0R05 1/16W
C4559
47nF 16V
R4532
NC/0R05 1/10W
R4553
10K 5%
C4551
100NF 16V
C4548
NC/10uF 16V
C4554
22UF 6.3V
R4559
NC/100K 1/16W 5%
C4556
100NF 16V
R4547
10K 5%
R4548
10K 5%
Q4506
AO3416
3
1
2
R4555
36K 1%
ZD4504
MM3Z5V6B
Q4507
LMUN5313DW1T1G
1
2
3 4
5
6
C4557
100NF 16V
C4552
22UF 6.3V
Q4508
AO3416
3
1
2
R4551
68K
ZD4503
MM3Z5V6B
L4504
3.3uH
R455710R 5%
Q4509
LMUN5313DW1T1G
1
2
3 4
5
6
DDR_1.5V
+12V
DDR_1.5V
FRC_1.5V
+3V3-NT
+1V5-NT
+12V
PQ_1.5V
+12V
DDR_1.5V
+1V5-NT
PQ_3.3V
PQ_2.5V
Updated on 2019/1/10
Updated on 2019/1/24
New 18AC : 373G253S383M00
DDR_1.5V
Updated on 2018/3/19
C4553
1uF 16V
Updated to C0603 on 2019/1/28
NT72315 PQ_1.5V
Enable by PQ_2.5V
NT72334 +1.5V-NT
Enable by +3V3-NT
Updated on 2019/1/24

Related product manuals