EasyManua.ls Logo

Philips AX3200 - Audio Part

Philips AX3200
28 pages
Print Icon
To Next Page IconTo Next Page
To Next Page IconTo Next Page
To Previous Page IconTo Previous Page
To Previous Page IconTo Previous Page
Loading...
4 - 2 4 - 2
8910
1 6
C
D
E
1500 C10
2500 A6
2501 A8
2502 A6
2503 B7
2511 B2
2515 B1
2527 C2
2528 C1
2529 C1
2530 C10
2535 E7
12 7
3510 B1
3511 B1
3513 B3
3514 B4
2345
3520 B10
78910
A
B
C
D
E
A
2516 B1
2520 B4
2522 B9
2523 B4
2525 C3
2526 C8
3543 C1
3544 C1
2531 C6
2532 C8
2533 D5
2534 D7 3549 C8
2536 B5
2537 C6
2538 A7
3500 A5
3501 A4
3502 A5
3503 A8
3504 A9
3505 A4
3506 A6
3456
X
*
3508 B7
R
3515 B7
3517 B8
3518 C3
3519 B6
6502 C9
3521 B4
3522 B3
3524 B7
3525 B4
3526 B6
3530 B8
3533 B2
3534 C3
3535 C6
3539 C4
B
2524 B9
F104 B9
F105 B2
F106 C2
F107 C93545 C9
3546 C4
3547 C5
3548 C5
F112 E73550 C9
3551 D4
3552 D6
3553 D8
3554 D7
3555 D7
3556 D7
3557 B5
3558 B5
6500 B8
3507 A8
*
2x10K
6503 D5
7500-A C7
7500-B A7 7510 B7
7511 B6
7512 C4
7513 C9
X
1,3V
7515 D6
F101 A6
3542 C7
F102 B9
F103 B3
6501 B8
S
F108 D5
F109 B5
F110 B7
F111 C8
5
6
7
8
4
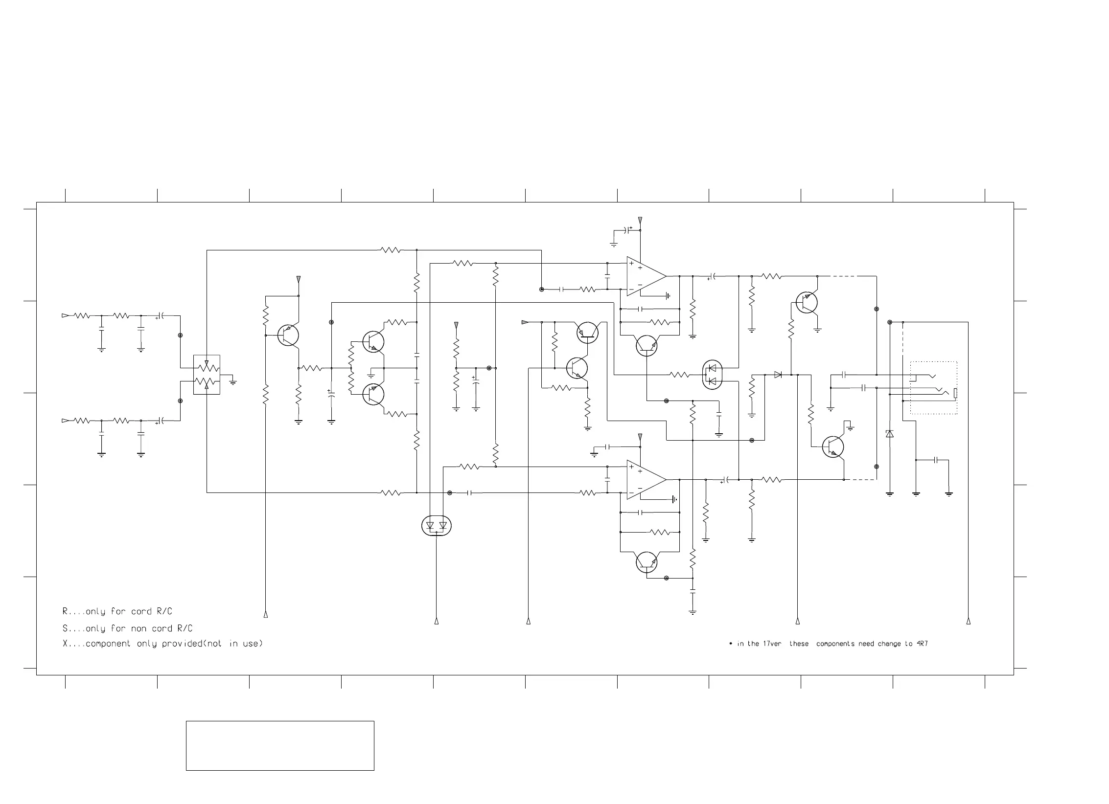
AUDIO-PART
7501 B9
7503 B3
7506 B6
7508 B4
3552
47K
TDA1308 T
7500-B
220p
2522
BC8 17-40
7513
2535
1u
3521
100K
18 0K
3515
ESD
3520
BC8 57B
7503
3553
330R 1K
3530
3518
470K
1K
3524
7511
BC8 47B
2529
1n5
3503
15R
2534
33p
2531
100p
33p
2503
A
3547
4K7
2528
2n2
100p
2500
A
2533
2u2
5
4
2
3
1
TC38
1500
F110
F111
3501
12K
2M2
3502
F102
A
F108
F103
A
3548
2M2
3539
22R
100K
3525
22R
3514
BAV70
6503
A
6500
BAV70
2523
100n
2u2
2502
18 K
3526
100n
2520
AA
A
7515
7510
BC8 47B
BC8 47B
8
4
3554
10K
A
7500-A
TDA1308 T
3
2
1
1u
2526
F101
7506
BC8 07-40
F106
3550
F105
3504
2532
220u4V
4V 220u
2501
4V47u
2536
4K7
A
330R
3507
2511
3546
100K
3558
35V 4u7
3557
100K
15R
3549
470K
3513
2524
220p
7508
BC8 17-40
100n
2537
A
A
4K7
3500
A
A
A
F112
A
12K
3551
16V10u
2525
F109
2527
4u735V
F104
100u 4V
F107
A
2538
10K
3508
6K8
3535
100K
3542
3519
100K
270p
2530
7501
BC8 17-40
3556
100K
A
BC8 17-40
7512
3533
3544
68 0R
10K
3522
3543
68 0R
68 0R
3511
68 0R
3510
A
330R
3545
3517
330R
1n5
2516
4K7
3505
2n2
2515
47K
3506
A
A
A
A
A
AA
3555
18 0K
6502
BZX28 4-C10
BAS316
6501
100K
3534
A
AL
DBB_ ON
AMUTE
BEEP
+3.0V
AVDD1
+3.0V
MRST RC
AVDD1
AVDD1
AR
COMBI BOARD - CIRCUIT DIAGRAM

Related product manuals