EasyManua.ls Logo

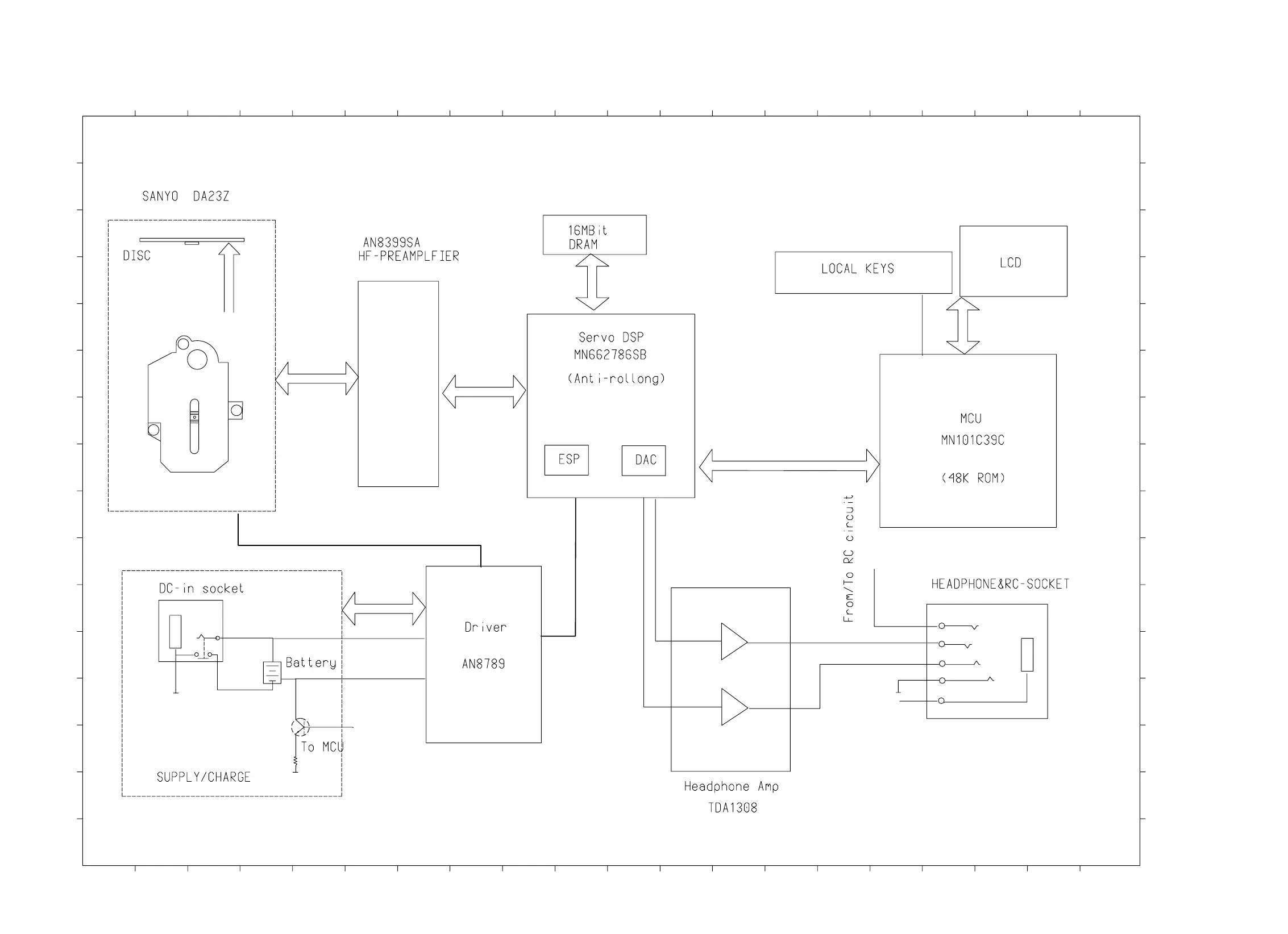
Philips AX3200 - Blockdiagram

Philips AX3200
28 pages
Print Icon
To Next Page IconTo Next Page
To Next Page IconTo Next Page
To Previous Page IconTo Previous Page
To Previous Page IconTo Previous Page
Loading...
3 -9 3 - 9
G
H
I
J
K
L
M
N
O
P
P
O
N
M
L
J
345678 9101112
I
H
G
F
E
D
C
B
A
K
A
B
C
D
E
F
2019181716151413121110987654321
12 13 14 15 16 17 18 19 20
BLOCKDIAGRAM

Related product manuals