EasyManua.ls Logo

Philips AZ1065 - Power Board Diagrams; Power Supply Circuit and Layout

Philips AZ1065
37 pages
Print Icon
To Next Page IconTo Next Page
To Next Page IconTo Next Page
To Previous Page IconTo Previous Page
To Previous Page IconTo Previous Page
Loading...
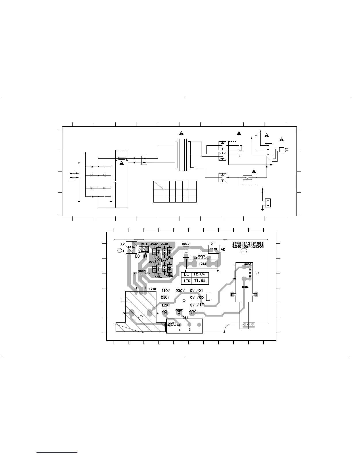
POWER BOARD - CIRCUIT & LAYOUT DIAGRAM
8-1 8-1
PCS 104 373
10
A
B
C
D
A
B
C
D
F01 C1
F02 C1
F03 B3
F04 B3
F05 D9
F06 B9
F07 B10
F08 C8
1 2 3 4 5 6 7 8 9 10
1 2 3 4 5 6 7 8 9
F05
0001 A7
0002 B7
0003 C7
1009 B4
1011 A9
1012 A10
1014 B1
1015 D10
1022 B3
1023 B9
2028 B1
2029 B2
2030 C3
2031 D1
2032 D2
6004 C1
HXW0350
1011
1
2
3
4
6005 C2
PH-B
1015
1
6006 C1
6007 C2
9001 A8
9002 C9
9004 A3
9004
1009
XH-B
1
2
F04
F03
VOLTAGE SELECTOR
AC INLET
SET POWER CORD
DC FROM BATTERY
1022
T1.6A 250V
M30
POWER TRANSFORMER
*
* *
/00/05/10/13
*
Item
0002
*
/01/11/11H
9001 1011
/14/17
*
0003
transformer leadout, or voltage seletor.
*
version
0001
110V
230V
0V
*
denotes connection is provided by means of jumper,
6004
1N4003
1N4003
6007
1N4003
6005
12
34
9001
F08
9002
1023
SDDL
F06
F07
F01
F02
C-PAD
0003
C-PAD
0001
1012
4 5
1
2
3
6006
1N4003
2
1n
2028
2031
1n
1
2
C-PAD
0002
1014
EH-S
2029
1n
2032
1n
2030
100n
Supply
DC
DC
Mains
Supply
Mains
0001 E4
0002 E5
0003 E6
1009 A7
1011 E5
1012 D3
1014 A2
1015 A3
1022 B6
1023 C9
2028 B3
2029 A3
2030 A5
2031 B4
2032 A4
6004 C3
6005 B3
6006 C4
6007 B4
9001 F4
9002 B9
9003 B2
9004 A6
1 2 3 4 5 6 7 8 9 10
1 2 3 4 5 6 7 8 9 10
A
B
C
D
E
F
A
B
C
D
E
F

Other manuals for Philips AZ1065

Related product manuals