EasyManua.ls Logo

Philips BDP2500/12 - Page 19

Philips BDP2500/12
39 pages
Print Icon
To Next Page IconTo Next Page
To Next Page IconTo Next Page
To Previous Page IconTo Previous Page
To Previous Page IconTo Previous Page
Loading...
A
A
B
B
C
C
D
D
E
E
1 1
2 2
3 3
4 4
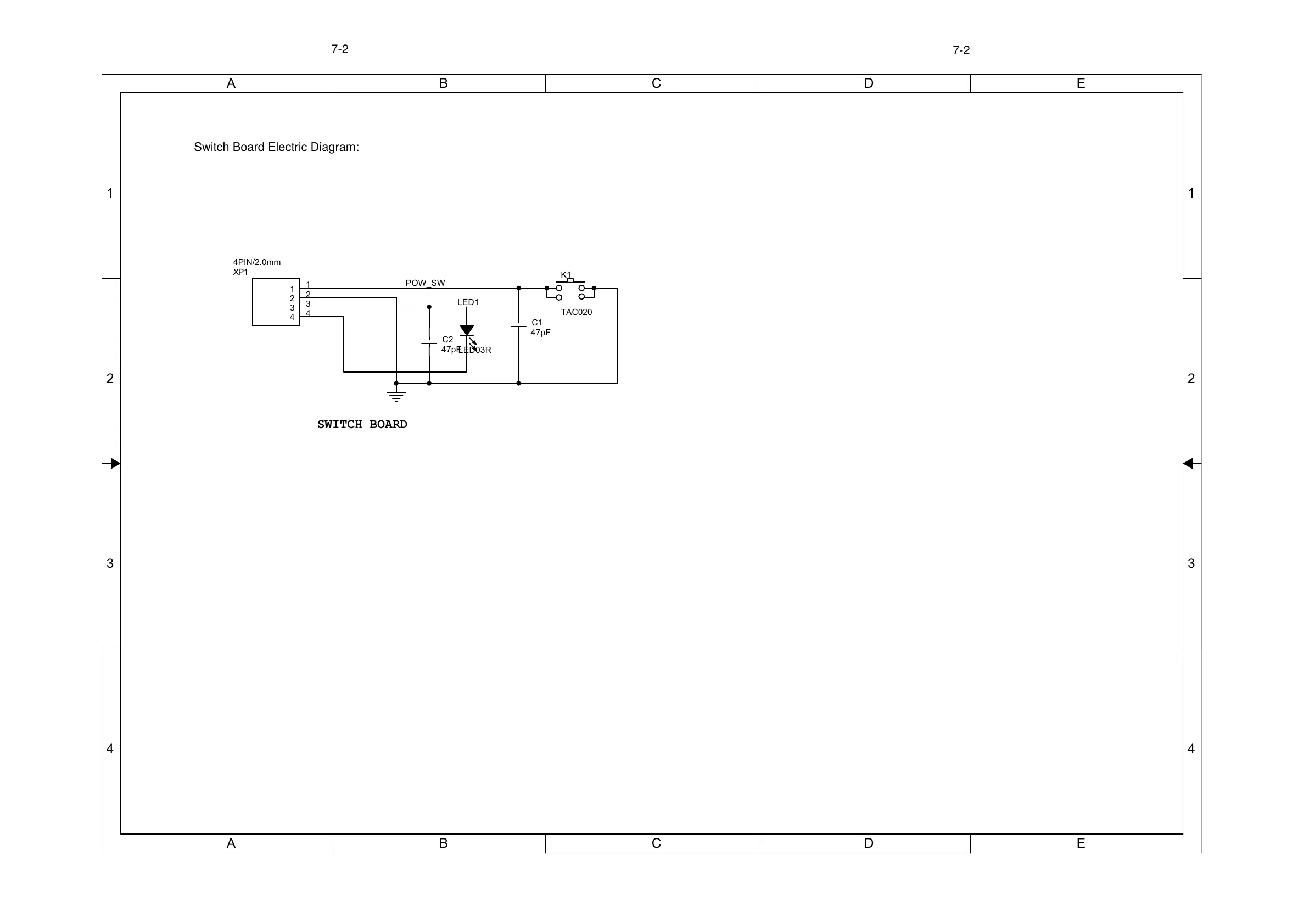
POW_SW
SWITCH BOARD
C1
47pF
LED1
LED03R
C2
47pF
K1
TAC020
XP1
4PIN/2.0mm
1
1
2
2
3
3
4
4
Switch Board Electric Diagram:
7-2
7-2
All manuals and user guides at all-guides.com

Related product manuals