EasyManua.ls Logo

Philips BDP2500/12 - Page 20

Philips BDP2500/12
39 pages
Print Icon
To Next Page IconTo Next Page
To Next Page IconTo Next Page
To Previous Page IconTo Previous Page
To Previous Page IconTo Previous Page
Loading...
A
A
B
B
C
C
D
D
E
E
1 1
2 2
3 3
4 4
+5VSTB
+5V
+M
+12V
+12V
+12V
-24V
+12V
PCON
PCON
+5VSTB +5V
+12V
+12V
-24V
+M
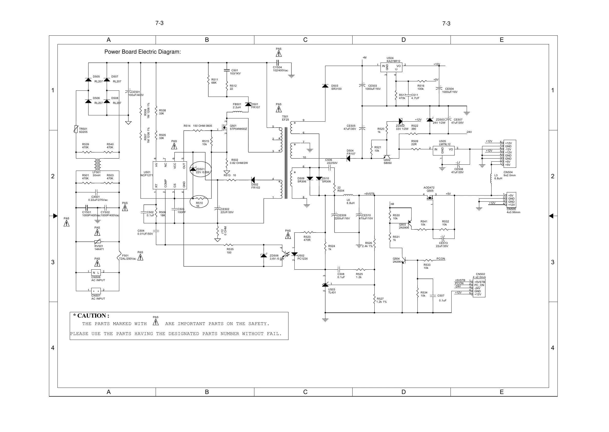
THE PARTS MARKED WITH ARE IMPORTANT PARTS ON THE SAFETY.
PLEASE USE THE PARTS HAVING THE DESIGNATED PARTS NUMBER WITHOUT FAIL.
* CAUTION :
ZD506
3.6V /0.5W
R531
1k
D505
RL207
+
CE504
1000uF/16V
R513 10
CY502
1000P/400Vac
L6
6.8uH
R534
10k
R501
470K
R506
18K
U502
PC123X
12
43
R539
470K
R521
10k
R540
470K
CN502
4 x2.0mm
PC_ON
2
-24V
3
+12V
5
GND
4
+5VSTB
1
R526
2.4k 1%
PAS
Q502
S8050
R523
470R
R512
22
R532
10k
ZD502
33V 1/2W
+
CE508
47uF/35V
D510
SR306
Q503
2N3906
LF501
30mH
Q504
2N3904
D509
SR306
T501
EF25
9
1
3
5
10
8
4
2
6
6
7
CN501
AC INPUT
+
1
+
2
RV501
14K471
PAS
R520
1k
R511
68K
R503
470K
PAS
C506
222/50V
+
CE505
47uF/35V
D504
FR107
R527
1.2k 1%
CN506
AC INPUT
N
1
L
2
R522
390
R504
22
R505
33K
R517
470k
CY504
102/400Vac
ZD503
24V 1/2W
PAS
R533
10k
F501
T2AL/250Vac
PAS
ZD501
22V /0.5W
PAS
C508
0.1uF
PAS
PAS
C503
100PF
R507
1M 1206 1%
U503
TL431
2
1
3
PAS
PAS
R524
1k
R508
1M 1206 1%
FB501
2.2uH
R516
100k
C501
103/1KV
R535
100
D507
RL207
+
CE501
100uF/400V
D506
RL207
R514 150 OHM 0805
U501
NCP1271
RT
1
COMP
2
CS
3
GND
4
OUT
5
VCC
6
NC
7
HV
8
R502
0.82 OHM/2W
Q501
STP04NK60Z
1
23
L3
6.8uH
R510
1K
R515
10k
R525
1.2k
R509
22R
C502
0.1uF
R541
10k
+
CE509
2200uF/16V
+
CE513
22uF/35V
CX501
0.22uF/275Vac
+
CE507
47uF/35V
D503
SR3100
CN504
9x2.0mm
+5V
2
GND
3
GND
4
+12V
5
-12V
6
GND
7
+5V
1
+12V
8
U505
LM79L12
VO
3
IN
2
GND
1
U504
KA278R12
VO
2
IN
1
GND
3
C
4
TR501
5D205
Q505
AOD472
1
4 3
J12
0 OHM
C504
0.01UF/50V
CN505
4x3.96mm
+5V
1
GND
2
GND
3
+12V
4
D502
FR102
+
CE510
470uF/10V
R538
33K
+
CE502
22UF/35V
+
CE503
1000uF/16V
C511
4.7UF
CY501
1000P/400Vac
C507
0.1uF
R530
10k
D501
FR107
D508
RL207
Power Board Electric Diagram:
7-3
7-3
All manuals and user guides at all-guides.com

Related product manuals