EasyManua.ls Logo

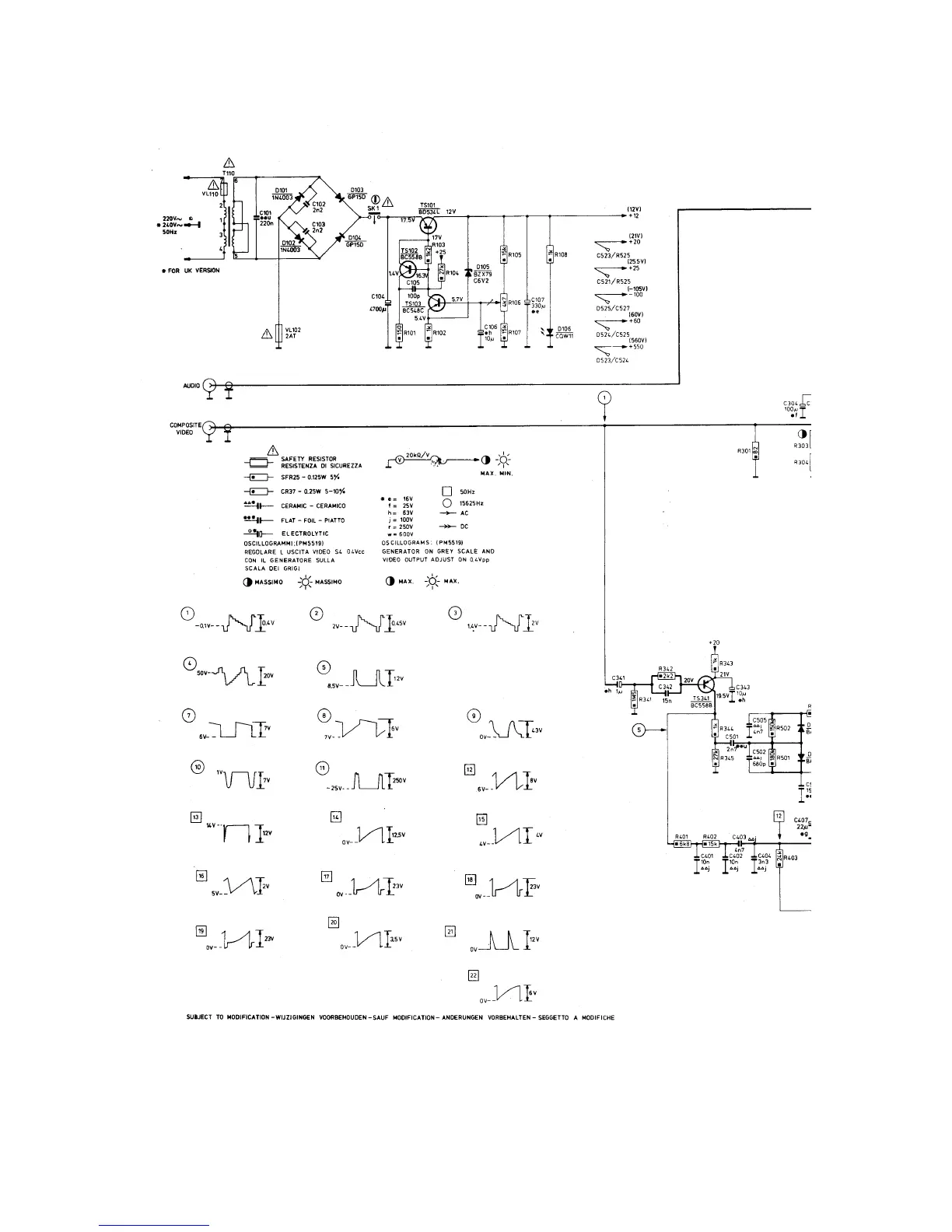
Philips BM 7500 - Wiring Diagram

Philips BM 7500
8 pages
Print Icon
To Next Page IconTo Next Page
To Next Page IconTo Next Page
To Previous Page IconTo Previous Page
To Previous Page IconTo Previous Page
Loading...

Related product manuals