EasyManua.ls Logo

Philips CD100 - Page 14

Philips CD100
88 pages
Print Icon
To Next Page IconTo Next Page
To Next Page IconTo Next Page
To Previous Page IconTo Previous Page
To Previous Page IconTo Previous Page
Loading...
Control
The laser simulator board POS.VOLT.SH.3 (4822 395 30229) must
be used for this.
Remove the flex board from connector A11 and connect the
simulator board to the connector.
Remove plug A16 and insert it into the connector on the simulator
board. Connect the 4-wire plug to connector A16.
Disconnect plug A17 and insert the 1-wire plug into connector A17.
Control of the resting state
Set the switch on the simulator board to the "OFF" position and the
power switch to the "ON" position.
Turn bias resistor 3180 clockwise (max. R) and measure voltage on
the simulator between points +V and -V.
The voltage measures to be 15 mV.
Checking the control of the laser power supply:
Set the switch on the simulator board to the "ON" position and
measure the voltages between point +V and -V on the simulator
board.
Resistance 3180 clockwise (max. R):
U+v to v = -225mV ± 45mV.
Resistance 3180 counterclockwise (min. R):
U+v to v = -750mV ± 150mV.
Set resistor 3180 in the middle position.
This is a preset. After the simulator PCB has been removed, the
laser current must be set.
Adjust
Play from test CD 4822 397 30096 track 1 (CD without defects).
Connect across resistor 3308 to SERVO PCB a DC voltmeter.
Use resistor 3180 to adjust the laser power supply so that the
voltage across resistor 3308 is 575mV ± 75mV.
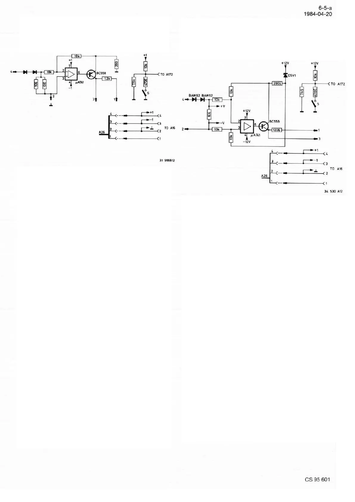
Laser power supply (POS.VOLT.SH.)
Since the light pen is very sensitive to static charges, when
measuring and adjusting the laser power, the tools and
yourself must have the same potential as the CD mechanism.
PRE-AMP + LASER PCB marked with identification A06 and above
Laser power supply (POS.VOLT.SH.)
Since the light pen is very sensitive to static charges, when
measuring and adjusting the laser power, the tools and yourself
must have the same potential as the CD mechanism.
Control
The laser simulator board POS.VOLT.SH.2 (4822 395 30215) must
be used for this.
Remove the flex board from connector A11 and connect the
simulator board to the connector.
Remove plug A16 and insert it into the connector on the simulator
board. Connect the 4-wire plug to connector A16.
Disconnect plug A17 and insert the 1-wire plug into connector A17.
In the quiescent state, the current through the laser diode should be
1mA.
Control:
Set the switch on the simulator board to the "OFF" position and the
power switch to the "ON" position.
Turn bias resistor 3180 counterclockwise (min. R) and measure
voltage across resistor 3194.
The voltage measures to be 15 mV.
Checking the control of the laser power supply:
Set the switch on the simulator board to the "ON" position and
measure the voltages between point +V and -V on the simulator
board.
Resistance 3180 clockwise (max. R):
U+v to v = 60 mV ± 30mV.
Resistance 3180 counterclockwise (min. R):
U+v to v = 560 mV ± 50mV.
Set resistor 3180 in the centre/mid position.
This is a preset. After the simulator PCB has been removed, the
laser current must be set.
Adjust
Play from test CD 4822 397 30096 track 1 (CD without defects).
Connect across resistor 3308 to SERVO PCB a DC voltmeter.
Use resistor 3180 to adjust the laser power supply so that the
voltage across resistor 3308 is 500mV ± 50mV.
Note
A laser current that is too high (> 550 mV across resistor 3308)
shortens the life of the laser diode.